Biến tần Veichi AC300 series là sản phẩm được phát triển trên nền tảng công nghệ vector hiệu suất cao mới nhất của VEICHI. Nó không chỉ áp dụng công nghệ điều khiển vector định hướng hàng đầu quốc tế, tương thích với điều khiển AM và PMSM. Bên cạnh đó, để tăng cường khả năng sử dụng và chuyên môn hóa công nghiệp, nó được trang bị các giao diện mở rộng phong phú với các phụ kiện mở rộng mới, hiện thực hóa các tính năng của hiệu suất cao, độ tin cậy cao, mật độ công suất cao và khả năng sử dụng cao.
1. Tổng quan
Thông số biến tần Veichi AC300

1.1 Thông số kỹ thuật và ưu điểm của biến tần Veichi AC300
Thông số biến tần Veichi AC300
- Biến tần Veichi AC300 là dòng biến tần đa năng thế hệ mới, được thiết kế theo chuẩn Châu Âu với thông số kỹ thuật và ưu điểm như sau:
- Dải điện áp đầu vào:
- 1 pha 220V
- 3 pha 220V
- 3 pha 380V
- Công suất đầu ra tương ứng:
- 0.75 ~ 220 kW
- 0.75 ~ 220 kW
- 0.75 ~ 710 kW
- Thiết kế size nhỏ, tiết kiệm diện tích lắp đặt
- Kích thước nhỏ gọn có thể thay thế hoàn toàn cho ABB, Schneider, …
- Điều khiển cho cả motor không đồng bộ và đồng bộ (Servo)
- Chế độ điều khiển : V/F, Vector, Torque, vị trí
- Khả năng truyền thông mạnh mẽ: Modbus, Profibus, CanOpen, ….
- Bảo vệ: quá áp, thấp áp, quá dòng, quá tải, quá nhiệt, mất pha đầu vào – ra, chạm đất, ….
- Giao tiếp chuẩn RS485, hỗ trợ MODBUS-RTU, hỗ trợ giao thức truyền thông PROFIBUS-DP.
- Dải điện áp đầu vào:
1.2 Ứng dụng của biến tần Veichi AC300
Thông số biến tần Veichi AC300
- Biến tần Veichi AC300 được sử dụng chủ yếu cho một số ứng dụng như: Nâng hạ, bao bì, thực phẩm, hóa chất, than, giấy, dệt nhuộm, cấp nước, và đặc biệt là chuyên cho chế tạo máy…
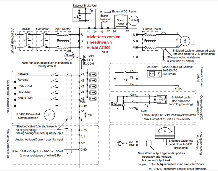
2. Sơ đồ điều khiển và cài đặt các thông số biến tần Veichi AC300
2.1 Sơ đồ điều khiển

- 5 chân đầu vào chức năng: X1—> X5
- 2 cổng đầu vào analog: AI1, AI2 ( 0 ~ 10V hoặc 0 ~ 20mA )
- 2 cổng đầu ra analog: AO ( 0 ~ 10V hoặc 0 ~ 20mA )
- 1 cổng đầu vào xung: X5/PUL (0.0~100kHz)
- 1 relay output
- Và nhiều chân chức năng khác
- 1 cổng truyền thông modbus RS-485: A+ B-
2.2 Trả về mặc định nhà máy
Thông số biến tần Veichi AC300
| F00.19 | Reset biến tần Veichi AC300 Khởi tạo tham số | 0: Không hoạt động 1: Reset mặc định nhà máy ( không bao gồm thông số động cơ ) 2: Reset mặc định nhà máy ( khôi phục thông số động cơ ) 3: Xóa hồ sơ lỗi | 0 |
2.3 Thông số biến tần Veichi AC300 cơ bản (1)
Thông số biến tần Veichi AC300
Tham | Mô tả | Phạm vi cài đặt và giải thích | Giá trị |
F00.00 | Chế độ điều khiển động cơ |
3: VC hiệu suất cao không có PG 4: VC hiệu suất cao có PG
6: VC hiệu suất cao không có PG 7: VC có PG
8: Đầu ra tách tần số 2/1/5: Dự trữ | 0 |
| F00.02 | Lựa chọn kênh lệnh chạy | 0: Điều khiển bàn phím 1: Lệnh chạy ngoài 2: Giao tiếp truyền thông 3: Dự trữ | 0 |
| F00.03 | Lựa chọn nguồn tần số chính | 0: Bàn phím 1: Dự trữ 2: AI1 3: AI2 4: Dự trữ 5: Tín hiệu xung đầu vào 7: Điều khiển UP/DOWN trạm ngoài 8: Điều khiển PID 9: Điều khiển PLC có sẵn 10: Tùy chọn 11: Đa cấp tốc độ | 0 |
2.4 Thông số biến tần Veichi AC300 cơ bản (2)
Thông số biến tần Veichi AC300
F00.17 | Cài đặt chế độ G/P | 0: Kiểu G 1: Kiểu P | 0 |
F00.08 | Cài đặt tần số bàn phím | 0~upper limit | 50.00Hz |
F00.09 | Tần số Max | F00.11~600.00Hz | 50.00Hz |
F00.11 | Tần số giới hạn trên | F00.12~F00.09 | 50.00Hz |
2.5 Thông số biến tần Veichi AC300 cơ bản(3)
Thông số biến tần Veichi AC300
F00.12 | Tần số giới hạn dưới | 0.00~F00.11 | 0.00Hz |
F00.14 | ACC time 1 | 0.01~650.00s | model |
F00.15 | DEC time 1 | 0.01~650.00s | model |
F01.10 | Chế độ dừng | 0: Dừng giảm tốc 1: Dừng tự do | 0 |
- Và còn nhiều tham số khác chúng tôi không cập nhật lên đây. Nếu các bạn không xử lý được hãy liên hệ với chúng tôi để được hỗ trợ và xử lý một cách nhanh nhất.
3. Bảng mã lỗi biến tần Veichi AC300 (1)
Thông số biến tần Veichi AC300
Mã lỗi | Loại lỗi | Nguyên nhân | Khắc phục |
L.U.1 | Điện áp quá thấp khi dừng |
|
|
E.LU2 | Điện áp quá thấp khi chạy |
|
|
E.oU1 | Điện áp quá thấp khi tăng tốc |
|
|
3.1 Bảng mã lỗi biến tần Veichi AC300 (2)
Thông số biến tần Veichi AC300
Mã lỗi | Loại lỗi | Nguyên nhân | Khắc phục |
E.oU2 | Điện áp quá thấp khi giảm tốc |
|
|
E.oU3 | Quá điện áp trạng thái ổn định |
|
|
EiLF AiLF | Mất pha đầu vào |
|
|
3.2 Bảng mã lỗi biến tần Veichi AC300(3)
Thông số biến tần Veichi AC300
EoLF | Mất pha đầu ra |
|
|
E.oL1 |
|
| |
| E.oL2 | Biến tần quá tải |
|
|
| E.oH1 | Biến tần quá nóng |
|
|
- Và còn nhiều lỗi khác chúng tôi không cập nhật lên đây. Nếu các bạn không xử lý được hãy liên hệ với chúng tôi để được hỗ trợ và xử lý một cách nhanh nhất.
4. Liên hệ
Thông số biến tần Veichi AC300
Liên hệ với chúng tôi để được hướng dẫn cài đặt thông số biến tần Veichi AC300 miễn phí và nhanh nhất.
Nếu bạn đang có nhu cầu cần mua hay báo giá thiết bị tự động hóa hoặc cần tư vấn thêm thì hãy liên hệ ngay với chúng tôi để được hỗ trợ một cách tận tâm, nhanh chóng và hiệu quả nhé!
CÔNG TY CỔ PHẦN GIẢI PHÁP TỰ ĐỘNG HÓA TRÍ VIỆT
- Địa Chỉ Hồ Chí Minh: 36/6 đường số 4, khu phố 5, phường An Lạc A, quận Bình Tân, thành phố Hồ Chí Minh.
- Địa Chỉ Hà Nội: 41/M2, KĐT mới Yên Hòa, phường Yên Hòa, quận Cầu Giấy, thành phố Hà Nội
- DĐ: 0984868617
- Email: trivietautomation.info@gmail.com
- MST: 0316876097
- Website: www.triviettech.com.vn – www.tudonghoatriviet.com
- Giờ làm việc: T2 – CN / 7:30 AM – 5:00 PM






















