Biến tần Frenic-ACE là dòng biến tần đa năng thông dụng của Fuji Electric. Biến tần Frenic-ACE chuyên dùng cho các ứng dụng tải trung bình và tải nhẹ công suất tới 315kW.
1. Tổng quan
Thông số biến tần Frenic-ACE

1.1 Thông số biến tần Frenic-ACE
Thông số biến tần Frenic-ACE
- Điện áp đầu vào:
- 1 pha, điện áp 200V, công suất 0.1kW to 2.2kW
- 3 pha, điện áp 200V, công suất 0.1kW to 30kW
- 3 pha, điện áp 400V, công suất 0.4kW to 315kW
- Dải tần số: 25 – 500Hz
- Chịu đựng quá tải: 110% trong 60s
- Điều khiển đa cấp tốc độ: 8 cấp
- Chức năng tiết kiệm năng lượng, giám sát điện năng và điều khiển PID
- Tích hợp sẵn bộ lọc nhiễu EMC Filter, cuộn kháng một chiều (DCR), màn hình đa chức năng LCD và 2 cổng truyền thông RS-485
- Tích hợp các chức năng tốt nhất cho quạt, bơm, các hệ thống HVAC.
- ND: dành cho tải bơm, quạt (quá tải 120% trong 1 phút, nhiệt độ max 40 độ)
- HD: dành cho hầu hết các ứng dụng thông dụng (quá tải 150% trong 1 phút, nhiệt độ max 40 độ)
- HND: Dành cho tải nhẹ, tần số sóng mang cao (quá tải 120% trong 1 phút, nhiệt độ max 50 độ)
- HHD: Dành cho tải nặng, tần số sóng mang cao (quá tải 150% trong 1 phút, 200% trong 0.5 giây, nhiệt độ max 50 độ)
1.2 Ứng dụng của biến tần Fuji Frenic-ACE
Thông số biến tần Frenic-ACE
- Biến tần Fuji Frenic-ACE chuyên dùng cho các ứng dụng như:
Ứng dụng tải nhẹ như hệ thống điều hòa, bơm, quạt chọn biến tần Frenic-ACE ở chế độ ND.
Ứng dụng tải trung bình như máy cuốn, băng tải, máy đóng gói, máy công cụ, máy chế biến,… chọn biến tần Frenic-ACE ở chế độ HD.
Đối với tải nặng như nâng hạ, thang máy, máy nén,… chọn biến tần Frenic-ACE ở chế độ HHD hoặc chọn dòng biến tần Frenic-ACE chuyên dùng cho tải nặng.
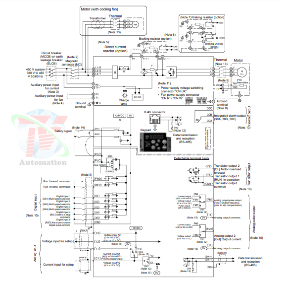
2. Sơ đồ điều khiển và cài đặt các thông số biến tần Fuji Frenic-ACE
2.1 Sơ đồ điều khiển
Thông số biến tần Frenic-ACE

- 7 đầu vào chức năng: X1 —> X5, FWD, REV
- 2 cổng đầu vào analog: 12, C1
- 2 cổng đầu ra analog: FM, FM2
- 1 relay output
- Hỗ trợ truyền thông Modbus RS-485
- Và nhiều chân chức năng khác
2.2 Trả về mặc định nhà máy
Thông số biến tần Frenic-ACE
Pr. | Explanation | Setting Range | Factory |
H03 | Data Initialization Khởi tạo dữ liệu | 0: Cài đặt giá trị thủ công 1: Khởi tạo tất cả tham số về mặc định nhà máy 2: Khởi tạo tham số động cơ 1 3: Khởi tạo tham số động cơ 2 11: Khởi tạo hạn chế ( khởi tạo không bao gồm tham số giao tiếp ) 12: Khởi tạo giới hạn ( khởi tạo logic tùy chỉnh ) | 0 |
F00 | Data Protection Bảo vệ dữ liệu | 0: Không bảo vệ dữ liệu, không bảo vệ cài đặt kỹ thuật số 1: Có bảo vệ dữ liệu, không có bảo vệ cài đặt kỹ thuật số 2: Không bảo vệ dữ liệu, có bảo vệ cài đặt kỹ thuật số 3: Bảo vệ dữ liệu và bảo vệ cài đặt kỹ thuật số | 0 |
2.3 Thông số biến tần Fuji Frenic-ACE cơ bản (1)
Thông số biến tần Frenic-ACE
F01 | Frequency setting 1 Cài đặt tần số 1 | 0: Phím UP/DOWN trên bàn phím 1: Điện áp đầu vào cực [12] ( 0 to ±10 VDC) 2: Dòng điện đầu vào tới cực [C1] ( 4 to 20mA ) 3: Điện áp đầu vào cực [12] + Dòng điện đầu vào tới cực [C1] 5: Đầu vào điện áp analog (Đầu nối [C1] (chức năng V2)) (0 to 10 VDC) 7: Lệnh đầu cuối điều khiển UP/DOWN 8: Phím UP/DOWN trên bàn phím
10: Thao tác mẫu 12: Chuỗi xung đầu vào | 0 |
F02 | Operation Phương thức hoạt động | 0: Bàn phím 1: Lệnh chạy ngoài FWD hoặc REV 2: Bàn phím (chạy thuận) 3: Bàn phím (chạy nghịch) | 2 |
F03 | Maximum output frequency 1 Tần số đầu ra lớn nhất 1 | 25.0 to 500.0 Hz | CE:50.0, |
F04 | Base Frequency 1 Tần số 1 cơ bản | 25.0 to 500.0 Hz | CEJKT:50.0, |
2.4 Thông số biến tần Fuji Frenic-ACE cơ bản (2)
Thông số biến tần Frenic-ACE
F07 | Acceleration Time 1 Thời gian tăng tốc 1 | 0.00 to 6000 s
| 20.0 |
F08 | Deceleration Time 1 Thời gian giảm tốc 1 | 0.00 to 6000 s
| 20.0 |
F15 | Frequency Limiter (High) Giới hạn tần số cao | 0.0 to 500.0 Hz | 70.0 |
F16 | Frequency Limiter (Low) Giới hạn tần số thấp | 0.0 to 500.0 Hz | 0.0 |
2.5 Thông số biến tần Fuji Frenic-ACE cơ bản(3)
Thông số biến tần Frenic-ACE
F23 | Starting Frequency 1 Tần số bắt đầu 1 | 0.1 to 60.0Hz | 0.5 |
H06 | Cooling Fan ON/OFF Control Điều khiển ON/OFF quạt làm mát | 0: Vô hiệu hóa ( Quạt luôn hoạt động ) 1: Cho phép ( có thể điều khiển bật tắt ) | 0 |
H11 | Deceleration Mode Chế độ dừng | 0: Bình thường giảm tốc 1: Dừng tự do | 0 |
H08 | Rotational direction limitation Giới hạn hướng chạy | 0: Vô hiệu hóa 1: Cấm xoay ngược 2: Cấm quay thuận | 0 |
2.6 Thông số biến tần Fuji Frenic-ACE cơ bản(4)
Thông số biến tần Frenic-ACE
H97 | Clear Alarm Data Xóa dữ liệu cảnh báo | 0: Vô hiệu hóa 1: Xóa dữ liệu cảnh báo | 0 |
C20 | Jogging Frequency Tần số JOG | 0.00 to 500.00 Hz | 0.00 |
F25 | Stop Frequency Tần số dừng | 0.0 to 60.0 Hz | 0.2 |
P04 | Auto-tuning Tự động điều chỉnh | 0: Vô hiệu hóa 1: Điều chỉnh khi động cơ dừng
2: Điều chỉnh trong khi động cơ đang quay dưới sự điều khiển V/f
| 0 |
- Và còn nhiều tham số khác chúng tôi không cập nhật lên đây. Nếu các bạn không xử lý được hãy liên hệ với chúng tôi để được hỗ trợ và xử lý một cách nhanh nhất.
3. Bảng mã lỗi biến tần Fuji Frenic-ACE (1)
Thông số biến tần Frenic-ACE
Mã lỗi | Loại lỗi | Nguyên nhân | Khắc phục |
OC1 | Quá dòng tức thời trong thời gian tăng tốc |
|
|
OC2 | Quá dòng tức thời trong thời gian giảm tốc |
|
|
OC3 | Quá dòng tức thời khi tốc độ không đổi |
|
|
3.1 Bảng mã lỗi biến tần Fuji Frenic-ACE (2)
Thông số biến tần Frenic-ACE
Mã lỗi | Loại lỗi | Nguyên nhân | Khắc phục |
OU1 | Quá dòng điện áp trong thời gian tăng tốc |
| |
OU2 | Quá dòng điện áp trong thời gian giảm tốc |
|
|
OU3 | Quá dòng điện áp khi tốc độ không đổi |
|
3.2 Bảng mã lỗi biến tần Fuji Frenic-ACE (3)
Thông số biến tần Frenic-ACE
OH1 | Bảo vệ quá nhiệt biến tần |
|
|
OH2 | Báo lỗi đầu vào chân chức năng |
| |
| OH3 | Biến tần quá nóng |
|
|
| Er1 | Lỗi bộ nhớ |
|
3.3 Bảng mã lỗi biến tần Fuji Frenic-ACE (4)
Thông số biến tần Frenic-ACE
OPL | Bảo vệ mất pha đầu ra |
| |
Lin | Bảo vệ mất pha đầu vào |
|
|
OLU | Bảo vệ quá tải |
|
|
LU | Bảo vệ dưới điện áp |
|
|
- Và còn nhiều lỗi khác chúng tôi không cập nhật lên đây. Nếu các bạn không xử lý được hãy liên hệ với chúng tôi để được hỗ trợ và xử lý một cách nhanh nhất.
4. Liên hệ
Thông số biến tần Frenic-ACE
Liên hệ với chúng tôi để được hướng dẫn cài đặt thông số biến tần Frenic-ACE miễn phí và nhanh nhất.
Nếu bạn đang có nhu cầu cần mua hay báo giá thiết bị tự động hóa hoặc cần tư vấn thêm thì hãy liên hệ ngay với chúng tôi để được hỗ trợ một cách tận tâm, nhanh chóng và hiệu quả nhé!
CÔNG TY CỔ PHẦN GIẢI PHÁP TỰ ĐỘNG HÓA TRÍ VIỆT
- Địa Chỉ Hồ Chí Minh: 36/6 đường số 4, khu phố 5, phường An Lạc A, quận Bình Tân, thành phố Hồ Chí Minh.
- Địa Chỉ Hà Nội: 41/M2, KĐT mới Yên Hòa, phường Yên Hòa, quận Cầu Giấy, thành phố Hà Nội
- DĐ: 0984868617
- Email: trivietautomation.info@gmail.com
- MST: 0316876097
- Website: www.triviettech.com.vn – www.tudonghoatriviet.com
- Giờ làm việc: T2 – CN / 7:30 AM – 5:00 PM






















