Biến tần Hitachi X200 là dòng biến tần tầm trung của hãng Hitachi. Biến tần Hitachi X200 có độ bền cao, ngoại hình cứng cáp, giá thành vừa phải nên rất được chế tạo máy tin dùng.
1. Tổng quan
Thông số biến tần Hitachi X200

1.1 Thông số kỹ thuật và ưu điểm của biến tần Hitachi X200
Thông số biến tần Hitachi X200
- Điện áp ngõ vào:
- 1 phase 200 ~ 240 VAC
- 3 phase 200 ~ 240 VAC
- 3 phase 380 ~ 480 VAC
- Công suất ngõ ra: 0,2 – 7,5kW
- Tần số ngõ vào: 50/60 Hz
- Điện áp ngõ ra tối đa:
- 3 phase 200 ~ 240 V
- 3 phase 380 ~ 480 V
- Tần số ngõ ra: 400 Hz
- Chế độ điều khiển: line-to-line sine wave pulse-width modulation (PWM) control
- Loại động cơ: động cơ không đồng bộ
- Torque khởi động: 100% ở 6 Hz
- Khả năng quá tải: 150% trong 60s
- Chức năng bảo vệ: bảo vệ khi xảy ra các sự cố như là quá dòng, áp cao, dưới áp, quá nhiệt, mất pha, lệch pha, đứt dây ngõ ra, quá tải v.v…
- Làm mát:
- 0.2 – 1.1kW: tự làm mát
- 1.5 – 7.5kW: làm mát bằng quạt của biến tần
- Bàn phím nối dài: có thể nối dài và tách rời
- IP: IP20
- Gắn điện trở xả: tùy chọn
- Nhiệt độ làm việc: -10 ~ 50̊C ( Không bảo quản)
- Truyền thông: RS485 interface (Modbus RTU)
1.2 Ứng dụng của biến tần Hitachi X200
Thông số biến tần Hitachi X200
- Biến tần Hitachi X200 phù hợp với hầu hết các ứng dụng phổ biến ở Việt Nam như bơm nước, quạt hút, quạt thổi, máy cắt bao bì, máy thổi chai, máy làm bánh,máy bẻ đai, cẩu trục, máy dệt bao bì…
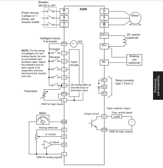
2. Sơ đồ điều khiển và cài đặt các thông số biến tần Hitachi X200
2.1 Sơ đồ điều khiển
Thông số biến tần Hitachi X200

- 5 đầu vào chức năng: 1 —> 5
- 2 cổng đầu vào analog: O, OI
- 1 cổng đầu ra analog: CM2
- 1 relay output
- 1 cổng truyền thông modbus RS-485
- Và nhiều chân chức năng khác
2.2 Trả về mặc định nhà máy
Pr. | Explanation | Setting Range | Factory |
B084 | Initialization mode (parameters or trip history) Reset biến tần | 00: Xóa lịch sử hoạt động 01: Khởi tạo lại tham số 02: Xóa lịch sử hoạt động và khởi tạo lại tham số | 00 (EU) 00 (USA) |
B087 | STOP key enable Cho phép dùng phím STOP trên bàn phím | 00: Cho phép 01: Vô hiệu hóa | 00 (EU) 00 (USA) |
B085 | Country code for initialization Mã quốc gia để khởi tạo | 00: Japan 01: Europe 02: USA | 01 (EU) 02 (USA) |
2.3 Thông số biến tần Hitachi X200 cơ bản (1)
A001 | Frequency source setting Cài đặt nguồn tần số | 00: Chiết áp bàn phím 01: Thiết bị đầu cuối bên ngoài 02: Cài đặt chức năng F001 03: Đầu vào mạng Modbus 10: Tính toán đầu ra hàm | 01 (EU) 00 (USA) |
A002 | Run command source setting Cài đặt nguồn lệnh chạy | 01: Lệnh chạy ngoài | 01 (EU) 02 (USA) |
A003 | Base frequency setting Cài đặt tần số cơ bản | 30.0 – maximum frequency (Hz) | 50.0 (EU) 60.0 (USA) |
A004 | Maximum frequency setting Cài đặt tần số lớn nhất | A003 – 400 (Hz) | 50.0 (EU) 60.0 (USA) |
2.4 Thông số biến tần Hitachi X200 cơ bản (2)
A038 | Jog frequency setting Cài đặt tần số Jog | 0.00 – 9.99 (Hz) | 1.00 (EU) 1.00 (USA) |
A061 | Frequency upper limit setting Cài đặt tần số giới hạn trên | 0.00: Cài đặt bị vô hiệu hóa >0.00: Cài đặt đã được bật | 0.00 (EU) 0.00 (USA) |
A062 | Frequency lower limit setting Cài đặt tần số giới hạn dưới | 0.00: Cài đặt bị vô hiệu hóa >0.50: Cài đặt đã được bật | 0.00 (EU) 0.00 (USA) |
F002 | Acceleration time setting Cài đặt thời gian tăng tốc | 0.01 – 3000 sec | 10.0 (EU) 10.0 (USA) |
2.5 Thông số biến tần Hitachi X200 cơ bản(3)
F003 | Deceleration time setting Cài đặt thời gian giảm tốc | 0.01 – 3000 sec | 10.0 (EU) 10.0 (USA) |
F001 | Output frequency setting Cài đặt tần số đầu ra | 0.0 – 400Hz | 0.0 (EU) 0.0 (USA) |
F004 | DIG-RUN Hướng chạy phím RUN trên bàn phím | 00: Thuận 01: Nghịch | 00 (EU) 00 (USA) |
B082 | Start frequency adjustment Điều chỉnh tần số bắt đầu | 0.5 – 9.9 Hz | 0.5 (EU) 0.5 (USA) |
2.6 Thông số biến tần Hitachi X200 cơ bản(4)
B091 | Stop mode selection Lựa chọn chế độ dừng | 00: Dừng giảm tốc 01: Dừng tự do | 00 (EU) 00 (USA) |
B092 | Cooling fan control Điều khiển quạt làm mát | 00: Quạt luôn luôn bật 01: Quạt chạy khi RUN, dừng khi STOP02: Quạt được kiểm soát bằng nhiệt độ | 00 (EU) 00 (USA) |
C101 | Up/Down memory mode selection Lựa chọn chế độ bộ nhớ UP/DOWN | 00: Xóa tần số cuối cùng (trở về tần số mặc định F001) 01: Điều chỉnh tần số cuối cùng bằng UP/DOWN | 00 (EU) 00 (USA) |
B083 | Carrier frequency setting Cài đặt tần số sóng mang | 2,0 – 12,0 kHz | 3.0 (EU) 3.0 (USA) |
- Và còn nhiều tham số khác chúng tôi không cập nhật lên đây. Nếu các bạn không xử lý được hãy liên hệ với chúng tôi để được hỗ trợ và xử lý một cách nhanh nhất.
3. Bảng mã lỗi biến tần Hitachi X200 (1)
Thông số biến tần Hitachi X200
Mã lỗi | Loại lỗi | Nguyên nhân | Khắc phục |
E01 | Quá dòng khi tốc độ không đổi |
|
|
E02 | Quá dòng khi giảm tốc |
|
|
E03 | Quá dòng khi tăng tốc |
|
|
3.1 Bảng mã lỗi biến tần Hitachi X200 (2)
Mã lỗi | Loại lỗi | Nguyên nhân | Khắc phục |
E04 | Quá dòng với điều kiện khác |
|
|
E05 | Bảo vệ quá tải |
|
|
3.2 Bảng mã lỗi biến tần Hitachi X200 (3)
E07 | Bảo vệ quá điện áp |
|
|
E08 | Lỗi EEPROM |
|
|
| E09 | Dưới điện áp |
|
|
| E14 | Lỗi chạm đất |
|
|
3.3 Bảng mã lỗi biến tần Hitachi X200 (4)
E11 | Lỗi CPU (*5) |
| |
E15 | Bảo vệ quá áp đầu vào |
|
|
E60 | Lỗi giao tiếp |
|
|
E30 | Lỗi trình điều khiển |
|
|
- Và còn nhiều lỗi khác chúng tôi không cập nhật lên đây. Nếu các bạn không xử lý được hãy liên hệ với chúng tôi để được hỗ trợ và xử lý một cách nhanh nhất.
4. Liên hệ
Thông số biến tần Hitachi X200
Liên hệ với chúng tôi để được hướng dẫn cài đặt thông số biến tần Hitachi X200 miễn phí và nhanh nhất.
Nếu bạn đang có nhu cầu cần mua hay báo giá thiết bị tự động hóa hoặc cần tư vấn thêm thì hãy liên hệ ngay với chúng tôi để được hỗ trợ một cách tận tâm, nhanh chóng và hiệu quả nhé!
CÔNG TY CỔ PHẦN GIẢI PHÁP TỰ ĐỘNG HÓA TRÍ VIỆT
- Địa Chỉ Hồ Chí Minh: 36/6 đường số 4, khu phố 5, phường An Lạc A, quận Bình Tân, thành phố Hồ Chí Minh.
- Địa Chỉ Hà Nội: 41/M2, KĐT mới Yên Hòa, phường Yên Hòa, quận Cầu Giấy, thành phố Hà Nội
- DĐ: 0984868617
- Email: trivietautomation.info@gmail.com
- MST: 0316876097
- Website: www.triviettech.com.vn – www.tudonghoatriviet.com
- Giờ làm việc: T2 – CN / 7:30 AM – 5:00 PM






















