Series SF-G là bộ sản phẩm có khả năng chạy quá tải lên đến 150% trong vòng 60s hoặc 200% trong vòng 60s. Hiện nay, biến tần Shihlin SF-G được phân phối rộng rãi trên thị trường Việt Nam. Shihlin SF đã và đang thay thế đổi mới bộ phận thiết bị trong các doanh nghiệp, do chức năng mở rộng và dễ sử dụng.
1. Tổng quan
Thông số biến tần Shihlin SF-G

1.1 Thông số biến tần Shihlin SF-G
- Biến tần Shihlin SF-G là dòng biến tần đa năng thế hệ mới, được thiết kế theo chuẩn Châu Âu với thông số kỹ thuật và ưu điểm như sau:
- Điện áp ngõ vào:
- 3 phase 180-264V 5.5-55kW
- 3 phase 342-526V 5.5-160kW
- Tần số ngõ vào: 50Hz/60Hz
- Điện áp ngõ ra tối đa:
- 3 phase 0-240V
- 3 phase 0-480V
- Tần số ngõ ra: 0.2-400Hz
- Sử dụng công nghệ điều khiển vector thông minh giúp nâng cao hiệu năng làm việc.
- Hoạt động ổn định ngay cả trong trường hợp quá tải 200% chỉ trong vòng 1s.
- Hỗ trợ chức năng điều khiển PID, Soft PWM giúp nâng cao độ chính xác khi vận hành.
- Hỗ trợ giao thức truyền thông RS485 và Shihlin, đồng thời cung cấp phần mềm chuyên dụng cho biến tần Shihlin.
- Khả năng lưu trữ tới 12 lỗi cảnh báo gần đây nhất giúp cho việc giám sát được thuận lợi hơn.
- Cơ chế điều khiển theo các bước chương trình
- Cho phép sao lưu dữ liệu cài đặt giữa các biến tần cùng loại với nhau.
- Có khả năng thay đổi chế độ hoạt động giữa loại tải nhẹ với tải nặng bằng việc cài đặt tham số
- Khả năng tích hợp cao với nhiều loại module mở rộng khác nhau.
1.2 Ứng dụng của biến tần Shihlin SF-G
Thông số biến tần Shihlin SF-G
- Biến tần Shihlin SF-G phù hợp với hầu hết các ứng dụng tải nhẹ, trung bình và nặng phổ biến tại Việt Nam như:
- Máy nâng hạ, máy đùn nhựa, máy đánh bóng, máy xẻ gỗ, máy cắt, máy CNC, máy hàn, điều khiển máy bơm ổn định áp suất cho hệ thống cấp nước,…
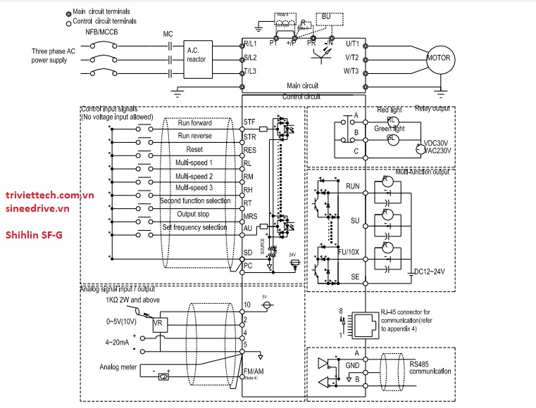
2. Sơ đồ điều khiển và cài đặt các thông số biến tần Shihlin SF-G
2.1 Sơ đồ điều khiển
Thông số biến tần Shihlin SF-G

- 9 chân đầu vào chức năng: STF, STR, RES, RL, RM, RH, RT, MRS, AU
- 2 cổng đầu vào analog: 2, 4 ( 0 ~ 5V, 0 ~ 10V hoặc 4 ~ 20mA )
- 1 cổng đầu ra xung: FM/AM
- 1 relay output
- 1 cổng truyền thông modbus RS-485
- Và nhiều chân chức năng khác
2.2 Trả về mặc định nhà máy
Thông số biến tần Shihlin SF-G
Thông số | Phạm vi | Tên | Nội dung | Mặc định |
P.287 P.281 | 0~1 0~1 | Bảo vệ ngắn mạch ngõ ra Bảo vệ mất pha ngõ vào | 0: Không bảo vệ 1: Bảo vệ | 1 |
P.996~P.999 | 0~4 | Phục hồi mặc định nhà máy | 0: Off 1: Xóa hồ sơ lỗi (P.996=1) 2: Reset biến tần (P.997=1) 3: Khôi phục mặc định nhà máy (P.998=1) 4: Khôi phục một số thông số về mặc định 1 (P.999=1) | 0 |
P.295 | 0~65535 | Thiết lập mật khẩu | 0 |
2.3 Thông số biến tần Shihlin SF-G cơ bản (1)
Thông số biến tần Shihlin SF-G
P.71 | 0 ~ 1 | Kiểu dừng | 0: Dừng tự do 1: Dừng có hãm | 1 |
| P.79 | 0 ~ 8 | Lựa chọn chế độ hoạt động | 0: Chế độ “PU mode“, “external mode“ và “JOG mode” là có thể hoán đổi cho nhau. 1: Chế độ “PU mode“ và “JOG mode” là có thể hoán đổi cho nhau. 2: Chỉ chế độ bên ngoài 3: Chỉ chế độ giao tiếp truyền thông 4: Chế độ kết hợp 1 5: Chế độ kết hợp 2 6: Chế độ kết hợp 3 7: Chế độ kết hợp 4 8: Chế độ kết hợp 5 | 0 |
P.19 | 0~1000V 99999 | Điện áp ngõ ra biến tần | Cài đặt theo giá trị định mức của động cơ Điện áp ngõ ra bằng với điện áp ngõ vào | 99999 |
P.9 | 0 ~ 500A | Chống quá dòng cho động cơ | Khi dòng điện qua động cơ vượt mức P.9 thì biến tần sẽ báo lỗi và dừng lại | model |
2.4 Thông số biến tần Shihlin SF-G cơ bản (2)
Thông số biến tần Shihlin SF-G
P.78 | 0 ~ 2 | Lựa chọn chiều quay | 0: Quay được cả 2 chiều 1: Chống quay nghịch 2: Chống quay thuận | 0 |
P.186 | 0 ~ 1 | Lựa chọn kiểu tải cho động cơ | 0: Tải nhẹ thường dùng cho quạt, bơm nước 1: Tải nặng | 0 |
P.189 | 0 ~ 1 | Lựa chọn tần số hệ thống | 0: 60Hz 1: 50Hz | 1 |
P.15 | 0 ~ 400Hz | Tần số Jog | 5Hz |
2.5 Thông số biến tần Shihlin SF-G cơ bản(3)
Thông số biến tần Shihlin SF-G
P.1 | 0~120Hz | Tần số lớn nhất | Nhỏ hơn hoặc bằng 55KW Lớn hơn hoặc bằng 75KW | 120.00Hz 60.00Hz |
P.2 | 0~120Hz | Tần số nhỏ nhất | 0~120.00Hz | 0.00Hz |
P.7 | 0~360.00s 0~3600.0s | Thời gian tăng tốc | Thời gian tăng tốc động cơ | 20.00s |
P.8 | 0~360.00s 0~3600.0s | Thời gian giảm tốc | Loại 7.5KW trở xuống Loại 11KW trở lên | 10.00s 30.00s |
- Và còn nhiều tham số khác chúng tôi không cập nhật lên đây. Nếu các bạn không xử lý được hãy liên hệ với chúng tôi để được hỗ trợ và xử lý một cách nhanh nhất.
3. Bảng mã lỗi biến tần Shihlin SF-G (1)
Thông số biến tần Shihlin SF-G
Mã lỗi | Loại lỗi | Nguyên nhân | Khắc phục |
ERROR | ERROR |
|
|
OC0 | Quá dòng khi dừng lại |
|
|
OC1 | Quá dòng khi tăng tốc |
|
|
3.1 Bảng mã lỗi biến tần Shihlin SF-G (2)
Thông số biến tần Shihlin SF-G
Mã lỗi | Loại lỗi | Nguyên nhân | Khắc phục |
OC2 | Quá dòng khi đang chạy |
|
|
OC3 | Quá dòng khi giảm tốc |
|
|
OV0 | Quá áp khi đang dừng |
|
|
3.2 Bảng mã lỗi biến tần Shihlin SF-G (3)
Thông số biến tần Shihlin SF-G
OV1 | Quá áp khi tăng tốc |
|
|
OV2 | Quá áp khi tốc độ không đổi |
|
|
| OV3 | Quá áp khi giảm tốc |
|
|
| THN | Động cơ quá nóng |
|
|
3.3 Bảng mã lỗi biến tần Shihlin SF-G(4)
Thông số biến tần Shihlin SF-G
FAN | Báo lỗi quạt |
|
|
OLS | Động cơ quá tải |
|
|
THT | Module IGBT quá nóng |
|
|
NTC | Module quá nóng |
|
|
- Và còn nhiều lỗi khác chúng tôi không cập nhật lên đây. Nếu các bạn không xử lý được hãy liên hệ với chúng tôi để được hỗ trợ và xử lý một cách nhanh nhất.
4. Liên hệ
Thông số biến tần Shihlin SF-G
Liên hệ với chúng tôi để được hướng dẫn cài đặt thông số biến tần Shihlin SF-G miễn phí và nhanh nhất.
Nếu bạn đang có nhu cầu cần mua hay báo giá thiết bị tự động hóa hoặc cần tư vấn thêm thì hãy liên hệ ngay với chúng tôi để được hỗ trợ một cách tận tâm, nhanh chóng và hiệu quả nhé!
CÔNG TY CỔ PHẦN GIẢI PHÁP TỰ ĐỘNG HÓA TRÍ VIỆT
- Địa Chỉ Hồ Chí Minh: 36/6 đường số 4, khu phố 5, phường An Lạc A, quận Bình Tân, thành phố Hồ Chí Minh.
- Địa Chỉ Hà Nội: 41/M2, KĐT mới Yên Hòa, phường Yên Hòa, quận Cầu Giấy, thành phố Hà Nội
- DĐ: 0984868617
- Email: trivietautomation.info@gmail.com
- MST: 0316876097
- Website: www.triviettech.com.vn – www.tudonghoatriviet.com
- Giờ làm việc: T2 – CN / 7:30 AM – 5:00 PM






















