Biến tần Shihlin SE3 là dòng biến tần tầm trung của hãng Shihlin, với xuất xứ Đài Loan, biến tần Shihlin SE3 có độ bền cao, ngoại hình cứng cáp, giá thành vừa phải nên rất được chế tạo máy tin dùng
1. Tổng quan
Thông số biến tần Shihlin SE3

1.1 Thông số biến tần Shihlin SE3
- Biến tần Shihlin SE3 là dòng biến tần đa năng thế hệ mới, được thiết kế theo chuẩn Châu Âu với thông số kỹ thuật và ưu điểm như sau:
Dải công suất: 0.4kW-15kW
Điện áp đầu vào:
- Ngõ vào: 1 pha AC 200 – 240V, 50/60Hz
- Ngõ vào: 3 pha AC 380 – 480V, 50/60Hz
- Điện áp đầu ra:
- 3 pha AC 200 – 240V
- 3 pha AC 380 – 480V
- Tần số đầu ra: 0 – 1500Hz
- Khả năng quá tải: 150% trong 60s (tải nặng), 200% trong 3s; 120% trong 60s (tải thường)
- Hiệu suất cao và nhỏ gọn
- Mô -men xoắn khởi động: 200% ở 0.5HZ
- Hỗ trợ động cơ IM và điều khiển động cơ PM
- Tích hợp chức năng kiểm soát mô-men xoắn, kiểm soát vị trí, kiểm soát tốc độ
- Chức năng PLC tích hợp có thể tự chỉnh sửa chương trình/ tích hợp 12 bộ lịch sử cảnh báo
- Điều khiển mô-men xoắn/ tốc độ/ lực căng + thẻ PG (dùng chung với SA3)
- Modbus truyền thông (tích hợp sẵn) + thẻ mở rộng (Profibus / DeviceNet / CanOpen / EtherCAT (ra mắt gần đây))
- Thiết kế ống gió biệt lập cải thiện khả năng chống chịu với môi trường
- Cơ chế bảo vệ mạnh mẽ: ngắn mạch đầu ra, quá dòng, quá áp, thấp áp, quá nhiệt động cơ, quá nhiệt module lỗi IGBT…
1.2 Ứng dụng của biến tần Shihlin SE3
Thông số biến tần Shihlin SE3
- Biến tần Shihlin SE3 phù hợp với hầu hết các ứng dụng tải nặng yêu cầu khả năng quá tải cao, mô-men thay đổi đột ngột:
Máy nâng hạ, cầu trục, tời, cẩu
Máy nghiền, máy cán
Máy khuấy ly tâm
Máy nghiền, máy trộn
Máy cán kéo dây cáp điện
Máy ngành thép, tôn
Máy mài, máy tiện, máy CNC
Các loại tải nhẹ: băng tải, bơm, quạt, máy đánh bóng, gia công cơ khí ….
Các loại tải nặng: máy ép, máy nghiền, khí nén, cẩu trục nâng hạ…
Các loại tải đặc thù: máy khắc CNC tốc độ cao, máy quấn dây chỉnh lực căng v…v
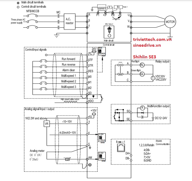
2. Sơ đồ điều khiển và cài đặt các thông số biến tần Shihlin SE3
2.1 Sơ đồ điều khiển
Thông số biến tần Shihlin SE3

- 6 chân đầu vào chức năng: STF, STR, RES, M0 —> M2
- 2 cổng đầu vào analog: 2, 4 ( 0 ~ 5V, 0 ~ 10V hoặc 4 ~ 20mA )
- 1 cổng đầu ra analog: AM ( 0 ~ 10V )
- 1 relay output
- 1 cổng truyền thông modbus RS-485
- Và nhiều chân chức năng khác
2.2 Trả về mặc định nhà máy
Thông số biến tần Shihlin SE3
Thông số | Phạm vi | Tên | Nội dung | Mặc định |
P.294 | 0~65535 | Mật khẩu tham số | 0 | |
P.996~P.999 | 0~6 | Phục hồi mặc định nhà máy | 0: Off 1: Xóa hồ sơ lỗi (P.996=1) 2: Reset biến tần (P.997=1) 3: Khôi phục mặc định nhà máy (P.998=1) 4: Khôi phục một số thông số về mặc định 1 (P.999=1) 5: Khôi phục một số thông số về mặc định 2 (P.999=2) 6: Khôi phục một số thông số về mặc định 3 (P.999=3) | 0 |
P.295 | 2~65535 | Thiết lập mật khẩu | 0 |
2.3 Thông số biến tần Shihlin SE3 cơ bản (1)
P.72 | 1 ~ 15kHz | Tần số sóng mang | 5.0 kHz | |
| P.79 | 0 ~ 8 | Lựa chọn chế độ hoạt động | 0: Chế độ “PU mode“, “external mode“ và “JOG mode” là có thể hoán đổi cho nhau. 1: Chế độ “PU mode“ và “JOG mode” là có thể hoán đổi cho nhau. 2: Chỉ chế độ bên ngoài 3: Chỉ chế độ giao tiếp truyền thông 4: Chế độ kết hợp 1 5: Chế độ kết hợp 2 6: Chế độ kết hợp 3 7: Chế độ kết hợp 4 8: Chế độ kết hợp 5 | 0 |
P.19 | 0~1000V 99999 | Điện áp ngõ ra biến tần | Cài đặt theo giá trị định mức của động cơ Điện áp ngõ ra bằng với điện áp ngõ vào | 99999 |
P.9 | 0 ~ 500A | Chống quá dòng cho động cơ | Khi dòng điện qua động cơ vượt mức P.9 thì biến tần sẽ báo lỗi và dừng lại | 0A |
2.4 Thông số biến tần Shihlin SE3 cơ bản (2)
Thông số biến tần Shihlin SE3
P.302 | 0~650.00 | Công suất định mức động cơ | 0.00kW | |
P.306 | 0~500.00 | Dòng điện định mức của động cơ | model động cơ | |
P.300 | 0 ~ 6 | Lựa chọn chế độ điều khiển động cơ | 0: Điều khiển V/F động cơ cảm ứng 1: Điều khiển V/F vòng kín động cơ cảm ứng (VF + PG) 2: Động cơ cảm ứng điều khiển vector đơn giản 3: Điều khiển vector không cảm biến cho động cơ cảm ứng 4: Điều khiển vector PG động cơ cảm ứng 5: Điều khiển vector PG động cơ đồng bộ 6: Điều khiển vector động cơ đồng bộ không có PG | 0 |
P.15 | 0 ~ 650 | Tần số Jog | 5Hz |
2.5 Thông số biến tần Shihlin SE3 cơ bản(3)
Thông số biến tần Shihlin SE3
P.1 | 0~120Hz | Tần số lớn nhất | Nhỏ hơn hoặc bằng 55KW Lớn hơn hoặc bằng 75KW | 120.00Hz 60.00Hz |
P.2 | 0~120Hz | Tần số nhỏ nhất | 0~120.00Hz | 0.00Hz |
P.7 | 0~360.00s 0~3600.0s | Thời gian tăng tốc | Dưới 3.7KW Trên hoặc bằng 5.5KW | 5.0s 20.0s |
P.8 | 0~360.00s 0~3600.0s | Thời gian giảm tốc | Dưới 3.7KW 5.5 – 7.5KW Trên 7.5KW | 5.0s 10.0s 30.0s |
- Và còn nhiều tham số khác chúng tôi không cập nhật lên đây. Nếu các bạn không xử lý được hãy liên hệ với chúng tôi để được hỗ trợ và xử lý một cách nhanh nhất.
3. Bảng mã lỗi biến tần Shihlin SE3 (1)
Thông số biến tần Shihlin SE3
Mã lỗi | Loại lỗi | Nguyên nhân | Khắc phục |
ERROR | ERROR |
|
|
OC0 | Quá dòng khi dừng lại |
|
|
OC1 | Quá dòng khi tăng tốc |
|
|
3.1 Bảng mã lỗi biến tần Shihlin SE3 (2)
Thông số biến tần Shihlin SE3
Mã lỗi | Loại lỗi | Nguyên nhân | Khắc phục |
OC2 | Quá dòng khi đang chạy |
|
|
OC3 | Quá dòng khi giảm tốc |
|
|
OV0 | Quá áp khi đang dừng |
|
|
3.2 Bảng mã lỗi biến tần Shihlin SE3 (3)
Thông số biến tần Shihlin SE3
OV1 | Quá áp khi tăng tốc |
|
|
OV2 | Quá áp khi tốc độ không đổi |
|
|
| OV3 | Quá áp khi giảm tốc |
|
|
| THN | Động cơ quá nóng |
|
|
3.3 Bảng mã lỗi biến tần Shihlin SE3 (4)
Thông số biến tần Shihlin SE3
CPU | Lỗi CPU |
|
|
SCP | Quá dòng |
|
|
THT | Module IGBT quá nóng |
|
|
NTC | Module quá nóng |
|
|
- Và còn nhiều lỗi khác chúng tôi không cập nhật lên đây. Nếu các bạn không xử lý được hãy liên hệ với chúng tôi để được hỗ trợ và xử lý một cách nhanh nhất.
4. Liên hệ
Thông số biến tần Shihlin SE3
Liên hệ với chúng tôi để được hướng dẫn cài đặt thông số biến tần Shihlin SE3 miễn phí và nhanh nhất.
Nếu bạn đang có nhu cầu cần mua hay báo giá thiết bị tự động hóa hoặc cần tư vấn thêm thì hãy liên hệ ngay với chúng tôi để được hỗ trợ một cách tận tâm, nhanh chóng và hiệu quả nhé!
CÔNG TY CỔ PHẦN GIẢI PHÁP TỰ ĐỘNG HÓA TRÍ VIỆT
- Địa Chỉ Hồ Chí Minh: 36/6 đường số 4, khu phố 5, phường An Lạc A, quận Bình Tân, thành phố Hồ Chí Minh.
- Địa Chỉ Hà Nội: 41/M2, KĐT mới Yên Hòa, phường Yên Hòa, quận Cầu Giấy, thành phố Hà Nội
- DĐ: 0984868617
- Email: trivietautomation.info@gmail.com
- MST: 0316876097
- Website: www.triviettech.com.vn – www.tudonghoatriviet.com
- Giờ làm việc: T2 – CN / 7:30 AM – 5:00 PM






















