Thông số biến tần Senlan SB70G
Biến tần Senlan SB70G là biến tần xoay chiều có dải công suất lớn, rất phù hợp cho mọi ứng dụng đòi hỏi sự bền bỉ và vận hành linh hoạt, độ chính xác và công suất cao.
1. Tổng quan

1.1 Tính năng của biến tần Senlan SB70G
Thông số biến tần Senlan SB70G
- Biến tần Senlan SB70G với dải điện áp đầu vào cho phép:
- Điện áp: 320~ 420V; độ không cân bằng< 3%; tần số:47~ 63 Hz
- Điện áp đầu ra:
- 3-pha, 0V~điện áp vào, sai số< 5%..
- Tần số ra:
- Điều khiển V/F: 0.00~ 650.00Hz
- Điều khiển Vector: 0.00~ 200.00Hz
- Momen quay khởi động:
- Không ít hơn 150% mô men định mức tại 0.50Hz
- Khả năng quá tải:
- 150% dòng định mức trong 1 phút
- Truyền thông:
- Cổng RS485 gắn trong hỗ trợ giao thức Modbus và lệnh USS
- Tính năng bảo vệ:
- Quá dòng, quá áp, thiếu áp, mất pha đầu vào đầu ra, ngắn mạch đầu ra, quá nhiệt, quá tải động cơ, sự cố bên ngoài, đầu vào analog đứt dây, phòng mất tốc độ…
- Cấp độ bảo vệ: IP20
- Và còn nhiều tính năng khác
1.2 Ưu điểm của biến tần Senlan SB70G
Thông số biến tần Senlan SB70G
- Phương pháp điều khiển vector với rotor độ chính xác cao, có khả năng điều khiển 290% mô men xoắn tức thời.
- Chức năng vận hành PLC đa dạng độc đáo, đặc biệt phù hợp với các thiết bị giặt tẩy công nghiệp, thiết bị sản xuất.
- Chức năng PID lớn:
- 2 bộ tham số, có thể tiến hành lọc tham số căn cứ vào tần số vận hành, nhiều các hiệu chỉnh, đáp ứng nhu cầu kiểm soát đồng bộ độ căng của của máy kéo sợi ngành dệt, sản xuất giấy, nhuộm in…; máy có chức năng PID tự do, có thể thay thế bộ điều khiển PID bên ngoài.
- Đa chức năng thực dụng như:
- cung cấp mã số, trực tiếp, phương thức lựa chọn tăng thêm hoặc riêng biệt, đặc biệt phù hợp ngành ứng dụng công nghiệp sưởi ấm.
- Có module để người sử dụng lập trình.
- Thiết kế đầy đủ thiết kế thon gọn để tiết kiệm không gian lắp đặt. Phần mềm chuẩn đoán lỗi sự cố của quạt.
- Thuận tiện cho việc bảo vệ.
1.3 Ứng dụng của biến tần Senlan SB70G
Thông số biến tần Senlan SB70G
- Biến tần Senlan SB70 được sử dụng trong các ngành luyện kim, dầu khí, công nghiệp hóa chất, dệt may, điện lực, vật liệu xây dựng, khai thác than, y dược, thực phẩm, giấy, ngành nhựa, in nhuộm, máy nâng, dây cáp, tẩy rửa, cấp nước, xử lí nước thải cho các thiết bị như: máy kéo sợi, máy trộn, máy đùn, máy thu cuộn, compressor, quạt gió, các loại bơm, máy mài, băng tải, máy nâng, máy ly tâm.
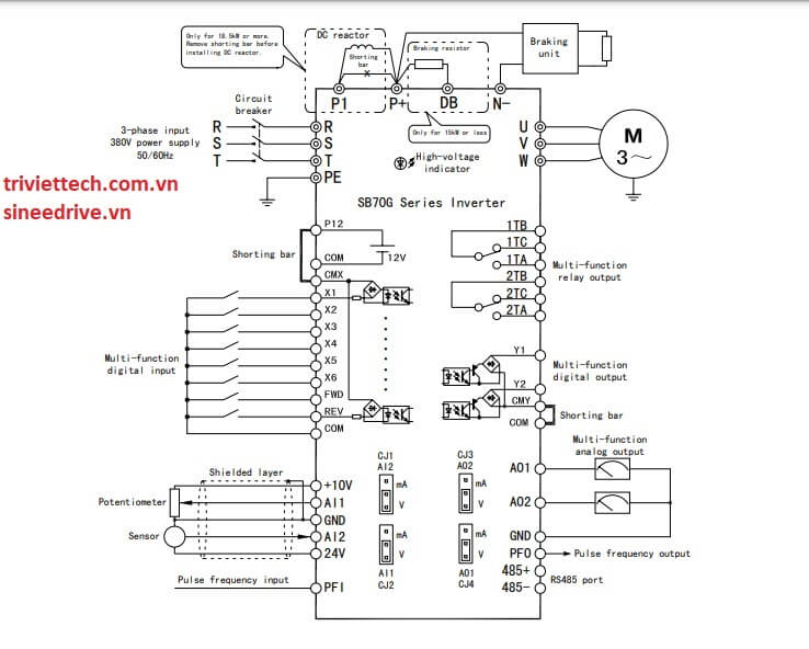
2. Sơ đồ điều khiển và cài đặt các thông số biến tần Senlan SB70G
2.1 Sơ đồ điều khiển
Thông số biến tần Senlan SB70G

- Đầu vào kỹ thuật số: FWD, REV, X1 -> X6
- Chiết áp tham chiếu: GND, AI1, +10V
2.2 Trả về mặc định nhà máy
Thông số biến tần Senlan SB70G
F0-11 | Khôi phục cài đặt gốc | 11:Tất cả các tham số về mặc định nhà máy 22:Tất cả các tham số về mặc định nhà máy, trừ tham số truyền thông | 00 |
2.3 Thông số biến tần Senlan SB70G cơ bản(1)
Tham | Mô tả | Phạm vi cài đặt và giải thích | Giá trị |
Fd-00 | Chép tham số | 11:Tham số từ biến tần tải lên bàn phím 22:Tham số từ bàn phím tải xuống biến 33:Xác nhận tham số bàn phím giống 44:Xóa tham số lưu trên bàn | 00 |
| F0-00 | Đặt tần số nền | 0.00Hz~F0-06 | 50.00Hz |
| F0-01 | Lựa chọn nguồn tần số | 0:F0-00 sử dụng tần số nền 1:Đặt bởi truyền thông Modbus 2:Giá trị chỉnh UP / DOWN 3:AI1 4:AI2 5:PFI 6 —> 9:Đơn vị Số học 1—> 4 10:biến trở bàn phím | 0 |
2.4 Thông số biến tần Senlan SB70G cơ bản(2)
Thông số biến tần Senlan SB70G
F0-02 | Lựa chọn nguồn điều khiển | 0:Bàn phím 1:Lệnh chạy ngoài 2:Truyền thông | 0 |
F0-03 | Kiểu giữ tần số đặt | Hàng đơn vị:Chọn lưu khi mất điện 0:Tần số thay đổi bởi nút tăng giảm hoặc 1:Tần số thay đổi bởi nút tăng giảm hoặc Hàng chục:Chọn giữ dừng máy 0:Giữ Tần số đặt bởi nút tăng giảm hoặc 1:Tần số đặt bởi nút tăng giảm hoặc truyền | 00 |
F0-06 | Tần số MAX |
| 50.00Hz |
F0-07 | Tần số giới hạn trên | F0-08~F0-06 | 50.00Hz |
2.5 Thông số biến tần Senlan SB70G cơ bản(3)
Thông số biến tần Senlan SB70G
F0-08 | Tần số giới hạn dưới | 0.00Hz~F0-07 | 0.00 Hz |
F0-09 | Khóa chiều quay | 0:Được cả 2 chiều 1:Khóa chiều thuận 2:Khóa chiều ngược | 0 |
F0-12 | Kiểu điều khiển động cơ | 0:Điều khiển V/F không PG 1:Điều khiển V/F có PG 2:Điều khiển vectơ không PG 3:Điều khiển vectơ có PG 4:Điều khiển V/F phân ly | 0 |
F1-00 | Thời gian tăng tốc 1 | 0.01~3600.0s
| Theo |
2.6 Thông số biến tần Senlan SB70G cơ bản(4)
Thông số biến tần Senlan SB70G
F1-01 | Thời gian giảm tốc 1 | 0.01~3600.0s
| Theo |
F1-25 | Chế độ dừng | 0:Dừng giảm tốc 1:Dừng tự do 2:Dừng giảm tốc và hãm DC 3:Giảm tốc và trễ hãm | 0 |
F2-13 | Điện áp ra lớn nhất |
|
|
Fb-29 | Tần số sóng mang |
|
|
3. Bảng mã lỗi biến tần Senlan SB70G(1)
Thông số biến tần Senlan SB70G
Mã lỗi | Loại lỗi | Nguyên nhân | Khắc phục |
Er.ocb(1) | Quá dòng lúc khởi động |
|
|
Er.ocA(2) | Quá dòng lúc tăng tốc |
|
|
Er.ocd(3) | Quá dòng lúc giảm tốc |
|
|
3.1 Bảng mã lỗi biến tần Senlan SB70G(2)
Thông số biến tần Senlan SB70G
Er.PLI(10) | Mất pha đầu vào |
|
|
Er.PLo(11) | Mất pha đầu ra |
|
|
Er.oHI(13) | Biến tần quá nhiệt |
|
|
Er.oLI(14) | Quá tải biến tần |
|
|
- Và còn nhiều lỗi khác chúng tôi không cập nhật lên đây. Nếu các bạn không xử lý được hãy liên hệ với chúng tôi để được hỗ trợ và xử lý một cách nhanh nhất.
4. Liên hệ
Thông số biến tần Senlan SB70G
Liên hệ với chúng tôi để được hướng dẫn cài đặt thông số biến tần Senlan SB70G miễn phí và nhanh nhất.
Nếu bạn đang có nhu cầu cần mua hay báo giá thiết bị tự động hóa hoặc cần tư vấn thêm thì hãy liên hệ ngay với chúng tôi để được hỗ trợ một cách tận tâm, nhanh chóng và hiệu quả nhé!
CÔNG TY CỔ PHẦN GIẢI PHÁP TỰ ĐỘNG HÓA TRÍ VIỆT
- Địa Chỉ Hồ Chí Minh: 36/6 đường số 4, khu phố 5, phường An Lạc A, quận Bình Tân, thành phố Hồ Chí Minh.
- Địa Chỉ Hà Nội: 41/M2, KĐT mới Yên Hòa, phường Yên Hòa, quận Cầu Giấy, thành phố Hà Nội
- DĐ: 0984868617
- Email: trivietautomation.info@gmail.com
- MST: 0316876097
- Website: www.triviettech.com.vn – www.tudonghoatriviet.com
- Giờ làm việc: T2 – CN / 7:30 AM – 5:00 PM






















