Biến tần Rexroth VFC5610 là một sản phẩm chất lượng cao của Bosch Rexroth, một trong những công ty hàng đầu trong lĩnh vực tự động hóa và công nghệ điều khiển. Biến tần VFC5610 được thiết kế để điều khiển tốc độ và động cơ của các ứng dụng công nghiệp, đặc biệt là trong lĩnh vực tự động hóa và điều khiển máy móc.
1. Tổng quan
Thông số biến tần Rexroth VFC5610

1.1 Thông số biến tần Rexroth VFC5610
- Biến tần Rexroth VFC5610 là dòng biến tần đa năng thế hệ mới, được thiết kế theo chuẩn Châu Âu với thông số kỹ thuật và ưu điểm như sau:
- Dải công suất:
- 1P, 220VAC, công suất 0.4 – 2.2kW
- 3P, 380VAC, công suất 0.4 – 355kW
- Tần số đầu ra : 0 ~ 400 Hz
- Khả năng chịu quá tải :
- Tải nặng : 150% trong 60 giây
- Tải thường : 120% trong 60 giây
- Mô men xoắn khởi động : 0.5Hz tại 100%
- Loại biến tần điều khiển vector hiệu suất cao, nhiều chức năng thông minh như:
- Thiết kế hiện đại, chắc chắn với công nghệ Đức
- Kích thước nhỏ gọn, khả năng lắp liền kề với giá lắp thanh ray nhôm
- Bảo vệ động cơ chạy không tải quá thời gian
- Bảo vệ và chống rò rỉ ở đường ống hay két dầu
- Khả năng chịu tải lên đến 150% định mức trong 60 giây
- Điều khiển v/f chính xác, khả năng đáp ứng động cao
- Điều khiển mô men không cần bộ mã hóa ở chế độ SVC ( dành riêng cho dòng VFC5610 )
- Điều khiển tốc độ chính xác cho các ứng dụng động cao, thời gian phản hồi nhanh
- Quạt làm mát hiệu quả, có thể tháo rời bảo trì và thay thế ( dưới 0.75kW, không có quạt làm mát
- Module mở rộng chuẩn truyền thông Sercos III protocol, Ethernet, Filedbus
- Chế độ dự phòng, giúp khả năng vận hành liên tục khi mất nguồn
- Hệ thống chạy luôn ổn định, bền bỉ, ít bị sự cố
1.2 Ứng dụng của biến tần Rexroth VFC5610
Thông số biến tần Rexroth VFC5610
- Biến tần Rexroth VFC 5610 có nhiều ứng dụng rộng rãi trong nhiều ngành công nghiệp khác nhau do tính linh hoạt, hiệu suất và tính năng đa dạng:
- Công nghiệp sản xuất: Biến tần Rexroth VFC 5610 có thể được sử dụng để điều khiển tốc độ của máy móc và thiết bị trong quy trình sản xuất, bao gồm máy cắt, máy ép, máy đùn nhựa, máy in ấn và nhiều ứng dụng khác.
- Ứng dụng biến đổi tốc độ động cơ: Các ứng dụng như thang máy, cầu trục và thang cuốn có thể sử dụng biến tần để điều khiển tốc độ động cơ.
- Trong các ứng dụng đòi hỏi thay đổi tốc độ và áp suất như: máy gia công kim loại và máy cắt plasma, biến tần có khả năng kiểm soát động cơ để đạt được hiệu suất tối ưu.
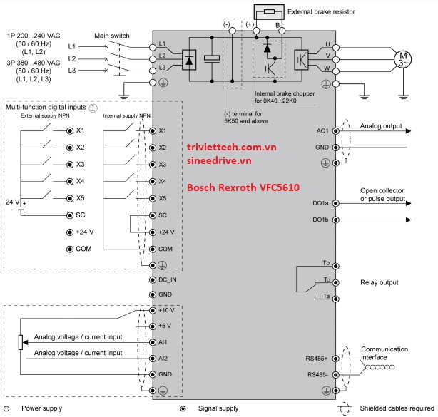
2. Sơ đồ điều khiển và cài đặt các thông số biến tần Rexroth VFC5610
2.1 Sơ đồ điều khiển
Thông số biến tần Rexroth VFC5610

- 5 chân đầu vào chức năng: X1—> X5
- 1 cổng xung đầu vào X5
- 2 cổng đầu vào analog: AI1, AI2 ( 0 ~ 10V hoặc 0 ~ 20mA )
- 1 cổng đầu ra analog: AO1 ( 0 ~ 10V hoặc 0 ~ 20mA )
- 1 relay output
- 1 cổng truyền thông modbus RS-485
- Và nhiều chân chức năng khác
2.2 Trả về mặc định nhà máy
Thông số biến tần Rexroth VFC5610
b0.10 | Reset biến tần Rexroth VFC5610 Khởi tạo tham số | 0: Không hoạt động 1: Khôi phục mặc định nhà máy 2: Xóa hồ sơ lỗi | 0 |
b0.00 | Cài đặt quyền truy cập | 0: Thông số cơ bản 1: Thông số tiêu chuẩn 2: Thông số nâng cao 3: Thông số khởi động 4: Thông số được sửa đổi | 0 |
b0.11 | Sao chép tham số | 0: Không hoạt động 1: Sao chép tham số từ biến tần qua bảng điều khiển 2: Khôi phục tham số từ bảng điều khiển | 0 |
b0.20 b0.21 | Mật khẩu người dùng Mật khẩu nhà sản xuất | 0 – 65,535 0 – 65,535 | 0 0 |
2.3 Thông số biến tần Rexroth VFC5610 cơ bản (1)
Thông số biến tần Rexroth VFC5610
Tham | Mô tả | Phạm vi cài đặt và giải thích | Giá trị |
E0.00 | Nguồn tần số đầu tiên | 0: Chiết áp bàn phím 1: Nút nhấn bảng điều khiển 2: AI1 3: AI2 4: EAI 10: Đầu vào xung X5 11: Đầu vào kỹ thuật số UP/DOWN 20: Giao tiếp truyền thông 21: Tần số đa cấp | 0 |
| E0.01 | Nguồn lệnh chạy đầu tiên | 0: Bảng điều khiển | 0 |
| E0.07 | Cài đặt tần số kỹ thuật số | 0.00…[E0.09] Hz | 50.00Hz |
2.4 Thông số biến tần Rexroth VFC5610 cơ bản (2)
Thông số biến tần Rexroth VFC5610
E0.08 | Tần số Max | 50.00…400.00 Hz | 50.00Hz |
E0.09 | Tần số ngưỡng trên | [E0.10]…[E0.08] Hz | 50.00Hz |
E0.10 | Tần số ngưỡng dưới | 0.00…[E0.09] Hz | 0.00Hz |
E0.17 | Hướng chạy | 0: Chạy thuận/ nghịch 1: Chỉ chạy thuận 2: Chỉ chạy nghịch 3: Hoán đổi hướng mặc định | 0 |
2.5 Thông số biến tần Rexroth VFC5610 cơ bản(3)
E0.26 | Thời gian tăng tốc | 0.1…6,000.0 s | 5.0s |
E0.27 | Thời gian giảm tốc | 0.1…6,000.0 s | 5.0s |
C0.00 | Chế độ điều khiển | 0 | |
E0.50 | Chế độ dừng | 0: Dừng giảm tốc | 0 |
- Và còn nhiều tham số khác chúng tôi không cập nhật lên đây. Nếu các bạn không xử lý được hãy liên hệ với chúng tôi để được hỗ trợ và xử lý một cách nhanh nhất.
3. Bảng mã lỗi biến tần Rexroth VFC5610 (1)
Thông số biến tần Rexroth VFC5610
Mã lỗi | Loại lỗi | Nguyên nhân | Khắc phục |
OE-4 | Quá điện áp khi dừng |
|
|
UE-1 | Điện áp thấp khi chạy |
| |
SC | Tăng dòng điện hoặc ngắn mạch |
|
|
3.1 Bảng mã lỗi biến tần Rexroth VFC5610 (2)
Thông số biến tần Rexroth VFC5610
Mã lỗi | Loại lỗi | Nguyên nhân | Khắc phục |
OC-2 | Quá dòng khi tăng tốc |
|
|
OC-3 | Quá dòng khi giảm tốc |
|
|
OC-1 | Quá dòng khi tốc độ không đổi |
|
|
3.2 Bảng mã lỗi biến tần Rexroth VFC5610 (3)
OE-2 | Quá áp khi tăng tốc |
|
|
OE-3 | Quá áp khi giảm tốc |
|
|
| OE-1 | Quá áp khi tốc độ không đổi |
|
|
| FF | Lỗi quạt |
|
|
3.3 Bảng mã lỗi biến tần Rexroth VFC5610 (4)
Thông số biến tần Rexroth VFC5610
t-Er | Lỗi điều chỉnh tham số động cơ |
|
|
OL-2 | Động cơ quá tải |
|
|
IPH.L I | Mất pha đầu vào |
|
|
OPH.L | Mất pha đầu ra |
|
|
- Và còn nhiều lỗi khác chúng tôi không cập nhật lên đây. Nếu các bạn không xử lý được hãy liên hệ với chúng tôi để được hỗ trợ và xử lý một cách nhanh nhất.
4. Liên hệ
Thông số biến tần Rexroth VFC5610
Liên hệ với chúng tôi để được hướng dẫn cài đặt thông số biến tần Rexroth VFC5610 miễn phí và nhanh nhất.
Nếu bạn đang có nhu cầu cần mua hay báo giá thiết bị tự động hóa hoặc cần tư vấn thêm thì hãy liên hệ ngay với chúng tôi để được hỗ trợ một cách tận tâm, nhanh chóng và hiệu quả nhé!
CÔNG TY CỔ PHẦN GIẢI PHÁP TỰ ĐỘNG HÓA TRÍ VIỆT
- Địa Chỉ Hồ Chí Minh: 36/6 đường số 4, khu phố 5, phường An Lạc A, quận Bình Tân, thành phố Hồ Chí Minh.
- Địa Chỉ Hà Nội: 41/M2, KĐT mới Yên Hòa, phường Yên Hòa, quận Cầu Giấy, thành phố Hà Nội
- DĐ: 0984868617
- Email: trivietautomation.info@gmail.com
- MST: 0316876097
- Website: www.triviettech.com.vn – www.tudonghoatriviet.com
- Giờ làm việc: T2 – CN / 7:30 AM – 5:00 PM






















