Series biến tần Powtran PI7800 là dòng sản phẩm đa năng có công suất lớn thích hợp với nhiều ứng dụng.
1. Tổng quan
Thông số biến tần Powtran PI7800

1.1 Thông số kỹ thuật và ưu điểm của biến tần Powtran PI7800
Thông số biến tần Powtran PI7800
- Biến tần thông dụng Powtran PI7800 có các thông số kỹ thuật như sau:
- Điện áp vào: 3 pha 380V
- Công suất tương ứng: 15-450Hp
- Khả năng quá tải: 150% trong 60s đối với tải nặng.
- Tần số sóng mang: tối đa lên tới 16KHz
- Tích hợp truyền thông: Modbus RTU( RS-485 )
- Chế độ điều khiển: V/F, Vector vòng kín
- Tần số ngõ ra tối đa: 400Hz
1.2 Ứng dụng của biến tần Powtran PI7800
Thông số biến tần Powtran PI7800
- Powtran PI7800 là dòng biến tần thích hợp cho những ứng dụng như: Bơm quạt, máy nén khí, ép nhựa, ó keo, ép gỗ…
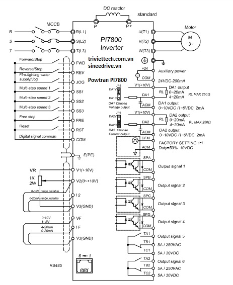
2. Sơ đồ điều khiển và cài đặt các thông số biến tần Powtran PI7800
2.1 Sơ đồ điều khiển
Thông số biến tần Powtran PI7800

- 8 chân đầu vào chức năng FWD —> RST
- 4 cổng đầu vào analog: V2, I2, VF, IF
- 2 cổng đầu ra analog DA1, DA2 ( 0-10V hoặc 4-20mA)
- 1 relay output
- 1 cổng truyền thông modbus RS-485
- Và nhiều chân chức năng khác
2.2 Trả về mặc định nhà máy
Thông số biến tần Powtran PI7800
| Y00 | Restore factory setting Khôi phục cài đặt nhà máy | 0: Không sử dụng 1: Khôi phục nhà máy | 0 |
2.3 Thông số biến tần Powtran PI7800 cơ bản (1)
Thông số biến tần Powtran PI7800
Tham | Mô tả | Phạm vi cài đặt và giải thích | Giá trị |
F01 | Control methods Chế độ chạy | 0: Điều khiển V/F không PG 1: Điều khiển V/F có PG 2: Điều khiển vector có PG | 0 |
| F02 | Set frequency Tần số đặt | Lower frequency~Upper frequency | 50.00Hz |
| F04 | Frequency set mode Nguồn đặt tần số | 0: Cài đặt bằng bàn phím 1: V2 2: I2 3: V2 + I2 4: Điều khiển UP/DOWN 1 5: Chương trình đang chạy 6: Chạy ngang 8: Chiết áp bằng bàn phím | 0 |
2.4 Thông số biến tần Powtran PI7800 cơ bản (2)
Thông số biến tần Powtran PI7800
F05 | Run control mode Chế độ điều khiển chạy | 0: Điều khiển bằng bàn phím + RS-485 1: Lệnh chạy ngoài + bàn phím + RS-485 2: Truyền thông modbus RS-485 3: Lệnh chạy ngoài | 0 |
F09 | Acceleration time 1 Thời gian tăng tốc 1 | 0.1~3200.0 | 10.0s |
F10 | Deceleration time 1 Thời gian giảm tốc 1 | 0.1~3200.0 | 10.0s |
F13 | Max. frequency Tần số lớn nhất | 10.00~300.00Hz | 50.00Hz |
2.5 Thông số biến tần Powtran PI7800 cơ bản(3)
Thông số biến tần Powtran PI7800
F14 | Basic frequency Tần số cơ bản | 5.00~ F13 | 50.00Hz |
F15 | Carrier frequency Tần số sóng mang | 1.0~16.0KHz | Model |
F16 | Lower frequency Tần số giới hạn dưới | 0.00~ F17 | 0.00Hz |
F17 | Upper frequency Tần số giới hạn trên | F16~F13 | 50.00Hz |
- Và còn nhiều tham số khác chúng tôi không cập nhật lên đây. Nếu các bạn không xử lý được hãy liên hệ với chúng tôi để được hỗ trợ và xử lý một cách nhanh nhất.
3. Bảng mã lỗi biến tần Powtran PI7800
Thông số biến tần Powtran PI7800
Mã lỗi | Loại lỗi | Nguyên nhân | Khắc phục |
OL | Overload |
|
|
OU | Over voltage |
|
|
OH | Over heat |
|
|
- Và còn nhiều lỗi khác chúng tôi không cập nhật lên đây. Nếu các bạn không xử lý được hãy liên hệ với chúng tôi để được hỗ trợ và xử lý một cách nhanh nhất.
4. Liên hệ
Thông số biến tần Powtran PI7800
Liên hệ với chúng tôi để được hướng dẫn cài đặt thông số biến tần Powtran PI7800 miễn phí và nhanh nhất.
Nếu bạn đang có nhu cầu cần mua hay báo giá thiết bị tự động hóa hoặc cần tư vấn thêm thì hãy liên hệ ngay với chúng tôi để được hỗ trợ một cách tận tâm, nhanh chóng và hiệu quả nhé!
CÔNG TY CỔ PHẦN GIẢI PHÁP TỰ ĐỘNG HÓA TRÍ VIỆT
- Địa Chỉ Hồ Chí Minh: 36/6 đường số 4, khu phố 5, phường An Lạc A, quận Bình Tân, thành phố Hồ Chí Minh.
- Địa Chỉ Hà Nội: 41/M2, KĐT mới Yên Hòa, phường Yên Hòa, quận Cầu Giấy, thành phố Hà Nội
- DĐ: 0984868617
- Email: trivietautomation.info@gmail.com
- MST: 0316876097
- Website: www.triviettech.com.vn – www.tudonghoatriviet.com
- Giờ làm việc: T2 – CN / 7:30 AM – 5:00 PM






















