Series Powtran PI500 là dòng biến tần đa năng có công suất lớn thích hợp với nhiều ứng dụng.
1. Tổng quan
Thông số biến tần Powtran PI500

1.1 Thông số kỹ thuật và ưu điểm của biến tần Powtran PI500
Thông số biến tần Powtran PI500
- Biến tần thông dụng Powtran PI500 có các thông số kỹ thuật như sau:
- Điện áp vào: 3 pha 380V
- Công suất tương ứng: 7.5-630KW
- Khả năng quá tải: 150% trong 60s đối với tải nặng.
- Tần số sóng mang tối đa lên tới 16KHz.
- Tích hợp truyền thông: Modbus RS-485
- Chế độ điều khiển: V/F, Vector vòng kín
- Tần số ngõ ra tối đa: 3200Hz.
1.2 Ứng dụng của biến tần Powtran PI500
Thông số biến tần Powtran PI500
- Powtran PI500 là dòng biến tần thích hợp cho những ứng dụng như: cầu trục nâng hạ, máy ép nhựa, ó keo, bơm quạt máy nén khí…
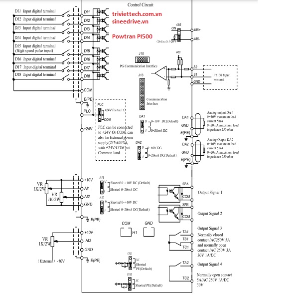
2. Sơ đồ điều khiển và cài đặt các thông số biến tần Powtran PI500
2.1 Sơ đồ điều khiển
Thông số biến tần Powtran PI500

- 8 chân đầu vào chức năng DI
- 2 cổng đầu vào analog AI1, AI2 ( 0-10V hoặc 4-20mA)
- 1 cổng đầu vào analog AI3:
- Input range DC: -10~+10V
- Input voltage: 20kΩ
- 2 cổng đầu ra analog DA1, DA2 ( 0-10V hoặc 4-20mA)
- 2 relay output
- 1 cổng truyền thông modbus RS-485
2.2 Trả về mặc định nhà máy
Thông số biến tần Powtran PI500
| Y0.00 | Parameter initialization Khởi tạo tham số | 0: Không sử dụng 1: Khôi phục thông số gốc không bao gồm thông số động cơ 2: Xóa lịch sử 3: Khôi phục thông số gốc bao gồm thông số động cơ 4: Sao lưu thông số người dùng hiện tại 5: Khôi phục tham số sao lưu người dùng 6: Xóa dữ liệu bàn phím 7: Tải tham số lên vùng lưu trữ bàn phím 1 8: Tải tham số lên vùng lưu trữ bàn phím 2 9: Tải các thông số từ bộ lưu trữ bàn phím 1 xuống khu vực cho hệ thống lưu trữ 10: Tải các thông số từ bộ lưu trữ bàn phím 2 xuống khu vực cho hệ thống lưu trữ | 0 |
2.3 Thông số biến tần Powtran PI500 cơ bản (1)
Thông số biến tần Powtran PI500
Tham | Mô tả | Phạm vi cài đặt và giải thích | Giá trị |
F0.00 | Motor control manner Chế độ điều khiển động cơ | 0: Điều khiển Vector W/O PG 1: Reserved | 2 |
| F0.01 | Keyboard set frequency Tần số đặt trước bằng bàn phím | 0.00Hz~F0.19(maximum frequency) | 50.00Hz |
| F0.03 | Frequency source master setting Nguồn cài đặt tần số | 0: Cài đặt bằng bàn phím 1: Tần số đặt trước bằng bàn phím ( F0.01 ) 2: AI1 3: Ai2 4: Chiết áp trên bàn phím 5: Xung tốc độ cao 6: Đa cấp tốc độ 7: Cài đặt chương trình PLC đơn giản 8: Cài đặt PV 8: Cài đặt điều khiển PID 9: Truyền thông modbus 10: AI3 | 8 |
2.4 Thông số biến tần Powtran PI500 cơ bản (2)
Thông số biến tần Powtran PI500
F0.11 | Command source selection Nguồn lệnh chạy | 0: Điều khiển bằng bàn phím 1: Lệnh chạy ngoài 2: Truyền thông modbus 3: 0 + 2 4: 0 + 1 + 2 | 4 |
F0.13 | Acceleration time 1 Thời gian tăng tốc 1 | 0.0s~6500s | Model |
F0.14 | Deceleration time 1 Thời gian giảm tốc 1 | 0.0s~6500s | Model |
F0.19 | Maximum output frequency Tần số đầu ra lớn nhất | 50.00Hz~320.00Hz | 50.00Hz |
2.5 Thông số biến tần Powtran PI500 cơ bản(3)
Thông số biến tần Powtran PI500
F0.20 | Upper limit frequency source Nguồn tần số giới hạn trên | 0: Cài đặt ( F0.21 ) 1: AI1 2: AI2 3: Chiết áp bằng bàn phím 4: Cài đặt xung tốc độ cao 5: Truyền thông modbus 6: Cài đặt AI3 | 0 |
F0.21 | Upper limit frequency Tần số giới hạn trên | F0.23 ~ F0.19 ( maximum frequency ) | 50.00Hz |
F0.23 | Lower limit frequency Tần số giới hạn dưới | 0.00Hz~F0.21( upper limit frequency ) | 0.00Hz |
F3.07 | Stop mode Chế độ dừng | 0: Dừng giảm tốc 1: Dừng tự do | 0 |
- Và còn nhiều tham số khác chúng tôi không cập nhật lên đây. Nếu các bạn không xử lý được hãy liên hệ với chúng tôi để được hỗ trợ và xử lý một cách nhanh nhất.
3. Bảng mã lỗi biến tần Powtran PI500 (1)
Thông số biến tần Powtran PI500
Mã lỗi | Loại lỗi | Nguyên nhân | Khắc phục |
Err.05 | Acceleration over voltage Quá điện áp khi tăng tốc |
|
|
Err.06 | Deceleration over voltage Quá điện áp khi giảm tốc |
|
|
Err.10 | Inverter overload Biến tần quá tải |
|
|
3.1 Bảng mã lỗi biến tần Powtran PI500 (2)
Thông số biến tần Powtran PI500
Err.11 | Motor Overload |
|
|
Err.12 | Input phase loss Mất pha đầu vào |
|
|
Err.13 | Output phase loss Mất pha đầu ra |
|
|
Err.14 | Module overheating Module quá nóng |
|
|
- Và còn nhiều lỗi khác chúng tôi không cập nhật lên đây. Nếu các bạn không xử lý được hãy liên hệ với chúng tôi để được hỗ trợ và xử lý một cách nhanh nhất.
4. Liên hệ
Thông số biến tần Powtran PI500
Liên hệ với chúng tôi để được hướng dẫn cài đặt thông số biến tần Powtran PI500 miễn phí và nhanh nhất.
Nếu bạn đang có nhu cầu cần mua hay báo giá thiết bị tự động hóa hoặc cần tư vấn thêm thì hãy liên hệ ngay với chúng tôi để được hỗ trợ một cách tận tâm, nhanh chóng và hiệu quả nhé!
CÔNG TY CỔ PHẦN GIẢI PHÁP TỰ ĐỘNG HÓA TRÍ VIỆT
- Địa Chỉ Hồ Chí Minh: 36/6 đường số 4, khu phố 5, phường An Lạc A, quận Bình Tân, thành phố Hồ Chí Minh.
- Địa Chỉ Hà Nội: 41/M2, KĐT mới Yên Hòa, phường Yên Hòa, quận Cầu Giấy, thành phố Hà Nội
- DĐ: 0984868617
- Email: trivietautomation.info@gmail.com
- MST: 0316876097
- Website: www.triviettech.com.vn – www.tudonghoatriviet.com
- Giờ làm việc: T2 – CN / 7:30 AM – 5:00 PM






















