Biến tần INVT GD300 series là dòng biến tần chạy vòng hở cao cấp ứng dụng cho cả động cơ không đồng bộ và động cơ đồng bộ.
1. Tổng quan
Thông số biến tần INVT GD300

1.1 Thông số kỹ thuật và ưu điểm của biến tần INVT GD300
Thông số biến tần INVT GD300
- Biến tần INVT GD300 là dòng biến tần đa năng thế hệ mới, được thiết kế theo chuẩn Châu Âu với thông số kỹ thuật và ưu điểm như sau:
- Điện áp đầu vào và dải công suất tương ứng:
- Biến tần 3P, 380VAC, công suất 1.5 – 500kW
- Biến tần 3P, 380 – 550VAC, công suất 4 – 75kW
- Biến tần 3P, 520 – 690VAC, công suất 22 – 630kW
- Điều khiển Vectorized V/F (SVPWM), Sensorless Vector (SVC), Torque control
- Sử dụng cho động cơ không đồng bộ, động cơ đồng bộ.
- Torque khởi động ở 0.25Hz: 150%
- Điều khiển tốc độ chính xác đến ±0.2%, đáp ứng nhanh<20 ms
- Số cổng I/O: 19
- Truyền thông: Modbus, Profibus DP
- Bàn phím có thể lấy rời để giám sát và cài đặt từ xa, sao chép được thông số
- Chức năng ứng dụng đặc biệt: điều khiển PID, điều khiển lực căng, đồng bộ tốc độ nhiều động cơ, dùng 2 biến tần điều khiển 1 động cơ đặc biệt lớn…
- Tích hợp sẵn IEC 61800-3 C3 Filter, Braking Unit cho biến tần từ 30 kW trở xuống.
- 36 chức năng bảo vệ biến tần và động cơ trước các sự cố như là quá dòng, áp cao, áp thấp, quá nhiệt, mất pha, lệch pha, đứt dây ngõ ra, quá tải…
- Kết cấu gọn, cứng cáp, chịu được môi trường bụi và ẩm.
- CE hợp chuẩn thị trường châu Âu
- Điện áp đầu vào và dải công suất tương ứng:
1.2 Ứng dụng của biến tần INVT GD300
Thông số biến tần INVT GD300
- INVT GD300 là biến tần chất lượng hàng đầu với độ tin cậy cao, đặc biệt sử dụng cho động cơ đồng bộ PM, và các ứng dụng tải nặng như: máy nén khí, nâng hạ, cuộn/xả cuộn, spindle motor, băng tải trong khai thác mỏ,…
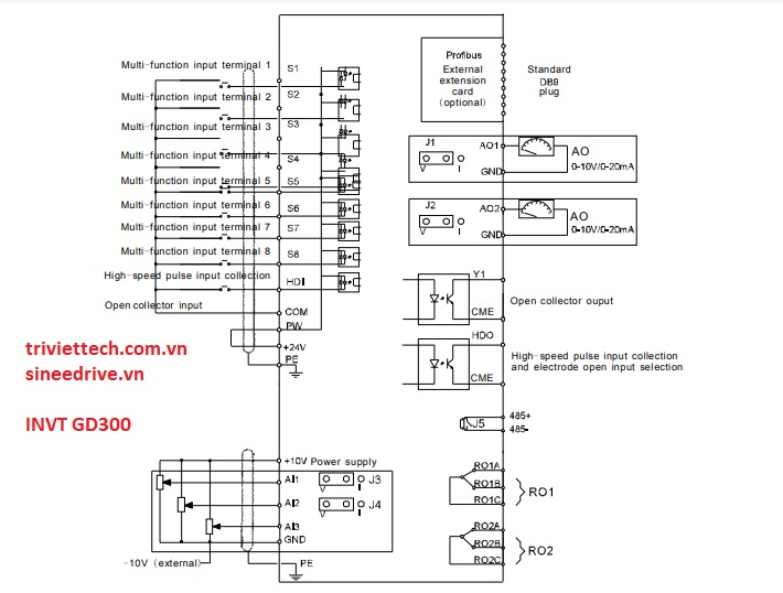
2. Sơ đồ điều khiển và cài đặt các thông số biến tần INVT GD300
2.1 Sơ đồ điều khiển
Thông số biến tần INVT GD300

- 8 chân đầu vào chức năng: S1—> S8
- 3 cổng đầu vào analog: AI1, AI2, AI3 ( 0 ~ 10V hoặc 0 ~ 20mA )
- 2 cổng đầu ra analog: AO1, AO2 ( 0 ~ 10V hoặc 0 ~ 20mA )
- 1 đầu vào xung tốc độ cao HD1
- 2 relay output
- 1 cổng truyền thông modbus RS-485
- Và nhiều chân chức năng khác
2.2 Trả về mặc định nhà máy
Thông số biến tần INVT GD300
| P0.18 | Reset biến tần INVT GD300 Khởi tạo tham số | 0: Không hoạt động 1: Khôi phục mặc định nhà máy 2: Xóa hồ sơ lỗi | 0 |
2.3 Thông số biến tần INVT GD300 cơ bản (1)
Thông số biến tần INVT GD300
Tham | Mô tả | Phạm vi cài đặt và giải thích | Giá trị |
P00.00 | Chế độ điều khiển chạy | 0: Chế độ điều khiển vector sensor less 0 ( áp dụng cho AM và SM) 1: Chế độ điều khiển vector sensor less 1 ( áp dụng cho AM và SM) 2: Điều khiển SVPWM | 1 |
| P00.01 | Kênh lệnh chạy | 0: Bàn phím (đèn LED tắt) | 0 |
| P00.02 | Phương thức giao tiếp truyền thông | 0: Kênh giao tiếp truyền thông MODBUS | 0 |
2.4 Thông số biến tần INVT GD300 cơ bản (2)
Thông số biến tần INVT GD300
P00.03 | Tần số Max | P00.04 ~ 400.00Hz | 50.00Hz |
P00.04 | Tần số ngưỡng trên | P00.05 ~ P0.03 | 50.00Hz |
P00.05 | Tần số ngưỡng dưới | 0.00 ~ P0.04 | 0.00Hz |
P00.06 | Kênh tần số A | 0: Bàn phím 1: AI1 2: AI2 3: AI3 4: Cài đặt xung tốc độ cao HDI 5: Cài đặt chương trình PLC đơn giản 6: Tần số đa cấp tốc độ 8: Cài đặt giao tiếp MODBUS 9: Cài đặt giao tiếp mở PROFIBUS/CAN 10: Cài đặt giao tiếp Ethernet (dự trữ) 11: Dự trữ | 0 |
2.5 Thông số biến tần INVT GD300 cơ bản(3)
Thông số biến tần INVT GD300
P00.10 | Cài đặt tần số bàn phím | 0.00 – P00.03 | 50.00Hz |
P00.11 | Thời gian tăng tốc 1 | 0.0~3600.0s | model |
P00.12 | Thời gian giảm tốc 1 | 0.0~3600.0s | model |
P00.13 | Lựa chọn chiều quay | 0: Chạy thuận | 0 |
2.6 Thông số biến tần INVT GD300 cơ bản(4)
Thông số biến tần INVT GD300
P00.14 | Tần số mang | 1.0~15.0kHz | model |
P00.15 | Tự dò thông số động cơ | 0: Không lựa chọn 3: Tự dò tĩnh 2 | 0 |
P01.00 | Start Mode | 0: Khởi động trực tiếp 1: Khởi động có thắng DC 2: Khởi động trơn | 0 |
P01.08 | Stop mode | 0: Dừng giảm tốc 1: Dừng tự do | 0 |
- Và còn nhiều tham số khác chúng tôi không cập nhật lên đây. Nếu các bạn không xử lý được hãy liên hệ với chúng tôi để được hỗ trợ và xử lý một cách nhanh nhất.
3. Bảng mã lỗi biến tần INVT GD300 (1)
Thông số biến tần INVT GD300
Mã lỗi | Loại lỗi | Nguyên nhân | Khắc phục |
OUt1 | Lỗi IGBT pha U |
|
|
OUt2 | Lỗi IGBT pha V |
|
|
OUt3 | Lỗi IGBT pha W |
|
|
3.1 Bảng mã lỗi biến tần INVT GD300 (2)
Thông số biến tần INVT GD300
Mã lỗi | Loại lỗi | Nguyên nhân | Khắc phục |
OC1 | Quá dòng khi tăng tốc |
|
|
OC2 | Quá dòng khi giảm tốc |
|
|
OC3 | Quá dòng khi tốc độ không đổi |
|
|
3.2 Bảng mã lỗi biến tần INVT GD300(3)
Thông số biến tần INVT GD300
OV1 | Quá áp khi tăng tốc |
|
|
OV2 | Quá áp khi giảm tốc |
|
|
| OV3 | Quá áp khi tốc độ không đổi |
|
|
| UV | DC bus dưới điện áp |
|
|
3.3 Bảng mã lỗi biến tần INVT GD300 (4)
Thông số biến tần INVT GD300
OL1 |
|
| |
OL2 | Biến tần quá tải |
|
|
SPI | Mất pha đầu vào |
|
|
SPO | Mất pha đầu ra |
|
|
- Và còn nhiều lỗi khác chúng tôi không cập nhật lên đây. Nếu các bạn không xử lý được hãy liên hệ với chúng tôi để được hỗ trợ và xử lý một cách nhanh nhất.
4. Liên hệ
Thông số biến tần INVT GD300
Liên hệ với chúng tôi để được hướng dẫn cài đặt thông số biến tần INVT GD300 miễn phí và nhanh nhất.
Nếu bạn đang có nhu cầu cần mua hay báo giá thiết bị tự động hóa hoặc cần tư vấn thêm thì hãy liên hệ ngay với chúng tôi để được hỗ trợ một cách tận tâm, nhanh chóng và hiệu quả nhé!
CÔNG TY CỔ PHẦN GIẢI PHÁP TỰ ĐỘNG HÓA TRÍ VIỆT
- Địa Chỉ Hồ Chí Minh: 36/6 đường số 4, khu phố 5, phường An Lạc A, quận Bình Tân, thành phố Hồ Chí Minh.
- Địa Chỉ Hà Nội: 41/M2, KĐT mới Yên Hòa, phường Yên Hòa, quận Cầu Giấy, thành phố Hà Nội
- DĐ: 0984868617
- Email: trivietautomation.info@gmail.com
- MST: 0316876097
- Website: www.triviettech.com.vn – www.tudonghoatriviet.com
- Giờ làm việc: T2 – CN / 7:30 AM – 5:00 PM






















