Biến tần Inovance MD290 series là dòng biến tần công nghiệp tải nặng có điện áp đầu vào 3 pha 380VAC và ra 3 pha 380VAC. Đây là một trong số những dòng biến tần bán chạy của hãng Inovance.
1. Tổng quan
Thông số biến tần Inovance MD290

1.1 Thông số kỹ thuật và ưu điểm của biến tần Inovance MD290
Thông số biến tần Inovance MD290
- Biến tần Inovance MD290 là dòng biến tần đa năng thế hệ mới, được thiết kế theo chuẩn Châu Âu với thông số kỹ thuật và ưu điểm như sau:
- Sản phẩm chất lượng cao, đạt tiêu chuẩn quốc tế được cấp bởi CHÂU ÂU – CHLB ĐỨC – HOA KỲ
- Hoạt động ở dải điện áp rộng 3 pha: 323 – 456VAC
- Với dải công suất tương ứng: 75 – 500KW
- Chuẩn đoán lỗi nhanh
- Lực thắng DC mạnh và đáp ứng nhanh
- Hoạt động ở nhiệt độ môi trường cao: TB 45 độ
- Cuộn kháng AC ngõ ra khi dây động cơ quá dài
- Tích hợp cuộn kháng DC bên trong
- Truyền thông modbus RTU + CANlink + PROFIBUS-DP, CANopen
- Người dùng có thể lưu chương trình của biến tần vào laptop theo mỗi ứng dụng của máy
- Khả năng chịu quá tải: 150% trong 60s, 180% trong 2s
- Ngẫu lực khởi động: 150% tại tần số 3Hz
- Điều khiển V/F
- Tự động bù ngẫu lực và hệ số trượt
1.2 Ứng dụng của biến tần Inovance MD290
Thông số biến tần Inovance MD290
- Inovance MD290 là biến tần chất lượng hàng đầu với độ tin cậy cao, điều khiển vòng kín, sử dụng rộng rãi cho nhiều ứng dụng tự động hóa như : máy in màng, máy kéo dây, máy xeo giấy, máy thâu lực căng, máy cán tôn, máy băm, máy ó màng keo,…
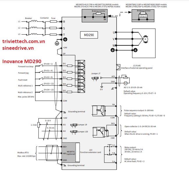
2. Sơ đồ điều khiển và cài đặt các thông số biến tần Inovance MD290
2.1 Sơ đồ điều khiển
Thông số biến tần Inovance MD290

- 6 chân đầu vào chức năng: DI1—> DI5
- 2 cổng đầu vào analog: AI1, AI2 ( 0 ~ 10V hoặc 0 ~ 20mA )
- 1 cổng đầu ra analog: AO ( 0 ~ 10V hoặc 0 ~ 20mA )
- 1 relay output
- 1 cổng truyền thông modbus RS-485
- Và nhiều chân chức năng khác
2.2 Trả về mặc định nhà máy
Thông số biến tần Inovance MD290
| FP-01 | Reset biến tần Inovance MD290 Khởi tạo tham số | 0: Không hoạt động 1: Reset mặc định nhà máy ( không bao gồm thông số động cơ ) 2: Xóa hồ sơ lỗi 3: Dự trữ 4: Sao lưu thông số người dùng hiện tại 501: khôi phục sử dụng thông số sao lưu của người dùng | 0 |
2.3 Thông số biến tần Inovance MD290 cơ bản (1)
Thông số biến tần Inovance MD290
Tham | Mô tả | Phạm vi cài đặt và giải thích | Giá trị |
F0-00 | Hiển thị kiểu G/P | 1: G (tải mô-men xoắn không đổi) 2: P (quạt và bơm) | 2 |
| F0-01 | Chế độ điều khiển động cơ | 2: V/F | 2 |
| F0-02 | Lựa chọn nguồn lệnh | 0: Bảng điều khiển 1: Lệnh chạy ngoài 2: Truyền thông Modbus RTU RS-485 | 0 |
2.4 Thông số biến tần Inovance MD290 cơ bản (2)
Thông số biến tần Inovance MD290
F0-03 | Lựa chọn kênh cài đặt tần số chính | 0: Cài đặt kỹ thuật số ( không lưu sau khi tắt nguồn) 1: Cài đặt kỹ thuật số ( lưu sau khi tắt nguồn) 2: AI1 3: AI2 4: AI3 5: Cài đặt xung DI5 6: Đa cấp tần số 7: PLC đơn giản 8: Tham chiếu PID 9: Truyền thông Modbus RTU RS-485 | 0 |
F0-08 | Tần số đặt trước | 0.00~F0-10 | 50.00Hz |
F0-09 | Hướng chạy | 0: Thuận 1: Nghịch | 0 |
F0-10 | Tần số max | 50.00 ~ 500.00Hz | 50.00Hz |
2.5 Thông số biến tần Inovance MD290 cơ bản(3)
Thông số biến tần Inovance MD290
F0-11 | Cài đặt kênh tần số giới hạn trên | 0: F0-12 1: AI1 2: AI2 3: AI3 4: Tham chiếu xung đầu vào DI5 5: Truyền thông RS-485 | 0 |
F0-12 | Tần số tham chiếu giới hạn trên | F0-14 ~ F0-10 | 50.00Hz |
F0-14 | Tần số tham chiếu giới hạn dưới | 0.00 ~ F0-12 | 0.00Hz |
F0-15 | Tần số sóng mang | 0.8 ~ 12.0 KHz | Model |
2.6 Thông số biến tần Inovance MD290 cơ bản(4)
Thông số biến tần Inovance MD290
F0-17 | ACC time 1 | 0.00 ~ 650.00s ( F0-19=2 ) 0.0 ~ 6500.0s ( F0-19=1 ) 0 ~ 65000s ( F0-19=0 ) | Model |
F0-18 | DEC time 1 | 0.00 ~ 650.00s ( F0-19=2 ) 0.0 ~ 6500.0s ( F0-19=1 ) 0 ~ 65000s ( F0-19=0 ) | Model |
F0-19 | Đơn vị thời gian tăng giảm tốc | 0: 1s 1: 0.1s 2: 0.01s | 1 |
F6-10 | Chế độ dừng | 0: Dừng giảm tốc 1: Dừng tự do | 0 |
- Và còn nhiều tham số khác chúng tôi không cập nhật lên đây. Nếu các bạn không xử lý được hãy liên hệ với chúng tôi để được hỗ trợ và xử lý một cách nhanh nhất.
3. Bảng mã lỗi biến tần Inovance MD290 (1)
Thông số biến tần Inovance MD290
Mã lỗi | Loại lỗi | Nguyên nhân | Khắc phục |
Err02 | Quá dòng trong khi tăng tốc |
|
|
Err03 | Quá dòng trong khi giảm tốc |
|
|
Err04 | Quá dòng khi |
|
|
3.1 Bảng mã lỗi biến tần Inovance MD290 (2)
Thông số biến tần Inovance MD290
Mã lỗi | Loại lỗi | Nguyên nhân | Khắc phục |
Err05 | Quá áp trong |
|
|
Err06 | Quá áp trong |
|
|
Err07 | Quá áp khi tốc |
|
|
3.2 Bảng mã lỗi biến tần Inovance MD290 (3)
Thông số biến tần Inovance MD290
Err10 | Quá tải Drive |
|
|
Err11 |
|
| |
| Err12 | Mất pha ngõ vào |
|
|
| Err13 | Mất pha ngõ ra |
|
|
- Và còn nhiều lỗi khác chúng tôi không cập nhật lên đây. Nếu các bạn không xử lý được hãy liên hệ với chúng tôi để được hỗ trợ và xử lý một cách nhanh nhất.
4. Liên hệ
Thông số biến tần Inovance MD290
Liên hệ với chúng tôi để được hướng dẫn cài đặt thông số biến tần Inovance MD290 miễn phí và nhanh nhất.
Nếu bạn đang có nhu cầu cần mua hay báo giá thiết bị tự động hóa hoặc cần tư vấn thêm thì hãy liên hệ ngay với chúng tôi để được hỗ trợ một cách tận tâm, nhanh chóng và hiệu quả nhé!
CÔNG TY CỔ PHẦN GIẢI PHÁP TỰ ĐỘNG HÓA TRÍ VIỆT
- Địa Chỉ Hồ Chí Minh: 36/6 đường số 4, khu phố 5, phường An Lạc A, quận Bình Tân, thành phố Hồ Chí Minh.
- Địa Chỉ Hà Nội: 41/M2, KĐT mới Yên Hòa, phường Yên Hòa, quận Cầu Giấy, thành phố Hà Nội
- DĐ: 0984868617
- Email: trivietautomation.info@gmail.com
- MST: 0316876097
- Website: www.triviettech.com.vn – www.tudonghoatriviet.com
- Giờ làm việc: T2 – CN / 7:30 AM – 5:00 PM






















