Biến tần Delta VFD-VJ series của Delta được thiết kế với công nghệ Servo để vận hành hệ thống thủy lực với khả năng điều khiển của động cơ và đơn vị thủy lực.
1. Tổng quan
Thông số biến tần Delta VFD-VJ

1.1 Thông số biến tần Delta VFD-VJ
- Điện áp đầu vào và dải công suất tương ứng:
- 3 pha 230V: 5.5 – 37kW
- 3 pha 460V: 5.5 – 75kW
- Chế độ điều khiển FOC
- Thích hợp để điều khiển cho cả động cơ Servo không đồng bộ và động cơ đồng bộ
- Tích hợp bộ hãm brake unit với công suất lên đến 22kW
- Tích hợp truyền thông RS-485 ( RJ-45) và giao thức truyền thông modbus
- Chức năng phát hiện dòng dò giúp bảo vệ hệ thống an toàn hơn
- Khả năng chịu quá lại lên đến 300% dòng định mức
- Bảo vệ dòng rò lên đến 80% dòng định mức
- Bảo vệ quá áp Vdc > 415/830 V, thấp áp Vdc <180/360 V
- Bảo vệ quá nhiệt tụ, IGBT,bộ hãm, Motor
1.2 Ứng dụng của biến tần Delta VFD-VJ
Thông số biến tần Delta VFD-VJ
- Dòng biến tần Delta VFD-VJ chuyên dụng dùng để điều khiển động cơ Servo cho hệ thống bơm dầu thủy lực trong các máy ép nhựa ( máy ép phun),…
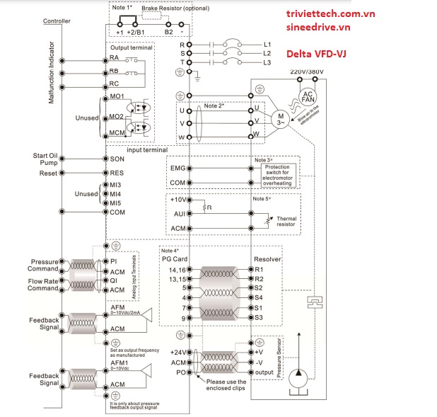
2. Sơ đồ điều khiển và cài đặt các thông số biến tần Delta VFD-VJ
2.1 Sơ đồ điều khiển
Thông số biến tần Delta VFD-VJ

- 6 đầu vào chức năng: MI3 —> MI5, SON, RES, EMG
- 1 cổng đầu vào analog: AUI
- 2 cổng đầu ra analog: AFM, AFM1
- 1 relay output
- 1 cổng truyền thông modbus RS-485
- Và nhiều chân chức năng khác
2.2 Trả về mặc định nhà máy
Thông số biến tần Delta VFD-VJ
Pr. | Explanation | Setting Range | Factory |
00-02 | Parameter Reset Đặt lại tham số | 5: Đặt lại kWh khi biến tần dừng 10: Đặt lại tham số | 0 |
00-09 | Pressure control mode Chế độ kiểm soát áp suất | 0: Điều khiển tốc độ 1: Điều khiển áp suất | 0 |
01-00 | Control mode Chế độ điều khiển | 0: Điều khiển V/F 1: Dự trữ 2: Dự trữ 3: Điều khiển FOCPG 4: Dự trữ 5: Điều khiển FOCPM 6: Dự trữ | 5 |
2.3 Thông số biến tần Delta VFD-VJ cơ bản (1)
Thông số biến tần Delta VFD-VJ
01-01 | Source of operation command Lệnh của nguồn điều khiển | 0: Thao tác bằng bàn phím số 1: Bằng trạm ngoài, nút stop bị vô hiệu hóa 2: Giao tiếp truyền thông RS-485, nút dừng bị vô hiệu hóa | 0 |
01-02 | Motor’s maximum operation frequency Tần số động cơ hoạt động lớn nhất | 50.00~600.00Hz | 166.67 |
01-03 | Motor’s rated frequency Tần số định mức của động cơ | 0.00~600.00Hz | 113.33 |
01-04 | Motor’s rated voltage Điện áp định mức của động cơ | 230V Series: 0.1V~255.0V | 220.0V |
2.4 Thông số biến tần Delta VFD-VJ cơ bản (2)
Thông số biến tần Delta VFD-VJ
01-05 | Acceleration time setting Cài đặt thời gian tăng tốc | 0.00~600.00 sec | 0.00s |
01-06 | Deceleration time setting Cài đặt thời gian giảm tốc | 0.00~600.00 sec | 0.00s |
01-07 | Motor Parameter Auto Tuning Tự động điều chỉnh thông số động cơ | 0: Không có chức năng 1: Thử lăn cho động cơ cảm ứng (IM) (Rs, Rr, Lm, Lx, không tải hiện hành) 2: Kiểm tra tĩnh cho động cơ cảm ứng (IM) 3: Dự trữ 4: Tự động đo góc giữa cực từ và PG gốc 5: Thử nghiệm lăn cho động cơ PM | 1 |
01-33 | Carrier frequency Tần số sóng mang | 5KHz; 10KHz | 5KHz |
2.5 Thông số biến tần Delta VFD-VJ cơ bản(3)
Thông số biến tần Delta VFD-VJ
03-15 | Source of frequency command Nguồn của lệnh tần số | 0: Bàn phím kỹ thuật số 2-5: Dự trữ | 0 |
01-09 | Rated power of the induction Công suất định mức của động cơ cảm ứng | 0~655.35kW | … |
01-10 | Rated speed of the induction Dòng điện định mức của động cơ cảm ứng | 0~65535rpm | 1710 |
01-26 | Encode type Loại Encode | 0: ABZ 1: ABZ+HALL (chỉ dùng cho động cơ servo của Delta) 2: ABZ+HALL 3: Resolver | 3 |
- Và còn nhiều tham số khác chúng tôi không cập nhật lên đây. Nếu các bạn không xử lý được hãy liên hệ với chúng tôi để được hỗ trợ và xử lý một cách nhanh nhất.
3. Bảng mã lỗi biến tần Delta VFD-VJ (1)
Thông số biến tần Delta VFD-VJ
Mã lỗi | Loại lỗi | Nguyên nhân | Khắc phục |
ocA | Quá dòng khi tăng tốc |
|
|
ocd | Quá dòng khi giảm tốc |
|
|
ocn | Quá dòng khi ở trạng thái ổn định |
|
|
3.1 Bảng mã lỗi biến tần Delta VFD-VJ (2)
Thông số biến tần Delta VFD-VJ
Mã lỗi | Loại lỗi | Nguyên nhân | Khắc phục |
GFF | Lỗi nối đất |
|
|
occ | Đoản mạch mô-đun IGBT |
| |
ovA | DC BUS quá điện áp trong quá trình tăng tốc |
|
|
3.2 Bảng mã lỗi biến tần Delta VFD-VJ (3)
Thông số biến tần Delta VFD-VJ
ovd | DC BUS quá điện áp trong quá trình giảm tốc |
|
|
ovn | DC BUS quá điện áp trong quá trình tốc độ không đổi |
|
|
| oH3 | Động cơ quá nóng |
|
|
| ovS | Quá điện áp khi máy dừng |
|
|
3.3 Bảng mã lỗi biến tần Delta VFD-VJ (4)
Thông số biến tần Delta VFD-VJ
PHL | Mất pha |
|
|
cd1 | Phát hiện lỗi dòng điện pha U |
|
|
cd2 | Phát hiện lỗi dòng điện pha V |
|
|
cd3 | Phát hiện lỗi dòng điện pha W |
|
|
- Và còn nhiều lỗi khác chúng tôi không cập nhật lên đây. Nếu các bạn không xử lý được hãy liên hệ với chúng tôi để được hỗ trợ và xử lý một cách nhanh nhất.
4. Liên hệ
Thông số biến tần Delta VFD-VJ
Liên hệ với chúng tôi để được hướng dẫn cài đặt thông số biến tần Delta VFD-VJ miễn phí và nhanh nhất.
Nếu bạn đang có nhu cầu cần mua hay báo giá thiết bị tự động hóa hoặc cần tư vấn thêm thì hãy liên hệ ngay với chúng tôi để được hỗ trợ một cách tận tâm, nhanh chóng và hiệu quả nhé!
CÔNG TY CỔ PHẦN GIẢI PHÁP TỰ ĐỘNG HÓA TRÍ VIỆT
- Địa Chỉ Hồ Chí Minh: 36/6 đường số 4, khu phố 5, phường An Lạc A, quận Bình Tân, thành phố Hồ Chí Minh.
- Địa Chỉ Hà Nội: 41/M2, KĐT mới Yên Hòa, phường Yên Hòa, quận Cầu Giấy, thành phố Hà Nội
- DĐ: 0984868617
- Email: trivietautomation.info@gmail.com
- MST: 0316876097
- Website: www.triviettech.com.vn – www.tudonghoatriviet.com
- Giờ làm việc: T2 – CN / 7:30 AM – 5:00 PM






















