Biến tần Delta VFD-ED là loại biến tần được thiết kế, sản xuất dự trên nhiều năm kinh nghiệm trong việc sản xuất biến tần và những kinh nghiệm tích lũy được từ biến tần thang máy VFD-VL series ra đời năm 2007.
1. Tổng quan
Thông số biến tần Delta VFD-ED

1.1 Thông số biến tần Delta VFD-ED
- Biến tần Delta VFD-ED là dòng biến tần đa năng thế hệ mới, được thiết kế theo chuẩn Châu Âu với thông số kỹ thuật và ưu điểm như sau:
- Công suất định mức từ 2.2kW đến 75 kW
- Hỗ trợ cả động cơ không đồng bộ và động cơ đồng bộ
- Tần số đầu ra lên tới 400Hz
- Hỗ trợ các bộ mã hóa khác nhau (ABZ, ABZ + UVW, SIN / COS, SIN / COS + Endat2.1)
- Hỗ trợ hoạt động contactor đầu ra đơn (SIL2)
- Được tích hợp với giao diện truyền thông CAN / Modbus
- Bàn phím 7 chữ số tích hợp, bàn phím LCD tùy chọn có sẵn
- Tự động điều chỉnh với tải kèm theo
- Khả năng quá tải lên tới 200%
- Hỗ trợ hệ thống điện liên tục 230VAC (UPS) 1 pha
- Kích thước nhỏ gọn
1.2 Ứng dụng của biến tần Delta VFD-ED
Thông số biến tần Delta VFD-ED
- Biến tần Delta VFD-ED được ứng dụng chủ yếu cho thang máy gia đình, thang máy chở hàng, thang máy chở khách trong khu nhà ở và thương mại.
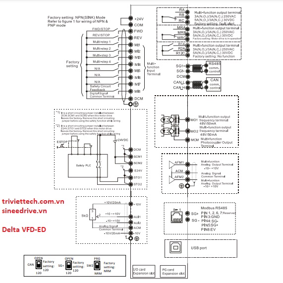
2. Sơ đồ điều khiển và cài đặt các thông số biến tần Delta VFD-ED
2.1 Sơ đồ điều khiển

- 10 chân đầu vào chức năng: MI1 —> MI8, FWD, REV
- 2 cổng đầu vào analog: AUI1, AUI2
- 2 cổng đầu ra analog: AFM1, AFM2
- 3 relay output
- 1 cổng truyền thông modbus RS-485
- Và nhiều chân chức năng khác
2.2 Trả về mặc định nhà máy
Thông số biến tần Delta VFD-ED
Pr. | Explanation | Setting Range | Factory |
00-02 | Parameter Reset Đặt lại tham số | 0: Không có chức năng 1: Chỉ đọc 5: Chỉ chế độ gắn đế trực tiếp 8: Không chức năng 9: Tất cả tham số trở về trạng thái ban đầu, tần số được đặt về 50.00Hz 10: Tất cả tham số trở về trạng thái ban đầu, tần số được đặt về 60.00Hz | 0 |
00-03 | Start-up Display Selection Lựa chọn màn hình khởi động | 0: Lệnh tần số 1: Tần số đầu ra 2: Điện áp DC Bus 3: Dòng điện đầu ra 4: Điện áp đầu ra 5: Người dùng xác định (00-04) | 0 |
00-09 | Control Method Phương pháp điều khiển | 0: Điều khiển V/F 1: Điều khiển V/F + Encoder (VFPG) 2: Điều khiển vector sensorless (SVC) 3: Điều khiển vector FOC + Encoder (FOCPG) 4: Điều khiển torque + Encoder (TQCPG) 8: Điều khiển FOC PM (FOCPM) | 0 |
2.3 Thông số biến tần Delta VFD-ED cơ bản (1)
Thông số biến tần Delta VFD-ED
01-00 | Max Output Frequency Tần số đầu ra lớn nhất | 10.00~400.00Hz | 60.00Hz 50.00Hz |
01-09 | Starting Frequency Tần số bắt đầu | 0.00~400.00Hz | 0.50Hz |
01-10 | Output Frequency Upper Limit Giới hạn trên tần số đầu ra | 0.00~400.00Hz | 120.00Hz |
01-11 | Output Frequency Lower Limit Giới hạn dưới tần số đầu ra | 0.00~400.00Hz | 0.00Hz |
2.4 Thông số biến tần Delta VFD-ED cơ bản (2)
Thông số biến tần Delta VFD-ED
01-12 | Acc time 1 Thời gian tăng tốc 1 | 0.00~600.00 sec | 3.00s |
01-13 | Dec time 1 Thời gian giảm tốc 1 | 0.00~600.00 sec | 2.00s |
00-14 | Source of the Master Nguồn của lệnh tần số | 1: Giao tiếp RS-485 hoặc bàn phím kỹ thuật số (KPc-CC01) 2: Đầu vào trạm ngoài 3: Đầu vào thiết bị đầu cuối kỹ thuật số 4: Chỉ có chế độ gắn đế trực tiếp | 1 |
00-15 | Source of the Operation Command Nguồn của lệnh điều khiển | 1: Đầu vào trạm ngoài 2: Giao tiếp RS-485 hoặc bàn phím kỹ thuật số (KPc-CC01) | 1 |
2.5 Thông số biến tần Delta VFD-ED cơ bản(3)
Thông số biến tần Delta VFD-ED
00-12 | Carrier Frequency Tần số sóng mang | 2~15KHz | 12 |
01-22 | JOG Frequency Tần số Jog | 0.00~400.00Hz | 6.00Hz |
05-00 | Motor Auto Tuning Tự động học thông số | 0: Không chức năng 1: Thử lăn (Rs, Rr, Lm, Lx, không tải hiện hành) 2: Kiểm tra tĩnh | 0 |
02-00 | 2-wire/3-wire Operation Control Điều khiển 2 dây – 3 dây | 0: FWD/STOP, REV/STOP 1: FWD/STOP, REV/STOP (Line Start Lockout) 2: RUN/STOP, REV/FWD 3: RUN/STOP, REV/FWD (Line Start Lockout) 4: 3 dây 5: 3 dây (Line Start Lockout) | 0 |
- Và còn nhiều tham số khác chúng tôi không cập nhật lên đây. Nếu các bạn không xử lý được hãy liên hệ với chúng tôi để được hỗ trợ và xử lý một cách nhanh nhất.
3. Bảng mã lỗi biến tần Delta VFD-ED (1)
Thông số biến tần Delta VFD-ED
Mã lỗi | Loại lỗi | Nguyên nhân | Khắc phục |
ocA | Quá dòng khi tăng tốc |
|
|
ocd | Quá dòng khi giảm tốc |
|
|
ocn | Quá dòng khi ở trạng thái ổn định |
|
|
3.1 Bảng mã lỗi biến tần Delta VFD-ED (2)
Thông số biến tần Delta VFD-ED
Mã lỗi | Loại lỗi | Nguyên nhân | Khắc phục |
GFF | Lỗi nối đất |
|
|
occ | Đoản mạch mô-đun IGBT |
| |
ovA | DC BUS quá điện áp trong quá trình tăng tốc |
|
|
3.2 Bảng mã lỗi biến tần Delta VFD-ED (3)
Thông số biến tần Delta VFD-ED
ovd | DC BUS quá điện áp trong quá trình giảm tốc |
|
|
ovn | DC BUS quá điện áp trong quá trình tốc độ không đổi |
|
|
| oH3 | Động cơ quá nóng |
|
|
| MPHL | Động cơ mất pha |
|
|
3.3 Bảng mã lỗi biến tần Delta VFD-ED (4)
Thông số biến tần Delta VFD-ED
PHL | Mất pha |
|
|
cd1 | Phát hiện lỗi dòng điện pha U |
|
|
cd2 | Phát hiện lỗi dòng điện pha V |
|
|
cd3 | Phát hiện lỗi dòng điện pha W |
|
|
- Và còn nhiều lỗi khác chúng tôi không cập nhật lên đây. Nếu các bạn không xử lý được hãy liên hệ với chúng tôi để được hỗ trợ và xử lý một cách nhanh nhất.
4. Liên hệ
Thông số biến tần Delta VFD-ED
Liên hệ với chúng tôi để được hướng dẫn cài đặt thông số biến tần Delta VFD-ED miễn phí và nhanh nhất.
Nếu bạn đang có nhu cầu cần mua hay báo giá thiết bị tự động hóa hoặc cần tư vấn thêm thì hãy liên hệ ngay với chúng tôi để được hỗ trợ một cách tận tâm, nhanh chóng và hiệu quả nhé!
CÔNG TY CỔ PHẦN GIẢI PHÁP TỰ ĐỘNG HÓA TRÍ VIỆT
- Địa Chỉ Hồ Chí Minh: 36/6 đường số 4, khu phố 5, phường An Lạc A, quận Bình Tân, thành phố Hồ Chí Minh.
- Địa Chỉ Hà Nội: 41/M2, KĐT mới Yên Hòa, phường Yên Hòa, quận Cầu Giấy, thành phố Hà Nội
- DĐ: 0984868617
- Email: trivietautomation.info@gmail.com
- MST: 0316876097
- Website: www.triviettech.com.vn – www.tudonghoatriviet.com
- Giờ làm việc: T2 – CN / 7:30 AM – 5:00 PM






















