Thông số biến tần Danfoss VLT 2800
Biến tần Danfoss VLT 2800 Series là dòng biến tần đa năng, thiết kế nhỏ gọn, giá rẻ nhưng có chất lượng tốt được các nhà sản xuất ưa chuộng, với dãy công suất < 18.5Kw, phù hợp cho mọi lĩnh vực: quạt, tháp giải nhiệt, bơm, băng chuyền, băng tải,…và hầu hết các ứng dụng cơ bản trong công nghiệp. Sau đây là nội dung bài viết “thông số biến tần Danfoss VLT 2800”
1. Thông số cơ bản và ứng dụng biến tần Danfoss VLT 2800

1.1. Thông số cơ bản
- Dải công suất biến tần: 0.55 – 18.5 kW (3 pha 380 – 480 V ± 10 %; 50/60 Hz), 0.37 – 1.5 kW (kết hợp 1 và 3 pha 200 – 240 V ± 10 %; 50/60 Hz), 2.2 – 3.7 kW (3 pha 200 – 240 V ± 10 %; 50/60 Hz)
- Dễ dàng tích hợp hệ thống và thân thiện với người vận hành
- Nhanh chóng và dễ dàng khởi động và truy cập thông số nhanh để tối ưu hóa quá trình kiểm soát và cải thiện hiệu suất.
- Điều chỉnh động cơ tự động, bộ điều khiển PID, tích hợp Fieldbus
- Tích hợp phanh hãm trong tất cả các công suất
1.2. Ứng dụng
- Các tính năng chuyên dụng cho các ứng dụng điển hình tối ưu hóa hoạt động và bảo vệ hệ thống.
- Tốc độ dừng chính xác, chức năng dừng chính xác, chế độ ngủ nâng cao,…
- Phù hợp cho mọi ứng dụng trong công nghiệp: quạt, tháp giải nhiệt, bơm, băng chuyền, băng tải,…
2. Hướng dẫn cài đặt biến tần Danfoss VLT 2800
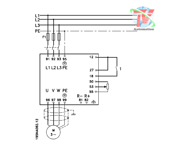
2.1. Sơ đồ đấu dây biến tần

- Công tắc ngoài: 1 chân thường mở của công tắc đấu với chân số 12( +24V), chân còn lại của công tắc đáu với chân số 18
- Biến trở ngoài: Chân số 1 của Volume đấu vào chân số 55(COM), chân số 2 của Volume đấu vào chân số 53(tín hiệu), chân số 3 của Volume đấu vào chân số 50(+10V)
2.2. Các thông số cơ bản biến tần
- Reset mặc định nhà máy:Pr.004
- Lệnh chạy ngoài: Pr.002= 0
- Công tắc ngoài: Pr.302= 7
- Thời gian tăng tốc: Pr.207
- Thời gian giảm tốc: Pr.208
- Volume ngoài: Pr.308= 1
- Công suất motor(kW): Pr.102
- Điện áp motor (V): Pr.103
- Tần số motor (Hz): Pr.104
- Dòng điện motor (A): Pr.105
- Số vòng quay motor (RPM): Pr.106
3. Lỗi cơ bản biến tần Danfoss VLT 2800
- WARNING/ALARM 4: Lỗi mất pha
- WARNING/ALARM 7: Lỗi quá áp
- WARNING/ALARM 8: Lỗi thấp áp
- WARNING/ALARM 9: Biến tần quá tải
- WARNING/ALARM 13: Quá dòng
- WARNING/ALARM 14: Lỗi chạm đất
- WARNING/ALARM 16: Lỗi ngắn mạch
4. Liên hệ thông số biến tần Danfoss VLT 2800
➞ Trí Việt cam kết:
+ Sản phẩm chất lượng cao
+ Dịch vụ bảo trì, sửa chữa 24/7 chuyên nghiệp, tận tâm
+ Đội ngũ nhân viên được các chuyên gia đào tạo chuyên sâu, hỗ trợ chuyển giao từ công nghệ nước ngoài
+ Sẵn sàng tư vấn kỹ thuật hoàn toàn miễn phí
Nếu bạn đang có nhu cầu cần mua hay báo giá thiết bị tự động hóa hoặc cần tư vấn thêm thì hãy liên hệ ngay với chúng tôi để được hỗ trợ một cách tận tâm, nhanh chóng và hiệu quả nhé!
CÔNG TY CỔ PHẦN GIẢI PHÁP TỰ ĐỘNG HÓA TRÍ VIỆT
- Địa Chỉ Hồ Chí Minh: 36/6 đường số 4, khu phố 5, phường An Lạc A, quận Bình Tân, thành phố Hồ Chí Minh.
- Địa Chỉ Hà Nội: 41/M2, KĐT mới Yên Hòa, phường Yên Hòa, quận Cầu Giấy, thành phố Hà Nội
- DĐ: 0984868617
- Email: trivietautomation.info@gmail.com
- MST: 0316876097
- Website: www.triviettech.com.vn – www.tudonghoatriviet.com
- Youtube: https://www.youtube.com/@triviettech/featured
- Tiktok: https://www.tiktok.com/@trivietautomation
- Giờ làm việc: T2 – CN / 7:30 AM – 5:00 PM






















