Thông số biến tần Danfoss FC 102
Biến tần Danfoss FC 102 ứng dụng trong điều hòa không khí HVAC sử dụng cho: bơm, quạt, tháp giải nhiệt, máy nén, máy thổi khí, hệ chiller,… công suất lên đến 1400kW. Thiết kế nhỏ gọn tiết kiệm không gian tủ điện, với cấp bảo vệ IP21/ IP55 có thể đặt ngoài trời, tương thích các chuẩn truyền thông, kết nối SCADA, BMS, máy tính,… để điều khiển giám sát toàn bộ hệ thống. Sau đây là nội dung bài viết “thông số biến tần Danfoss FC 102”
1. Thông số cơ bản và ứng dụng biến tần Danfoss FC 102

1.1. Thông số cơ bản
- Công suất, điện áp biến tần: 200-240 V: 1.1 kW – 45 kW, 380-480 V: 1.1 kW – 1000kW, 525-600 V: 1.1 kW – 90 kW, 525-690 V: 11 kW – 1,4 MW
- Truyền thông: Profibus (MCA 101), DeviceNet (MCA 104), BACnet (MCA 109), Lonworks (MCA 108), ProfiNET (MCA 120), EthernetIP (MCA 121), Modbus TCP (MCA 122).
- Hiệu suất năng lượng cơ bản 98%
- Tích hợp chế độ ngủ, tối ưu hóa năng lượng tự động, bù lưu lượng
- Tiết kiệm chi phí: thiết kế dạng module và một loạt các tùy chọn cho phép chi phí đầu tư thấp và có thể nâng cấp với chi phí thấp theo nhu cầu trong tương lai.
- Tiết kiệm thời gian cho người vận hành thiết bị và hệ thống điều khiển đều giao tiếp dễ dàng với bộ truyền động HVAC VLT®. Biến tần thích ứng tất cả các giao thức mạng BMS phổ biến và hiển thị mọi bảng chữ cái.
- Có 27 ngôn ngữ, bao gồm tiếng Anh, Đức, Quan Thoại và Quảng Đông.
- Bảng điều khiển tối ưu, không ngừng cải tiến trên giao diện người dùng trực quan. Thích ứng tự động với động cơ và tối ưu hóa năng lượng tự động hỗ trợ vận hành nhanh.
1.2. Ứng dụng
- Bơm, quạt, tháp giải nhiệt, máy nén
- Máy thổi khí, hệ chiller…
2. Hướng dẫn cài đặt biến tần Danfoss FC 102
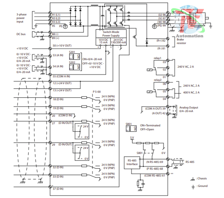
2.1. Sơ đồ đấu dây biến tần

- Công tắc ngoài: Chân thường mở của công tắc đấu với chân số 12/13( +24V), chân còn lại của công tắc đấu với chân số 18
- Volume ngoài: Chân số 1 của Volume đấu vào chân số 55(COM), chân số 2 của Volume đấu vào chân số 53(tín hiệu), chân số 3 của Volume đấu vào chân số 50(+10V)
2.2. Các thông số cơ bản biến tần
- Reset mặc định nhà máy: 14-22=2
- Công tắc ngoài: 5-10=8
- Thời gian tăng tốc: 3-41
- Thời gian giảm tốc: 3-42
- Volume ngoài: 3-15=1
- Công suất motor: 1-20( kW), 1-21(hp)
- Điện áp motor (V): 1-22
- Tần số motor (Hz): 1-23
- Dòng điện motor (A): 1-24
- Số vòng quay motor (RPM): 1-25
3. Lỗi cơ bản biến tần Danfoss FC 102
- WARNING/ALARM 3: Không có động cơ nào được liên kết với đầu ra của biến tần, hoặc thiếu 1 pha động cơ
- WARNING/ALARM 4: Lỗi mất pha
- WARNING/ALARM 7: Lỗi quá áp DC
- WARNING/ALARM 8: Lỗi thấp áp DC
- WARNING/ALARM 9: Biến tần quá tải
- WARNING/ALARM 13: Quá dòng
- WARNING/ALARM 14: Lỗi chạm đất
- WARNING/ALARM 16: Lỗi ngắn mạch
4. Liên hệ thông số biến tần Danfoss FC 102
Nếu bạn đang có nhu cầu cần mua hay báo giá thiết bị tự động hóa hoặc cần tư vấn thêm thì hãy liên hệ ngay với chúng tôi để được hỗ trợ một cách tận tâm, nhanh chóng và hiệu quả nhé!
CÔNG TY CỔ PHẦN GIẢI PHÁP TỰ ĐỘNG HÓA TRÍ VIỆT
- Địa Chỉ Hồ Chí Minh: 36/6 đường số 4, khu phố 5, phường An Lạc A, quận Bình Tân, thành phố Hồ Chí Minh.
- Địa Chỉ Hà Nội: 41/M2, KĐT mới Yên Hòa, phường Yên Hòa, quận Cầu Giấy, thành phố Hà Nội
- DĐ: 0984868617
- Email: trivietautomation.info@gmail.com
- MST: 0316876097
- Website: www.triviettech.com.vn – www.tudonghoatriviet.com
- Youtube: https://www.youtube.com/@triviettech/featured
- Tiktok: https://www.tiktok.com/@trivietautomation
- Giờ làm việc: T2 – CN / 7:30 AM – 5:00 PM























