Series Alpha 6000 là mẫu biến tần đáp ứng nhu cầu hiệu suất cao với bộ điều khiển xoay chiều sử dụng từ thông, phương pháp điều khiển vector đạt được mô-men xoắn cao ở tốc độ thấp và độ ồn thấp ở tốc độ ổn định đang chạy.
1. Tổng quan
Thông số biến tần Alpha 6000

1.1 Thông số kỹ thuật và ưu điểm của biến tần Alpha 6000
- Biến tần thông dụng Alpha 6000 có các thông số kỹ thuật như sau:
- Điện áp vào:
- 1 pha 200V
- 3 pha 200V
- 3 pha 400V
- Dải công suất tương ứng:
- 0.1-3.7kW
- 0.1-18.5kW
- 0.2-18.5kW
- Khả năng quá tải: 150% trong 60s đối với tải nặng, 120% trong 60s đối với tải thường
- Tích hợp bộ xả bên trong trên toàn dải công suất.
- Tích hợp truyền thông: Modbus RTU( 422/485)
- Tần số sóng mang: 2-15kHz
- Chế độ điều khiển: V/F, Vector vòng hở
- Tần số ngõ ra tối đa: 400Hz
- Momen khởi động 200% ở 0.5Hz khi chạy ở chế độ vector vòng hở
- Điện áp vào:
1.2 Ứng dụng của biến tần Alpha 6000
Thông số biến tần Alpha 6000
- Alpha 6000 là dòng biến tần thích hợp cho những ứng dụng như: băng tải, máy nghiền, máy nén khí, máy sợi, máy đùn nhựa, máy tạo hạt, quạt gió, giá rẻ, máy in, cầu trục, nâng hạ, bơm nước, máy thổi túi, máy cắt bao bì, máy dệt, máy đóng gói, máy chiết rót, máy ly tâm.
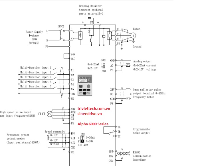
2. Sơ đồ điều khiển và cài đặt các thông số biến tần Alpha 6000
2.1 Sơ đồ điều khiển
Thông số biến tần Alpha 6000

- 5 chân đầu vào chức năng X
- 2 cổng đầu vào analog AI1, AI2 ( 0-10V hoặc 4-20mA)
- 1 cổng đầu ra analog AO ( 0-10V hoặc 4-20mA)
- 1 đầu ra xung DO ( 0-50KHz )
- 1 relay output
- 1 nguồn 24V output
- 1 cổng truyền thông modbus RS-485
2.2 Trả về mặc định nhà máy
Thông số biến tần Alpha 6000
| PF.02 | Parameter initialization Khởi tạo tham số | 0: Không có hành động 1: Xóa lịch sử lỗi 2: Khôi phục mặc định trừ tham số người dùng có mật khẩu | 0 |
2.3 Thông số biến tần Alpha 6000 cơ bản (1)
Thông số biến tần Alpha 6000
Tham | Mô tả | Phạm vi cài đặt và giải thích | Giá trị |
P0.00 | Reference frequency Tần số tham chiếu | 0 ~ Maximum frequency | 0.00Hz |
| P0.01 | Frequency setting 1 Tần số cài đặt 1 | 0: Không tác dụng 1: Đặt bằng bộ mã hóa bàn phím kỹ thuật số 2: Trạm ngoài AI1 3: Trạm ngoài AI2 4: Xung đầu vào 5: Giao tiếp truyền thông 6: Tốc độ đa cấp MS 7: Trạm ngoài UP/DOWN 8: PLC 9: PID 10: Hoạt động tần số dao động | 1 |
| P0.04 | Run command mode selection Lựa chọn chế độ chạy | 0: Điều khiển bàn phím 1: Điều khiển trạm ngoài 1 ( Stop không hợp lệ ) 2: Điều khiển trạm ngoài 2 ( Stop hợp lệ ) | 0 |
2.4 Thông số biến tần Alpha 6000 cơ bản (2)
Thông số biến tần Alpha 6000
P0.05 | Keyboard direction setting Cài đặt hướng bàn phím | 0: Thuận 1: Nghịch | 0 |
P0.07 | Maximum output frequency Tần số đầu ra lớn nhất | Upper limit frequency ~ 650.0Hz | 50.00Hz |
P0.08 | Upper limit frequency Tần số giới hạn trên | Lower limit frequency ~ Max frequency | 50.00Hz |
P0.09 | Lower limit frequency Tần số giới hạn dưới | 0.00 ~ Upper limit frequency | 0.00Hz |
2.5 Thông số biến tần Alpha 6000 cơ bản(3)
Thông số biến tần Alpha 6000
P0.10 | Maximum output voltage Điện áp đầu ra lớn nhất | 110~480V | Model |
P0.19 | Control mode Chế độ điều khiển | 0.0: Điều khiển vector từ thông 0.1~30.0% Thủ công tăng mô-men xoắn | Model |
P0.21 | Acc time 1 Thời gian tăng tốc 1 | Model ~3600s | Model |
P0.22 | Dec time 1 Thời gian giảm tốc 1 | Model ~3600s | Model |
- Và còn nhiều tham số khác chúng tôi không cập nhật lên đây. Nếu các bạn không xử lý được hãy liên hệ với chúng tôi để được hỗ trợ và xử lý một cách nhanh nhất.
3. Bảng mã lỗi biến tần Alpha 6000 (1)
Thông số biến tần Alpha 6000
Mã lỗi | Loại lỗi | Nguyên nhân | Khắc phục |
OC1 | Quá dòng trong quá trình tăng tốc |
|
|
OC2 | Quá dòng trong quá trình giảm tốc |
|
|
OC3 | Quá dòng trong quá trình hoạt động |
|
|
3.1 Bảng mã lỗi biến tần Alpha 6000 (2)
Thông số biến tần Alpha 6000
GF | Lỗi nối đất |
|
|
OH1 | Tản nhiệt quá nóng |
|
|
SP1 | Mất pha đầu vào |
|
|
SP0 | Mất pha đầu ra |
|
|
- Và còn nhiều lỗi khác chúng tôi không cập nhật lên đây. Nếu các bạn không xử lý được hãy liên hệ với chúng tôi để được hỗ trợ và xử lý một cách nhanh nhất.
4. Liên hệ
Thông số biến tần Alpha 6000
Liên hệ với chúng tôi để được hướng dẫn cài đặt thông số biến tần Alpha 6000 miễn phí và nhanh nhất.
Nếu bạn đang có nhu cầu cần mua hay báo giá thiết bị tự động hóa hoặc cần tư vấn thêm thì hãy liên hệ ngay với chúng tôi để được hỗ trợ một cách tận tâm, nhanh chóng và hiệu quả nhé!
CÔNG TY CỔ PHẦN GIẢI PHÁP TỰ ĐỘNG HÓA TRÍ VIỆT
- Địa Chỉ Hồ Chí Minh: 36/6 đường số 4, khu phố 5, phường An Lạc A, quận Bình Tân, thành phố Hồ Chí Minh.
- Địa Chỉ Hà Nội: 41/M2, KĐT mới Yên Hòa, phường Yên Hòa, quận Cầu Giấy, thành phố Hà Nội
- DĐ: 0984868617
- Email: trivietautomation.info@gmail.com
- MST: 0316876097
- Website: www.triviettech.com.vn – www.tudonghoatriviet.com
- Giờ làm việc: T2 – CN / 7:30 AM – 5:00 PM






















