Biến tần Shihlin SS2 là dòng biến tần tầm trung của hãng Shihlin, với xuất xứ Đài Loan, biến tần Shihlin SS2 có đồ bền cao, ngoại hình cứng cáp, giá thành vừa phải nên rất được chế tạo máy tin dùng
1. Tổng quan
Thông số biến tần Shihlin SS2

1.1 Thông số biến tần Shihlin SS2
- Biến tần Shihlin SS2 là dòng biến tần đa năng thế hệ mới, được thiết kế theo chuẩn Châu Âu với thông số kỹ thuật và ưu điểm như sau:
- Dải công suất: 0.4 – 5.5KW.
- Tần số đầu ra lớn nhất có thể đạt tới 650Hz.
- Độ chính xác cao tới 99.5~99.99%.
- Sử dụng công nghệ điều khiển vector cho độ chính xác cao hơn và tốc độ xử lí nhanh hơn.
- Hỗ trợ chức năng điều khiển PID và xung PWM.
- Tích hợp sẵn bàn phím điều khiển và cổng truyền thông RS485.
- Thiết kế nhỏ gọn, chắc chắn, dễ dàng lắp đặt.
- Hỗ trợ tín hiệu điều khiển analog dạng 0~5V, 0~10V hay 4~20mA.
- Các cực đầu vào/ra đa chức năng cho phép sử dụng 1 cách linh hoạt .
- Chức năng điều khiển theo chương trình đặt sẵn bằng tay.
- Phụ kiện biến tần Shihlin SS2, bàn phím gắn rời (External keypad): DU06, DU08S, DU10
1.2 Ứng dụng của biến tần Shihlin SS2
Thông số biến tần Shihlin SS2
- Biến tần Shihlin SS2 phù hợp với hầu hết các ứng dụng tải nhẹ, trung bình và nặng phổ biến tại Việt Nam như:
- Máy trộn, máy đóng gói, điều khiển máy bơm ổn định áp suất cho hệ thống cấp nước, máy mài, máy tiện, máy in phun, băng tải, máy đùn nhựa, …
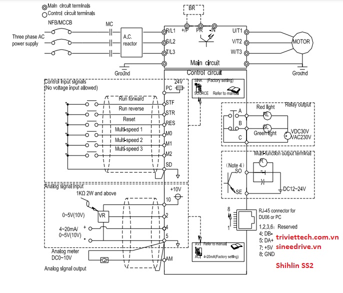
2. Sơ đồ điều khiển và cài đặt các thông số biến tần Shihlin SS2
2.1 Sơ đồ điều khiển
Thông số biến tần Shihlin SS2

- 6 chân đầu vào chức năng: STF, STR, RES, M0 —> M2
- 2 cổng đầu vào analog: 2, 4 ( 0 ~ 5V, 0 ~ 10V hoặc 4 ~ 20mA )
- 1 cổng đầu ra analog: AM ( 0 ~ 10V )
- 1 relay output
- 1 cổng truyền thông modbus RS-485
- Và nhiều chân chức năng khác
2.2 Trả về mặc định nhà máy
Thông số biến tần Shihlin SS2
Thông số | Phạm vi | Tên | Nội dung | Mặc định |
P.994 | Sao chép tham số từ biến tần lên bàn phím |
Khi biến tần ở chế độ PU, vào tham số P.994 sẽ hiển thị Pr.CP --> rồi nhấn Write, đồng thời màn hình nhấp nháy nghĩa là thông số đã được sao chép. Khi màn hình không nhấp nháy nữa có nghĩa là hoàn thành sao chép | ||
P.996~P.999 | 0~4 | Phục hồi mặc định nhà máy (Reset biến tần) | 0: Off 1: Xóa hồ sơ lỗi (P.996=1) 2: Reset biến tần (P.997=1) 3: Khôi phục mặc định nhà máy (P.998=1) 4: Khôi phục một số thông số về mặc định 1 (P.999=1) | 0 |
P.995 | Sao chép tham số từ bàn phím xuống biến tần |
Khi biến tần ở chế độ PU, vào tham số P.995 sẽ hiển thị Pr.CA --> rồi nhấn Write, đồng thời màn hình nhấp nháy nghĩa là thông số đã được sao chép. Khi màn hình không nhấp nháy nữa có nghĩa là hoàn thành sao chép |
2.3 Thông số biến tần Shihlin SS2 cơ bản (1)
Thông số biến tần Shihlin SS2
P.72 | 1 ~ 15kHz | Tần số sóng mang | 5.0 kHz | |
| P.79 | 0 ~ 8 | Lựa chọn chế độ hoạt động | 0: Chế độ “PU mode“, “external mode“ và “JOG mode” là có thể hoán đổi cho nhau. 1: Chế độ “PU mode“ và “JOG mode” là có thể hoán đổi cho nhau. 2: Chỉ chế độ bên ngoài 3: Chỉ chế độ giao tiếp truyền thông 4: Chế độ kết hợp 1 5: Chế độ kết hợp 2 6: Chế độ kết hợp 3 7: Chế độ kết hợp 4 8: Chế độ kết hợp 5 | 0 |
P.19 | 0~1000V 99999 | Điện áp ngõ ra biến tần | Cài đặt theo giá trị định mức của động cơ Điện áp ngõ ra bằng với điện áp ngõ vào | 99999 |
P.9 | 0 ~ 500A | Chống quá dòng cho động cơ | Khi dòng điện qua động cơ vượt mức P.9 thì biến tần sẽ báo lỗi và dừng lại | 0A |
2.4 Thông số biến tần Shihlin SS2 cơ bản (2)
Thông số biến tần Shihlin SS2
P.78 | 0 ~ 2 | Lựa chọn chiều quay | 0: Quay được cả 2 chiều 1: Chống quay nghịch 2: Chống quay thuận | 0 |
P.301 | 0 ~ 3 | Lựa chọn chức năng điều khiển thông số động cơ | 0: Không có chức năng 1: Tự động đo thông số động cơ ( khi động cơ đang chạy ) 2: Tự động đo thông số động cơ ( khi động cơ đang dừng ) 3: Chức năng tự động đo trực tuyến | 0 |
P.300 | 0 ~ 2 | Lựa chọn chế độ điều khiển động cơ | 0: Điều khiển V/F 1: — 2: Điều khiển vector thông lượng chung | 0 |
P.15 | 0 ~ 650 | Tần số Jog | 5Hz |
2.5 Thông số biến tần Shihlin SS2 cơ bản(3)
Thông số biến tần Shihlin SS2
P.1 | 0~120Hz | Tần số lớn nhất | Nhỏ hơn hoặc bằng 55KW Lớn hơn hoặc bằng 75KW | 120.00Hz 60.00Hz |
P.2 | 0~120Hz | Tần số nhỏ nhất | 0~120.00Hz | 0.00Hz |
P.7 | 0~360.00s 0~3600.0s | Thời gian tăng tốc | Dưới 3.7KW Trên hoặc bằng 5.5KW | 5.0s 10.0s |
P.8 | 0~360.00s 0~3600.0s | Thời gian giảm tốc | Dưới 3.7KW Trên hoặc bằng 5.5KW | 5.0s 10.0s |
- Và còn nhiều tham số khác chúng tôi không cập nhật lên đây. Nếu các bạn không xử lý được hãy liên hệ với chúng tôi để được hỗ trợ và xử lý một cách nhanh nhất.
3. Bảng mã lỗi biến tần Shihlin SS2 (1)
Thông số biến tần Shihlin SS2
Mã lỗi | Loại lỗi | Nguyên nhân | Khắc phục |
ERR | ERROR |
|
|
OC0 | Quá dòng khi dừng lại |
|
|
OC1 | Quá dòng khi tăng tốc |
|
|
3.1 Bảng mã lỗi biến tần Shihlin SS2(2)
Thông số biến tần Shihlin SS2
Mã lỗi | Loại lỗi | Nguyên nhân | Khắc phục |
OC2 | Quá dòng khi đang chạy |
|
|
OC3 | Quá dòng khi giảm tốc |
|
|
OV0 | Quá áp khi đang dừng |
|
|
3.2 Bảng mã lỗi biến tần Shihlin SS2 (3)
Thông số biến tần Shihlin SS2
OV1 | Quá áp khi tăng tốc |
|
|
OV2 | Quá áp khi tốc độ không đổi |
|
|
| OV3 | Quá áp khi giảm tốc |
|
|
| THN | Động cơ quá nóng |
|
|
3.3 Bảng mã lỗi biến tần Shihlin SS2 (4)
Thông số biến tần Shihlin SS2
CPU | Lỗi CPU |
|
|
SCP | Quá dòng |
|
|
THT | Module IGBT quá nóng |
|
|
NTC | Module quá nóng |
|
|
- Và còn nhiều lỗi khác chúng tôi không cập nhật lên đây. Nếu các bạn không xử lý được hãy liên hệ với chúng tôi để được hỗ trợ và xử lý một cách nhanh nhất.
4. Liên hệ
Thông số biến tần Shihlin SS2
Liên hệ với chúng tôi để được hướng dẫn cài đặt thông số biến tần Shihlin SS2 miễn phí và nhanh nhất.
Nếu bạn đang có nhu cầu cần mua hay báo giá thiết bị tự động hóa hoặc cần tư vấn thêm thì hãy liên hệ ngay với chúng tôi để được hỗ trợ một cách tận tâm, nhanh chóng và hiệu quả nhé!
CÔNG TY CỔ PHẦN GIẢI PHÁP TỰ ĐỘNG HÓA TRÍ VIỆT
- Địa Chỉ Hồ Chí Minh: 36/6 đường số 4, khu phố 5, phường An Lạc A, quận Bình Tân, thành phố Hồ Chí Minh.
- Địa Chỉ Hà Nội: 41/M2, KĐT mới Yên Hòa, phường Yên Hòa, quận Cầu Giấy, thành phố Hà Nội
- DĐ: 0984868617
- Email: trivietautomation.info@gmail.com
- MST: 0316876097
- Website: www.triviettech.com.vn – www.tudonghoatriviet.com
- Giờ làm việc: T2 – CN / 7:30 AM – 5:00 PM






















