Biến tần Inovance MD500 series là dòng biến tần hiệu suất cao, điều khiển vector vòng hở và kín, hoạt động ổn định, chịu độ ẩm và bụi bẩn cao, an toàn trong môi trường công nghiệp. Với chất lượng tốt, hiệu năng tuyệt vời dòng MD500 là sự chọn lựa ưu tiên chất lượng, hiệu quả cao của rất nhiều nhà chế tạo máy.
1. Tổng quan
Thông số biến tần Inovance MD500

1.1 Thông số kỹ thuật và ưu điểm của biến tần Inovance MD500
Thông số biến tần Inovance MD500
- Biến tần Inovance MD500 là dòng biến tần đa năng thế hệ mới, được thiết kế theo chuẩn Châu Âu với thông số kỹ thuật và ưu điểm như sau:
- Điện áp đầu vào và dải công suất: 18.5KW ~ 450KW
- Điều khiển vòng hở V/F & SVC
- Điều khiển vòng kín FVC
- Ngẫu lực khởi động:
- 150% ở 0.25Hz (SVC)
- 180% ở 0Hz (FVC)
- Truyền thông:
- Modbus-RTU
- CANlink
- PROFIBUS-DP
- CANopen
- Ngẫu lực khởi động mạnh
- Tự động bù ngẫu lực
- Tự động bù hệ số trượt
- Thông số dễ dàng thay đổi
- 4 kiểu khởi động hình S-Ramps
- I/O kết nối và lập trình linh hoạt
- Người dùng có thể lưu chương trình của biến tần vào laptop theo mỗi ứng dụng của máy
- Lực thắng DC mạnh và đáp ứng nhanh
- Chuẩn đoán lỗi nhanh
- Tần số ngõ ra lên tới 500Hz
- Tích hợp bộ thắng điện trở bên trong
- Hoạt động ở nhiệt độ môi trường cao, nhiệt độ trung bình 45⁰C
1.2 Ứng dụng của biến tần Inovance MD500
Thông số biến tần Inovance MD500
- Inovance MD500 là biến tần chất lượng hàng đầu với độ tin cậy cao, điều khiển vòng kín, sử dụng rộng rãi cho nhiều ứng dụng tự động hóa như : máy in màng, máy kéo dây, máy xeo giấy, máy thâu lực căng, máy cán tôn, máy băm, máy ó màng keo,…
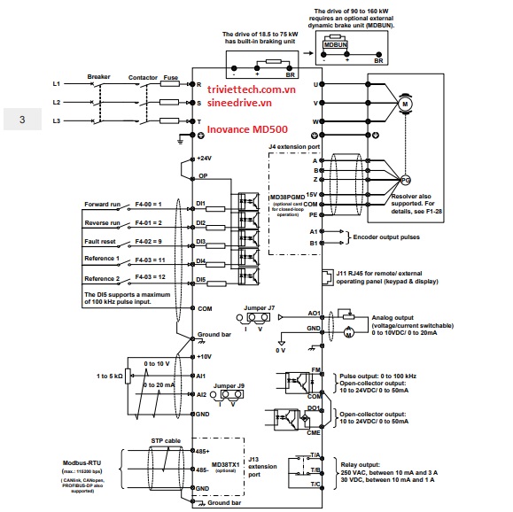
2. Sơ đồ điều khiển và cài đặt các thông số biến tần Inovance MD500
2.1 Sơ đồ điều khiển
Thông số biến tần Inovance MD500

- 6 chân đầu vào chức năng: DI1—> DI5
- 2 cổng đầu vào analog: AI1, AI2 ( 0 ~ 10V hoặc 0 ~ 20mA )
- 1 cổng đầu ra analog: AO ( 0 ~ 10V hoặc 0 ~ 20mA )
- 1 relay output
- 1 cổng truyền thông modbus RS-485
- Và nhiều chân chức năng khác
2.2 Trả về mặc định nhà máy
Thông số biến tần Inovance MD500
| FP-01 | Reset biến tần Inovance MD500 Khởi tạo tham số | 0: Không hoạt động 1: Reset mặc định nhà máy ( không bao gồm thông số động cơ ) 2: Xóa hồ sơ lỗi 3: Dự trữ 4: Sao lưu thông số người dùng hiện tại 501: khôi phục sử dụng thông số sao lưu của người dùng | 0 |
2.3 Thông số biến tần Inovance MD500 cơ bản (1)
Thông số biến tần Inovance MD500
Tham | Mô tả | Phạm vi cài đặt và giải thích | Giá trị |
F0-02 | Lựa chọn nguồn lệnh chạy | 0: Điều khiển bàn phím 1: Lệnh chạy ngoài 2: Giao tiếp truyền thông | 0 |
| F0-03 | Lựa chọn nguồn tần số chính | 0: Cài đặt kỹ thuật số (không lưu giữ khi mất nguồn ) 1: Cài đặt kỹ thuật số ( lưu giữ khi mất nguồn ) 2: AI1 3: AI2 4: AI3 5: Tham chiếu xung đầu vào 6: Đa cấp tốc độ 7: PLC đơn giản 8: PID | 0 |
| F6-10 | Chế độ dừng | 0: Dừng giảm tốc 1: Dừng tăng tốc | 0 |
2.4 Thông số biến tần Inovance MD500 cơ bản (2)
Thông số biến tần Inovance MD500
F0-08 | Tần số đặt trước | 0.00~maximum frequency (F0-10) | 50.00Hz |
F0-10 | Tần số Max | 50.00~500.00Hz | 50.00Hz |
F0-12 | Tần số giới hạn trên | F0-14~F0-10 | 50.00Hz |
F0-14 | Tần số giới hạn dưới | 0.00 ~ frequency upper limit (F0-12) | 0.00Hz |
2.5 Thông số biến tần Inovance MD500 cơ bản(3)
Thông số biến tần Inovance MD500
F0-11 | Cài đặt kênh tần số giới hạn trên | 0: F0-12 1: AI1 2: AI2 3: AI3 4: Tham chiếu xung đầu vào DI5 5: Truyền thông RS-485 | 0 |
F0-17 | ACC time 1 | 0.00~650.00s (F0-19=2) | model |
F0-18 | DEC time 1 | 0.00~650.00s (F0-19=2) | model |
F0-19 | Đơn vị thời gian ACC/DEC | 0: 1s | 1 |
- Và còn nhiều tham số khác chúng tôi không cập nhật lên đây. Nếu các bạn không xử lý được hãy liên hệ với chúng tôi để được hỗ trợ và xử lý một cách nhanh nhất.
3. Bảng mã lỗi biến tần Inovance MD500 (1)
Thông số biến tần Inovance MD500
Mã lỗi | Loại lỗi | Nguyên nhân | Khắc phục |
Err02 | Quá dòng trong khi tăng tốc |
|
|
Err03 | Quá dòng trong khi giảm tốc |
|
|
Err04 | Quá dòng khi |
|
|
3.1 Bảng mã lỗi biến tần Inovance MD500 (2)
Thông số biến tần Inovance MD500
Mã lỗi | Loại lỗi | Nguyên nhân | Khắc phục |
Err05 | Quá áp trong |
|
|
Err06 | Quá áp trong |
|
|
Err07 | Quá áp khi tốc |
|
|
3.2 Bảng mã lỗi biến tần Inovance MD500 (3)
Thông số biến tần Inovance MD500
Err10 | Quá tải Driver |
|
|
Err11 |
|
| |
| Err12 | Mất pha ngõ vào |
|
|
| Err13 | Mất pha ngõ ra |
|
|
- Và còn nhiều lỗi khác chúng tôi không cập nhật lên đây. Nếu các bạn không xử lý được hãy liên hệ với chúng tôi để được hỗ trợ và xử lý một cách nhanh nhất.
4. Liên hệ
Thông số biến tần Inovance MD500
Liên hệ với chúng tôi để được hướng dẫn cài đặt thông số biến tần Inovance MD500 miễn phí và nhanh nhất.
Nếu bạn đang có nhu cầu cần mua hay báo giá thiết bị tự động hóa hoặc cần tư vấn thêm thì hãy liên hệ ngay với chúng tôi để được hỗ trợ một cách tận tâm, nhanh chóng và hiệu quả nhé!
CÔNG TY CỔ PHẦN GIẢI PHÁP TỰ ĐỘNG HÓA TRÍ VIỆT
- Địa Chỉ Hồ Chí Minh: 36/6 đường số 4, khu phố 5, phường An Lạc A, quận Bình Tân, thành phố Hồ Chí Minh.
- Địa Chỉ Hà Nội: 41/M2, KĐT mới Yên Hòa, phường Yên Hòa, quận Cầu Giấy, thành phố Hà Nội
- DĐ: 0984868617
- Email: trivietautomation.info@gmail.com
- MST: 0316876097
- Website: www.triviettech.com.vn – www.tudonghoatriviet.com
- Giờ làm việc: T2 – CN / 7:30 AM – 5:00 PM






















