Module bán dẫn LSF-T4Z30TD2 là mô-đun truyền động động cơ ba pha tiến và lùi; mạch bảo vệ tự khóa tiến và lùi tích hợp; tuổi thọ chuyển đổi hàng trăm triệu lần (không tiếp xúc); được trang bị trạng thái làm việc tiến và lùi chỉ báo LED, nó được sử dụng trong máy công cụ CNC, bộ truyền động điện, điều khiển chuyển động truyền động, v.v.

1.Thông tin sản phẩm:
- Xuất xứ: China
- Hãng: Loncont
- Model: LSF-T4Z30TD2
- Điện áp đầu vào: 380VAC
- Điện áp điều khiển: 12-24VDC
- Dòng tải tối đa: 30A
- Công suất động cơ phù hợp: ≤3kW
- Số kênh điều khiển: loại điều khiển ba pha ba pha
- Điện áp cách ly: ≥2000VAC
- Khoảng thời gian tín hiệu điều khiển tiến và lùi bắt buộc: ≥50ms
- Kích thước tổng thể: 105*74*26mm (dài*rộng*cao)
- Kích thước lắp đặt: 4 lỗ có đường kính 5,1mm
- Điện áp tải: 380VAC+_25%
- Thời gian chuyển mạch tiến và lùi: ≥0,03S

2. Ưu điểm module bán dẫn LSF-T4Z30TD2
- Module này là loại ba pha ba điều khiển (tích hợp thyristor năm chiều), đảm bảo mất điện hoàn toàn khi động cơ dừng
- Áp dụng điều khiển thông minh vi xử lý và công nghệ vá SMT
- Được trang bị khóa liên động tiến và lùi ở đầu ra dòng điện (kết nối B sau khi A đã ngắt kết nối và ngược lại)
- Có mạch bảo vệ đầu vào tích hợp, khi không kết nối nguồn điện mạnh 380VAC
- Cực đầu ra và cực điều khiển đầu vào được cách ly quang điện, mỗi thyristor bên trong đều có vòng hấp thụ RC tích hợp nên không cần kết nối bên ngoài
- Có hai ống phát sáng LED để hiển thị hướng quay của động cơ và đèn LED báo nguồn
- Điện áp điều khiển có phạm vi rộng 12-24Vdc, dòng điện hoạt động khoảng 25-45mA, các điện áp khác cũng có thể được tùy chỉnh, cực dương chung đầu vào hoặc cực âm chung có thể được kết nối theo ý muốn và dòng điều khiển khoảng 3mA
- Có mạch bảo vệ khi bật nguồn 380V, không có tác động đột biến và khả năng chống nhiễu mạnh, Thyristor sử dụng đế gốm DCB
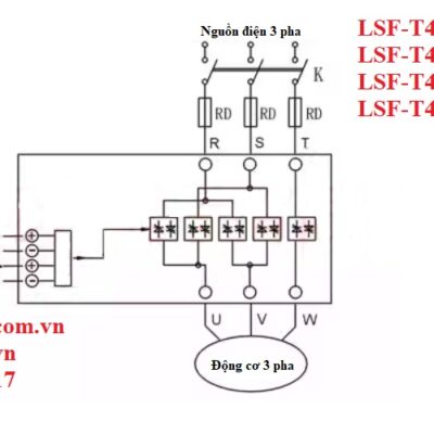
3. Sơ đồ đấu dây module

- Đấu dây mạch lực:
- 3 dây nguồn vào ba pha R ; S ; T
- 3 dây của tải đấu vào ba pha U ; V ; W

- Có 2 cách đấu dây điều khiển:
- Trường hợp 1:
- Nguồn âm ta đấu chung 2 chân A- và B-
- Nguồn dương đấu với 1 chân tiếp điểm thường đóng (công tắc, nút nhấn, relay trung gian,…), tiếp điểm còn lại đấu vào chân A+ (chạy thuận)
- Nguồn dương đấu với 1 chân tiếp điểm thường mở(công tắc, nút nhấn, relay trung gian,…), tiếp điểm còn lại đấu vào chân B+ (chạy nghịch)
- Trường hợp 2:
- Nguồn dương ta đấu chung 2 chân A+ và B+
- Nguồn âm đấu với 1 chân tiếp điểm thường đóng (công tắc, nút nhấn, relay trung gian,…), tiếp điểm còn lại đấu vào chân A- (chạy thuận)
- Nguồn âm đấu với 1 chân tiếp điểm thường mở(công tắc, nút nhấn, relay trung gian,…), tiếp điểm còn lại đấu vào chân B- (chạy nghịch)
- Trường hợp 1:
4.Lưu ý khi sử dụng
- Phải lắp đặt một bộ ngắt mạch có bảo vệ quá dòng ở đầu trên của đầu vào nguồn chính của module và phải kết nối nối tiếp cầu chì
- Dòng điện định mức của cầu dao và cầu chì có thể được chọn theo 1,2-1,5 lần dòng điện định mức của động cơ thực tế và không cần thiết phải chọn quá lớn
- Mỗi thyristor bên trong mô-đun đều có vòng hấp thụ RC tích hợp và mạch bảo vệ quá áp, không cần kết nối bên ngoài
- Loại điều khiển ba pha ba pha có năm thyristor tích hợp, khi tắt mô-đun, đầu ra của mô-đun có thể bị cắt
- Khi không có đầu vào hoặc có cả hai đầu vào A cà B thì module sẽ tắt đầu ra mạch chính.
- Khi chỉ có đầu vào điều khiển A thì đầu ra mạch chính là chuỗi pha U – V – W
- Khi chỉ có đầu vào điều khiển B thì đầu ra mạch chính là chuỗi pha V – U – W
⚠️Khách hàng nên lưu ý: Khi sử dụng sản phẩm này, nghiêm cấm hiện tượng chết máy, đoản mạch động cơ và quá dòng động cơ, nếu không sản phẩm có thể bị hỏng.
5. Liên hệ module bán dẫn LSF-T4Z30TD2
Nếu bạn đang có nhu cầu cần mua hay báo giá thiết bị tự động hóa hoặc cần tư vấn thêm thì hãy liên hệ ngay với chúng tôi để được hỗ trợ một cách tận tâm, nhanh chóng và hiệu quả nhé!
- Địa Chỉ Hồ Chí Minh: 36/6 đường số 4, khu phố 5, phường An Lạc A, quận Bình Tân, thành phố Hồ Chí Minh.
- Địa Chỉ Hà Nội: 41/M2, KĐT mới Yên Hòa, phường Yên Hòa, quận Cầu Giấy, thành phố Hà Nội
- DĐ: 0984868617
- Email: trivietautomation.info@gmail.com
- MST: 0316876097
- Website: www.triviettech.com.vn – www.tudonghoatriviet.com
- Youtube: https://www.youtube.com/@triviettech/featured
- Tiktok: https://www.tiktok.com/@trivietautomation
- Giờ làm việc: T2 – CN / 7:30 AM – 5:00 PM








