Cảm biến quang Julong Z3V-2E21 được sử dụng phổ biến trong việc chỉnh sửa máy vải,máy đóng gói,thiết bị dệt,chỉnh sửa và phân đoạn cạnh giấy và nhựa. Ưu điểm độ nhạy cao, ứng dụng rộng rãi, hiệu suất, độ ổn định và tiết kiệm chi phí.

1.Thông tin sản phẩm:
- Xuất xứ: China
- Thương hiệu: Julong
- Bảo hành: 6 tháng
- Điện áp nguồn: 10-30 VDC ±10%
- Loại cảm biến: Cảm biến quang
- Tính năng: 1 đầu ra
- Khoảng cách giữa 2 đầu: 30mm
- Tải trọng tối đa: 80mA
- Chế độ đầu ra: NPN
- Nguồn sáng cảm biến có thể điều chỉnh sáng/tối
- Thời gian đáp ứng: 0.1ms
- Chất liệu vỏ: kim loại
- Dây kết nối: nhựa PVC 4 lõi
- Chiều dài dây: 2m
- Nhiệt độ môi trường làm việc: -15°C-65°C
- Nhiệt độ bảo quản: -25°C-80°C

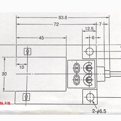
2. Sơ đồ đấu dây cảm biến

- Dây màu đỏ kết nối với chân +24V của nguồn
- Dây màu đen kết nối với chân 0V của nguồn
- Dây màu xanh thường mở
- Dây màu trắng thường đóng
3. Liên hệ cảm biến quang Julong Z3V-2E21
Nếu bạn đang có nhu cầu cần mua hay báo giá thiết bị tự động hóa hoặc cần tư vấn thêm thì hãy liên hệ ngay với chúng tôi để được hỗ trợ một cách tận tâm, nhanh chóng và hiệu quả nhé!
- Địa Chỉ Hồ Chí Minh: 36/6 đường số 4, khu phố 5, phường An Lạc A, quận Bình Tân, thành phố Hồ Chí Minh.
- Địa Chỉ Hà Nội: 41/M2, KĐT mới Yên Hòa, phường Yên Hòa, quận Cầu Giấy, thành phố Hà Nội
- DĐ: 0984868617
- Email: trivietautomation.info@gmail.com
- MST: 0316876097
- Website: www.triviettech.com.vn – www.tudonghoatriviet.com
- Youtube: https://www.youtube.com/@triviettech/featured
- Tiktok: https://www.tiktok.com/@trivietautomation
- Giờ làm việc: T2 – CN / 7:30 AM – 5:00 PM





