Bộ điều khiển lực căng GB-7D

1. Mô tả sản phẩm
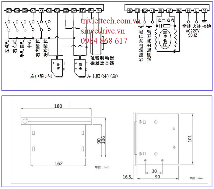
- Nguồn cấp : AC 220V ± 10%
- Trọng lượng: 1kg
- Thiết bị GB-7D được tích hợp 2 chế độ điều khiển lực căng và sàng biên, rất tiện lợi.
- Ngoại hình bộ làm việc đẹp, độ tin cậy cao, hoạt động ổn định, khả năng chống nhiễu tốt
- Ứng dụng bộ điều khiển trong ngành giấy, in và nhuộm, đóng gói.
- Chế độ làm việc: Thủ công/Tự động
- Chức năng điều chỉnh tự động lực căng
- Chức năng điều khiển sàng biên được tích hợp với 3 ngõ giới hạn hành trình làm việc
- Chế độ chạy tay tích hợp phím chức năng Fwd, ReV

2. Liên hệ
Nếu bạn đang có nhu cầu cần mua bộ điều khiển lực căng GB-7D, hay báo giá thiết bị tự động hóa hoặc cần tư vấn thêm thì hãy liên hệ ngay với chúng tôi để được hỗ trợ một cách tận tâm, nhanh chóng và hiệu quả nhé!
CÔNG TY CỔ PHẦN GIẢI PHÁP TỰ ĐỘNG HÓA TRÍ VIỆT
- Địa Chỉ Hồ Chí Minh: 36/6 đường số 4, khu phố 5, phường An Lạc A, quận Bình Tân, thành phố Hồ Chí Minh.
- Địa Chỉ Hà Nội: 41/M2, KĐT mới Yên Hòa, phường Yên Hòa, quận Cầu Giấy, thành phố Hà Nội
- DĐ: 0984868617
- Email: trivietautomation.info@gmail.com
- MST: 0316876097
- Website: www.triviettech.com.vn – www.tudonghoatriviet.com
- YouTube: youtube.com/triviettech
- TikTok: tiktok.com/triviettech
- Facebook: facebook.com/triviettech













