Trí Việt Industrial Mall tự hào là nhà phân phối và nhập khẩu tất cả các
Biến tần INVT GD200A-315G/355P-4 (310-355kW) 3 Pha 380V
1. Cam kết chất lượng sản phẩm
Tại Trí Việt trước khi báo giá sản phẩm chúng tôi sẽ tư vấn và cam kết với khách hàng như sau:
- Đối với các sản phẩm còn sản xuất hoặc có sẵn tồn kho tại kho ở Việt Nam hoặc kho đối tác ở nước ngoài chúng tôi cam kết giao hàng mới 100% và nguyên bản của nhà sản xuất.
- Đối với các sản phẩm đã ngưng sản xuất chỉ còn hàng cũ hoặc sản phẩm cũ được tân trang lại chúng tôi sẽ tư vấn cho khách hàng nắm rõ tình trạng và thời gian bảo hành sản phẩm để khách hàng quyết định nên mua sản phẩm hay không.
- Chúng tôi cam kết không bán hàng kém chất lượng, hàng giả hoặc hàng tân trang cho khách hàng sau khi đã tư vấn và cam kết giao hàng mới 100% và nguyên bản của nhà sản xuất trước đó. Chúng tôi đề cao sự uy tín lên hàng đầu, lấy khách hàng làm trung tâm, vì lợi ích của khách hàng trước tiên.
2. Thông tin sản phẩm
2.1. Khái quát
Biến tần INVT GD200A-315G/355P-4 (310-355kW) 3 Pha 380V
Biến tần INVT GD200A-315G/355P-4 dùng cho cả tải moment biến thiên (tải P) và các loại tải moment không đổi như băng chuyền, máy trộn, máy cán (tải G). GD200A có thiết kế cứng cáp và mạnh mẽ, cấu hình cho phép hoạt động trong cả môi trường nhiều bụi và ẩm.
2.2. Các chức năng điều khiển chính của biến tần INVT GD200A-315G/355P-4 (1)
Điều khiển Vector không gian (SVPWM), Sensorless vector (SVC), điều khiển torque (lực căng).
Torque khởi động ở 0.5 Hz: 150%.
Điều khiển tốc độ chính xác đến ±0.2%, đáp ứng nhanh <20 ms.
Truyền thông: Modbus, RS485.
Keypad có thể lấy rời để giám sát và cài đặt từ xa, sao chép được thông số. Có thể tháo rời khoảng cách tối đa 150m.
2.3. Các chức năng điều khiển chính của biến tần INVT GD200A-315G/355P-4 (2)
Chức năng ứng dụng: PLC giản đơn, các cấp tốc độ đặt trước, điều khiển PID, điều khiển ổn định áp suất trạm 3 bơm, hãm DC, hãm Magnetic Fluxing…
Bộ lọc C3 theo tiêu chuẩn IEC 61800-3.
30 chức năng bảo vệ động cơ và biến tần.
Khả năng quá tải: 60s với 150% dòng định mức, 10s với 180% dòng định mức, 1s với 200% dòng định mức.
2.4. Mã sản phẩm
| Mã sản phẩm | Công suất tải nặng | Công suất tải nhẹ | Dòng chịu tải |
|---|---|---|---|
| GD200A-1R5G-4 | 1.5kW | 3.7A | |
| GD200A-2R2G-4 | 2.2kW | 5A | |
| GD200A-004G/5R5P-4 | 4kW | 5.5kW | 9.5/14A |
| GD200A-5R5G/7R5P-4 | 5.5kW | 7.5kW | 14/18.5A |
| GD200A-7R5G/011P-4 | 7.5kW | 11kW | 18.5/25A |
| GD200A-011G/015P-4 | 11kW | 15kW | 25/32A |
| GD200A-015G/018P-4 | 15kW | 18kW | 32/38A |
| GD200A-018G/022P-4 | 18kW | 22kW | 38/45A |
| GD200A-022G/030P-4 | 22kW | 30kW | 45/60A |
| GD200A-030G/037P-4 | 30kW | 37kW | 60/75A |
| GD200A-037G/045P-4 | 37kW | 45kW | 75/92A |
| GD200A-045G/055P-4 | 45kW | 55kW | 92/115A |
| GD200A-055G/075P-4 | 55kW | 75kW | 115/150A |
| GD200A-075G/090P-4 | 75kW | 90kW | 150/180A |
| GD200A-090G/110P-4 | 90kW | 110kW | 180/215A |
| GD200A-110G/132P-4 | 110kW | 132kW | 215/260A |
| GD200A-132G/160P-4 | 132kW | 160kW | 260/305A |
| GD200A-160G/185P-4 | 160kW | 185kW | 305/340A |
| GD200A-185G/200P-4 | 185kW | 200kW | 305/340A |
| GD200A-200G/220P-4 | 200kW | 220kW | 340/380A |
| GD200A-220G/250P-4 | 220kW | 250kW | 425/480A |
| GD200A-250G/280P-4 | 250kW | 280kW | 480/530A |
| GD200A-280G/315P-4 | 280kW | 315kW | 530/600A |
| GD200A-315G/355P-4 | 315kW | 355kW | 600/650A |
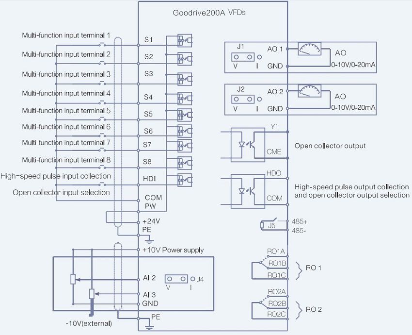
Sơ đồ đấu dây mạch điều khiển biến tần INVT GD200A Series
Cách lựa chọn biến tần INVT GD200A Series
Kích thước lắp đặt biến tần

3. Thời gian giao hàng và điều khoản dịch vụ (Biến tần INVT GD200A-315G/355P-4 (310-355kW) 3 Pha 380V)
3.1. Thời gian giao hàng:
Biến tần INVT GD200A-315G/355P-4 (310-355kW) 3 Pha 380V
- Đối với sản phẩm có sẵn:Giao hàng trong vòng 01-04 ngày (tùy theo khu vực và tỉnh thành trên toàn quốc).
- Đối với sản phẩm đặt hàng:Theo thời gian giao hàng trong “Báo giá thiết bị”.
3.2. Điều khoản thanh toán:
Biến tần INVT GD200A-315G/355P-4 (310-355kW) 3 Pha 380V
- Đối với hàng có sẵn:Thanh toán 100% trước khi hoặc ngay khi giao hàng hóa và chứng từ liên quan.
- Đối với đặt hàng:Thanh toán 40%-50% khi đặt hàng, 50%-60% khi có thông báo giao hàng và chứng từ
- Công nợ:Vấn đề hỗ trợ công nợ sẽ được trao đổi cụ thể trong quá trình làm việc với khách hàng
3.3. Điều khoản bảo hành:
Biến tần INVT GD200A-315G/355P-4 (310-355kW) 3 Pha 380V
Sản phẩm sẽ không được bảo hành khi sử dụng, vận hành, bảo dưỡng không đúng theo các quy định của nhà sản xuất và do các nguyên nhân bất khả kháng như: Thiên tai, hoả hoạn, môi trường, phá hoại hay tem niêm phong bảo hành bị xé rách…
4. Danh mục sản phẩm được phân phối tại Triviettech Industrial Mall
Biến tần INVT GD200A-315G/355P-4 (310-355kW) 3 Pha 380V
Nhà phân phối và nhập khẩu chính hãng các sản phẩm:
Biến tần | PLC | HMI | Servo | Thiết bị ngành nhựa | Cảm biến | Cáp lập trình & pin PLC |Thủy lực – Khí nén | Tủ điện – Phụ kiện tủ điện | Thiết bị nhiệt từ | Phụ kiện máy CNC| Linh kiện công suất | Khởi động mềm | LCD | Tấm cảm ứng | Solar | Thiết bị xi mạ nhựa | Phụ kiện cơ khí | Máy móc công nghiệp | Toàn bộ thiết bị công nghiệp & cơ khí chất lượng cao |
CÔNG TY CỔ PHẦN GIẢI PHÁP TỰ ĐỘNG HÓA TRÍ VIỆT
- Địa Chỉ Hồ Chí Minh: 36/6 đường số 4, khu phố 5, phường An Lạc A, quận Bình Tân, thành phố Hồ Chí Minh.
- Địa Chỉ Hà Nội: G1010, CC. Xuân Mai Complex, P. Yên Nghĩa, Q. Hà Đông, TP. Hà Nội
- DĐ: 0984868617
- Email: trivietautomation.info@gmail.com
- MST: 0316876097
- Website: www.triviettech.com.vn – www.tudonghoatriviet.com
- YouTube: youtube.com/triviettech
- TikTok: tiktok.com/triviettech
- Facebook: facebook.com/triviettech






