Trí Việt Industrial Mall tự hào là nhà phân phối và nhập khẩu tất cả các
Biến tần INVT GD20-110G-4 110kW 3 Pha 380V
1. Cam kết chất lượng sản phẩm
Tại Trí Việt trước khi báo giá sản phẩm chúng tôi sẽ tư vấn và cam kết với khách hàng như sau:
- Đối với các sản phẩm còn sản xuất hoặc có sẵn tồn kho tại kho ở Việt Nam hoặc kho đối tác ở nước ngoài chúng tôi cam kết giao hàng mới 100% và nguyên bản của nhà sản xuất.
- Đối với các sản phẩm đã ngưng sản xuất chỉ còn hàng cũ hoặc sản phẩm cũ được tân trang lại chúng tôi sẽ tư vấn cho khách hàng nắm rõ tình trạng và thời gian bảo hành sản phẩm để khách hàng quyết định nên mua sản phẩm hay không.
- Chúng tôi cam kết không bán hàng kém chất lượng, hàng giả hoặc hàng tân trang cho khách hàng sau khi đã tư vấn và cam kết giao hàng mới 100% và nguyên bản của nhà sản xuất trước đó. Chúng tôi đề cao sự uy tín lên hàng đầu, lấy khách hàng làm trung tâm, vì lợi ích của khách hàng trước tiên.
2. Thông tin sản phẩm
2.1. Khái quát
Biến tần INVT GD20-110G-4 110kW 3 Pha 380V
Biến tần INVT GD20 Series là dòng biến tần đa năng thế hệ mới với hiệu suất cao cho các ứng dụng chế tạo máy phổ thông. Biến tần loại GD20 sử dụng công nghệ điều khiển vector vòng hở hiện đại với khả năng điều khiển vượt trội, lắp đặt được trên DIN RAIL với công suất nhỏ hoặc trên bảng tủ.
2.2. Đặc tính kỹ thuật chính:
Điều khiển SVPWM, Sensorless Vector, điều khiển torque (lực căng).
Mô-men khởi động ở 0.5 Hz: 150%.
Điều khiển tốc độ chính xác đến ±0.2%, đáp ứng nhanh <20 ms.
Keypad cố định, keypad rời tùy chọn, có thể kéo xa 5m với biến tần công suất 4kW trở lên.
Truyền thông: Modbus RS485.
Tích hợp cuộn kháng DC ( từ 18,5 ~ 110 kW).
Tích hợp sẵn bộ lọc IEC 61800-3 C3, tùy chọn bộ lọc IEC 61800-3 C2.
Chức năng ứng dụng: PLC giản đơn, đa cấp tốc độ đặt trước, điều khiển PID, cài đặt linh hoạt V/F, điều khiển thắng, chế độ tiết kiệm điện…
2.3. Mã sản phẩm
| Models | Công suất | Dòng chịu tải | Điện áp ngõ vào / Ra |
|---|---|---|---|
| 1 Pha 220V | |||
| GD20-0R4G-S2 | 0.4kW | 2.5A | 1 Pha 220V / 3 Pha 220V |
| GD20-0R7G-S2 | 0.75kW | 4.2A | 1 Pha 220V / 3 Pha 220V |
| GD20-1R5G-S2 | 1.5kW | 7.5A | 1 Pha 220V / 3 Pha 220V |
| GD20-2R2G-S2 | 2.2kW | 10A | 1 Pha 220V / 3 Pha 220V |
| GD20-004G-S2 | 4kW | 16A | 1 Pha 220V / 3 Pha 220V |
| 3 Pha 220V | |||
| GD20-0R4G-2 | 0.4kW | 2.5A | 3 Pha 220V / 3 Pha 220V |
| GD20-0R7G-2 | 0.75kW | 4.2A | 3 Pha 220V / 3 Pha 220V |
| GD20-1R5G-2 | 1.5kW | 7.5A | 3 Pha 220V / 3 Pha 220V |
| GD20-2R2G-2 | 2.2kW | 10A | 3 Pha 220V / 3 Pha 220V |
| GD20-004G-2 | 4kW | 16A | 3 Pha 220V / 3 Pha 220V |
| GD20-5R5G-2 | 5.5kW | 20A | 3 Pha 220V / 3 Pha 220V |
| GD20-7R5G-2 | 7.5kW | 30A | 3 Pha 220V / 3 Pha 220V |
| 3 Pha 380V | |||
| GD20-0R7G-4 | 0.75kW | 2.5A | 3 Pha 380V / 3 Pha 380V |
| GD20-1R5G-4 | 1.5kW | 4.2A | 3 Pha 380V / 3 Pha 380V |
| GD20-2R2G-4 | 2.2kW | 5.5A | 3 Pha 380V / 3 Pha 380V |
| GD20-004G-4 | 4kW | 9.5A | 3 Pha 380V / 3 Pha 380V |
| GD20-5R5G-4 | 5.5kW | 14A | 3 Pha 380V / 3 Pha 380V |
| GD20-7R5G-4 | 7.5kW | 18.5A | 3 Pha 380V / 3 Pha 380V |
| GD20-011G-4 | 11kW | 25A | 3 Pha 380V / 3 Pha 380V |
| GD20-015G-4 | 15kW | 32A | 3 Pha 380V / 3 Pha 380V |
| GD20-018G-4 | 18kW | 38A | 3 Pha 380V / 3 Pha 380V |
| GD20-022G-4 | 22kW | 45A | 3 Pha 380V / 3 Pha 380V |
| GD20-030G-4 | 30kW | 60A | 3 Pha 380V / 3 Pha 380V |
| GD20-037G-4 | 37kW | 75A | 3 Pha 380V / 3 Pha 380V |
| GD20-045G-4 | 45kW | 92A | 3 Pha 380V / 3 Pha 380V |
| GD20-055G-4 | 55kW | 115A | 3 Pha 380V / 3 Pha 380V |
| GD20-075G-4 | 75kW | 150A | 3 Pha 380V / 3 Pha 380V |
| GD20-090G-4 | 90kW | 180A | 3 Pha 380V / 3 Pha 380V |
| GD20-110G-4 | 110kW | 215A | 3 Pha 380V / 3 Pha 380V |
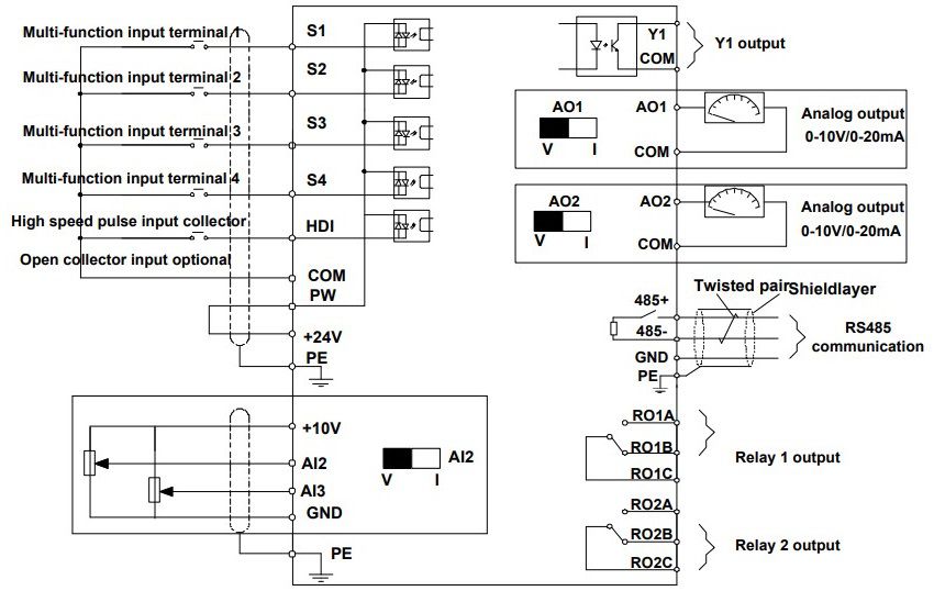
Sơ đồ đấu dây mạch điều khiển biến tần INVT GD20 Series
Cách lựa chọn biến tần INVT GD20 Series
3. Thời gian giao hàng và điều khoản dịch vụ (Biến tần INVT GD20-110G-4 110kW 3 Pha 380V)
3.1. Thời gian giao hàng:
Biến tần INVT GD20-110G-4 110kW 3 Pha 380V
- Đối với sản phẩm có sẵn:Giao hàng trong vòng 01-04 ngày (tùy theo khu vực và tỉnh thành trên toàn quốc).
- Đối với sản phẩm đặt hàng:Theo thời gian giao hàng trong “Báo giá thiết bị”.
3.2. Điều khoản thanh toán:
Biến tần INVT GD20-110G-4 110kW 3 Pha 380V
- Đối với hàng có sẵn:Thanh toán 100% trước khi hoặc ngay khi giao hàng hóa và chứng từ liên quan.
- Đối với đặt hàng:Thanh toán 40%-50% khi đặt hàng, 50%-60% khi có thông báo giao hàng và chứng từ
- Công nợ:Vấn đề hỗ trợ công nợ sẽ được trao đổi cụ thể trong quá trình làm việc với khách hàng
3.3. Điều khoản bảo hành:
Biến tần INVT GD20-110G-4 110kW 3 Pha 380V
Sản phẩm sẽ không được bảo hành khi sử dụng, vận hành, bảo dưỡng không đúng theo các quy định của nhà sản xuất và do các nguyên nhân bất khả kháng như: Thiên tai, hoả hoạn, môi trường, phá hoại hay tem niêm phong bảo hành bị xé rách…
4. Danh mục sản phẩm được phân phối tại Triviettech Industrial Mall
Biến tần INVT GD20-110G-4 110kW 3 Pha 380V
Nhà phân phối và nhập khẩu chính hãng các sản phẩm:
Biến tần | PLC | HMI | Servo | Thiết bị ngành nhựa | Cảm biến | Cáp lập trình & pin PLC |Thủy lực – Khí nén | Tủ điện – Phụ kiện tủ điện | Thiết bị nhiệt từ | Phụ kiện máy CNC| Linh kiện công suất | Khởi động mềm | LCD | Tấm cảm ứng | Solar | Thiết bị xi mạ nhựa | Phụ kiện cơ khí | Máy móc công nghiệp | Toàn bộ thiết bị công nghiệp & cơ khí chất lượng cao |
CÔNG TY CỔ PHẦN GIẢI PHÁP TỰ ĐỘNG HÓA TRÍ VIỆT
- Địa Chỉ Hồ Chí Minh: 36/6 đường số 4, khu phố 5, phường An Lạc A, quận Bình Tân, thành phố Hồ Chí Minh.
- Địa Chỉ Hà Nội: G1010, CC. Xuân Mai Complex, P. Yên Nghĩa, Q. Hà Đông, TP. Hà Nội
- DĐ: 0984868617
- Email: trivietautomation.info@gmail.com
- MST: 0316876097
- Website: www.triviettech.com.vn – www.tudonghoatriviet.com
- YouTube: youtube.com/triviettech
- TikTok: tiktok.com/triviettech
- Facebook: facebook.com/triviettech






