Biến tần Shihlin SC3 xuất xứ Đài Loan, công nghệ Mitsubishi, giá tốt nhất phân khúc tầm trung. Đây là một trong những sản phẩm biến tần được ưa chuộng và tin cậy hàng đầu tại Đài Loan và trên thế giới. Các thiết bị của Shihlin được đánh giá cao về tính ổn định, hoạt động chính xác, dễ sử dụng và ứng dụng linh hoạt.
1. Tổng quan
Thông số biến tần Shihlin SC3

1.1 Thông số biến tần Shihlin SC3
- Biến tần Shihlin SC3 là dòng biến tần đa năng thế hệ mới, được thiết kế theo chuẩn Châu Âu với thông số kỹ thuật và ưu điểm như sau:
- Dải công suất: 0.4 – 5.5kW
- Tần số đầu ra lớn nhất có thể đạt tới 650Hz
- Mô-men (lực) khởi động lớn: 180% tại tốc độ 3Hz
- Cấu tạo nên từ các phần tử và mạch hấp thụ phù hợp, làm giảm điện áp cảm ứng đến 50%
- Tích hợp mạch lọc chống nhiễu RFI (EMC)
- Kết cấu chắc chắn tạo nên khả năng chịu rung, chấn động tốt
- Giảm nhiễu tần số thấp so với các loại biến tần khác trên 20%
- Dễ dàng điều chỉnh, cài đặt với núm xoay âm bằng mặt trước, cho tính năng an toàn và tiết kiệm không gian lắp đặt.
- Hỗ trợ chức năng điều khiển PID và xung PWM
- Tích hợp sẵn bàn phím điều khiển và cổng truyền thông RS485
- Thiết kế nhỏ gọn, chắc chắn, dễ dàng lắp đặt
1.2 Ứng dụng của biến tần Shihlin SC3
Thông số biến tần Shihlin SC3
- Biến tần Shihlin SC3 phù hợp với hầu hết các ứng dụng tải nhẹ và trung bình phổ biến tại Việt Nam như bơm nước, quạt hút, quạt thổi, máy cắt bao bì, máy thổi chai, máy làm bánh, máy bẻ đai…
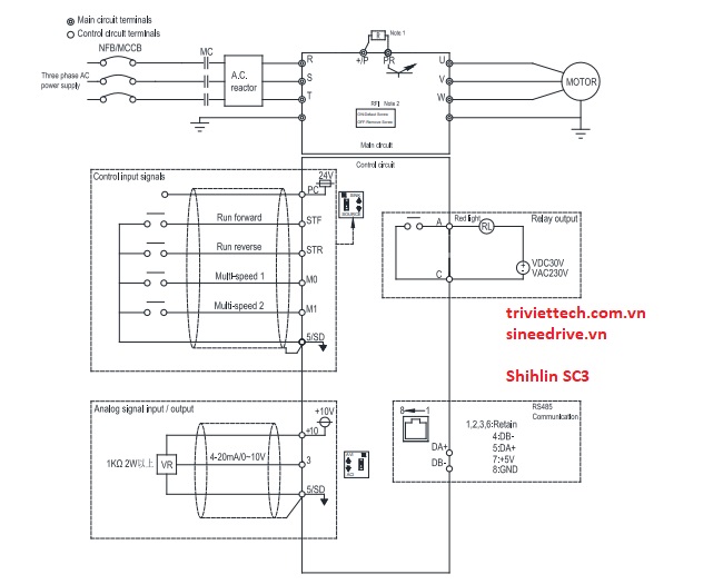
2. Sơ đồ điều khiển và cài đặt các thông số biến tần Shihlin SC3
2.1 Sơ đồ điều khiển
Thông số biến tần Shihlin SC3

- 4 chân đầu vào chức năng: M0, M1, STF, STR
- 1 cổng đầu vào analog: 3 ( 0 ~ 10V hoặc 4 ~ 20mA )
- 1 relay output
- 1 cổng truyền thông modbus RS-485
- Và nhiều chân chức năng khác
2.2 Trả về mặc định nhà máy
Thông số biến tần Shihlin SC3
Group | Parameter Number | Name | Setting Range | Default |
00-00 | P.90 | Chế độ biến tần | Chỉ đọc | Chỉ đọc |
00-02 | P.996~P.999 | Phục hồi mặc định nhà máy | 0: Off 1: Xóa hồ sơ lỗi (P.996=1) 2: Reset biến tần (P.997=1) 3: Khôi phục mặc định nhà máy (P.998=1) 4: Khôi phục một số thông số về mặc định 1 (P.999=1) | 0 |
00-05 | P.295 | Thiết lập mật khẩu | 0~65535 | 0 |
2.3 Thông số biến tần Shihlin SC3 cơ bản (1)
Thông số biến tần Shihlin SC3
00-15 | P.78 | Lựa chọn hướng chạy | 0: Cho phép chạy thuận nghịch 1: Chống quay ngược 2: Chống quay nghịch | 0 |
| 00-16 | P.79 | Lựa chọn chế độ hoạt động | 0: Chế độ “PU mode“, “external mode“ và “JOG mode” là có thể hoán đổi cho nhau. 1: Chế độ “PU mode“ và “JOG mode” là có thể hoán đổi cho nhau. 2: Chỉ chế độ bên ngoài 3: Chỉ chế độ giao tiếp truyền thông 4: Chế độ kết hợp 1 5: Chế độ kết hợp 2 6: Chế độ kết hợp 3 7: Chế độ kết hợp 4 8: Chế độ kết hợp 5 | 0 |
00-17 | P.97 | Lựa chọn tần số mục tiêu thứ 2 | 0: Tần số đặt theo đơn vị tham số 1: Tần số cài đặt bằng giao tiếp truyền thông RS-485 2: Tần số cài đặt bằng đầu vào analog | 0 |
01-13 | P.15 | Tần số Jog | 0~ 650.00Hz | 5.00Hz |
2.4 Thông số biến tần Shihlin SC3 cơ bản (2)
Thông số biến tần Shihlin SC3
00-19 | P.35 | Lựa chọn chế độ giao tiếp | 0: Ở chế độ truyền thông, tín hiệu chạy và tần số được đưa ra bởi giao tiếp 1: Ở chế độ truyền thông, tín hiệu và tần số chạy được đưa ra bởi tín hiệu bên ngoài | 0 |
05-01 | P.302 | Công suất định mức động cơ | 0~ 160.00kW | 0.00Kw |
00-21 | P.300 | Lựa chọn chế độ điều khiển động cơ | 0: Điều khiển V/F động cơ cảm ứng 1: Dự trữ 2: Động cơ cảm ứng điều khiển vector đơn giản | 0 |
00-11 | P.72 | Tần số sóng mang | 1~15 kHz | 5 kHz |
2.5 Thông số biến tần Shihlin SC3 cơ bản(3)
Thông số biến tần Shihlin SC3
01-00 | P.1 | Tần số lớn nhất | 55K/75KF trở xuống: 0.00~01-02 (P.18)Hz 75K/90KF trở lên: 0.00~01-02 (P.18)Hz | 120.00Hz 60.00Hz |
01-01 | P.2 | Tần số nhỏ nhất | 0~120.00Hz | 0.00Hz |
01-06 | P.7 | Thời gian tăng tốc | 3.7K/5.5KF trở xuống: 0~360.00s/0~3600.0s 5.5K/7.5KF trở lên: 0~360.00s/0~3600.0s | 5.00s 20.00s |
01-07 | P.8 | Thời gian giảm tốc | 3.7K/5.5KF trở xuống: 0~360.00s/0~3600.0s 5.5K/7.5KF trở lên: 0~360.00s/0~3600.0s 11K/15KF trở lên: 0~360.00s/0~3600.0s | 5.00s 10.00s 30.00s |
- Và còn nhiều tham số khác chúng tôi không cập nhật lên đây. Nếu các bạn không xử lý được hãy liên hệ với chúng tôi để được hỗ trợ và xử lý một cách nhanh nhất.
3. Bảng mã lỗi biến tần Shihlin SC3 (1)
Thông số biến tần Shihlin SC3
Mã lỗi | Loại lỗi | Nguyên nhân | Khắc phục |
ERROR | ERROR |
|
|
OC0 | Quá dòng khi dừng lại |
|
|
OC1 | Quá dòng khi tăng tốc |
|
|
3.1 Bảng mã lỗi biến tần Shihlin SC3 (2)
Thông số biến tần Shihlin SC3
Mã lỗi | Loại lỗi | Nguyên nhân | Khắc phục |
OC2 | Quá dòng khi đang chạy |
|
|
OC3 | Quá dòng khi giảm tốc |
|
|
OV0 | Quá áp khi đang dừng |
|
|
3.2 Bảng mã lỗi biến tần Shihlin SC3 (3)
Thông số biến tần Shihlin SC3
OV1 | Quá áp khi tăng tốc |
|
|
OV2 | Quá áp khi tốc độ không đổi |
|
|
| OV3 | Quá áp khi giảm tốc |
|
|
| THN | Động cơ quá nóng |
|
|
3.3 Bảng mã lỗi biến tần Shihlin SC3 (4)
Thông số biến tần Shihlin SC3
Mã lỗi | Loại lỗi | Nguyên nhân | Cách khắc phục |
CPR CPU | Lỗi CPU |
|
|
THT | Module IGBT quá nóng |
|
|
NTC | Module quá nóng |
|
|
- Và còn nhiều lỗi khác chúng tôi không cập nhật lên đây. Nếu các bạn không xử lý được hãy liên hệ với chúng tôi để được hỗ trợ và xử lý một cách nhanh nhất.
4. Liên hệ
Thông số biến tần Shihlin SC3
Liên hệ với chúng tôi để được hướng dẫn cài đặt thông số biến tần Shihlin SC3 miễn phí và nhanh nhất.
Nếu bạn đang có nhu cầu cần mua hay báo giá thiết bị tự động hóa hoặc cần tư vấn thêm thì hãy liên hệ ngay với chúng tôi để được hỗ trợ một cách tận tâm, nhanh chóng và hiệu quả nhé!
CÔNG TY CỔ PHẦN GIẢI PHÁP TỰ ĐỘNG HÓA TRÍ VIỆT
- Địa Chỉ Hồ Chí Minh: 36/6 đường số 4, khu phố 5, phường An Lạc A, quận Bình Tân, thành phố Hồ Chí Minh.
- Địa Chỉ Hà Nội: 41/M2, KĐT mới Yên Hòa, phường Yên Hòa, quận Cầu Giấy, thành phố Hà Nội
- DĐ: 0984868617
- Email: trivietautomation.info@gmail.com
- MST: 0316876097
- Website: www.triviettech.com.vn – www.tudonghoatriviet.com
- Giờ làm việc: T2 – CN / 7:30 AM – 5:00 PM






















