Biến tần Hitachi SJ-P1 là dòng biến tần hiệu suất mạnh mẽ, linh hoạt với nhiều ứng dụng trong ngành công nghiệp hiện nay. Chuyên dùng cho các ứng dụng tải nặng như: cẩu trục, tời, thang tải hàng, đùn, bánh đà, bơm-quạt, băng tải…
1. Tổng quan
Thông số biến tần Hitachi SJ-P1

1.1 Thông số biến tần Hitachi SJ-P1
- Điện áp đầu vào:
- 3 pha 220V
- 3 pha 380V
- Công suất tương ứng:
- 0.75 kW – 55 kW
- 0.75 kW – 132 kW
- Dòng biến tần hiệu suất cao, chức năng vượt trội, công nghệ cao
- Với tải nhẹ (Bơm, Quạt …) có thể điều khiển động cơ cao hơn 1 hoặc 2 cấp công suất
- Có sẵn màn hình cài đặt, phím chức năng, cổng kết nối USB
- Mô-men khởi động : 200% (SLV-CT)
- Khởi động V/F 590Hz, Sensorless 400Hz
- Tích hợp bộ EMC ( Công suất dưới 132 kW )
- Tích hợp IC hỗ trợ thắng động năng lên đến công suất 37kW
- Có chức năng chạy theo trình tự, thay thế được cho một số chương trình PLC đơn giản.
- Bảo vệ mất pha, quá dòng, quá tải, quá nhiệt, thấp áp …
- Khả năng quá tải 120% trong 60s / 200% trong 3s
- Cấp bảo vệ IP20
- Độ bền linh kiện lên đến 10 năm
- Thiết lập và vận hành dễ dàng
- Đạt tiêu chuẩn chất lượng
- Chứng chỉ toàn cầu: CE, UL, c-UL, c-Tick
- Bảo hành 12 tháng
- Thương hiệu Hitachi ( Nhật Bản )
1.2 Ứng dụng của biến tần Hitachi SJ-P1
Thông số biến tần Hitachi SJ-P1
- Biến tần Hitachi SJ-P1 Series chuyên dùng cho những ứng dụng tải nặng như: Cẩu trục, tời nâng, thang tải hàng, các cơ cấu cam, khuấy, đùn, băng tải, máy dệt, máy dập, …
2. Sơ đồ điều khiển và cài đặt các thông số biến tần Hitachi SJ-P1
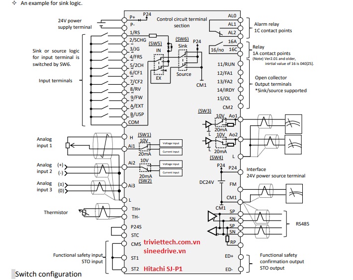
2.1 Sơ đồ điều khiển
Thông số biến tần Hitachi SJ-P1

- 11 đầu vào chức năng:1 —> 9, A, B
- 3 cổng đầu vào analog: Ai1. Ai2, Ai3
- 1 cổng đầu ra analog: Ao1, Ao2
- 2 relay output
- 2 cổng truyền thông modbus RS-485
- Và nhiều chân chức năng khác
2.2 Trả về mặc định nhà máy
Thông số biến tần Hitachi SJ-P1
Pr. | Explanation | Setting Range | Factory |
Ub-01 | Initialize mode selection Reset biến tần | 00: Vô hiệu hóa 01: Xóa lịch sử lỗi 02: Khởi tạo dữ liệu 03: Xóa lịch sử lỗi và dữ liệu khởi tạo 04: Xóa lịch sử lỗi và dữ liệu khởi tạo cùng EzSQ 05: Tất cả dữ liệu ngoại trừ thiết bị đầu cuối cấu hình 06: Tất cả dữ liệu ngoại trừ giao tiếp cấu hình 07:Tất cả dữ liệu ngoại trừ thiết bị đầu cuối và giao tiếp cấu hình 08: Chỉ EzSQ | 00 |
UA-01 | Password for display (UA-10) Mật khẩu hiển thị | 0000 – FFFF
| 0000 |
UA-02 | Password for soft lock (UA-16) Mật khẩu khóa mềm | 0000 – FFFF
| 0000 |
2.3 Thông số biến tần Hitachi SJ-P1 cơ bản (1)
Thông số biến tần Hitachi SJ-P1
AA101 | Main speed source_M1 Nguồn tốc độ chính của động cơ 1 | 00: Vô hiệu hóa 01: Trạm ngoài [Ai1] 02: Trạm ngoài [Ai2] 03: Trạm ngoài [Ai3] 04: Trạm ngoài [Ai4] 05: Trạm ngoài [Ai5] 06: Trạm ngoài [Ai6] 07: Cài đặt tham số (bàn phím) [FA-01] 08: Giao tiếp truyền thông RS485 12: Đầu vào xung nội bộ 14: Chức năng chương trình 15: PID 16: MOP VR | 07 (JPN) |
AA111 | Run command source_M1 Nguồn lệnh chạy của động cơ 1 | 00: Trạm ngoài [FW] [RV]
01: 3 dây | 02(JPN) |
AC120 | Acceleration time Thời gian tăng tốc 1, động cơ 1 | 0.00 – 3600.00(s) | 30.00s |
AC122 | Deceleration time Thời gian giảm tốc 1, động cơ 1 | 0.00 – 3600.00(s) | 30.00s |
2.4 Thông số biến tần Hitachi SJ-P1 cơ bản (2)
Thông số biến tần Hitachi SJ-P1
AG-20 | Jogging frequency Tần số Jog | 0.00 – 10.00(Hz) | 6.00(Hz) |
bA101 | Upper frequency limit source Lựa chọn nguồn tần số giới hạn trên, động cơ 1 | 00: Vô hiệu hóa | 00 |
bA102 | Upper Tần số giới hạn trên, động cơ 1 | 0.00 to 590.00(Hz) | 0.00 |
bA103 | Lower Tần số giới hạn dưới, động cơ 1 | 0.00 to 590.00(Hz) | 0.00 |
2.5 Thông số biến tần Hitachi SJ-P1 cơ bản(3)
Thông số biến tần Hitachi SJ-P1
bb101 | Carrier Cài đặt tần số sóng mang, động cơ 1 | ・200V P1-004L to P1-550L 400V P1-007H to P1-550H [Ub-03]= 02(ND): 0.5 to 16.0(kHz) 01(LD): 0.5 to 12.0(kHz) 00(VLD): 0.5 to 10.0(kHz)・400V P1-750H to P1-2200H [Ub-03]= 02(ND): 0.5 to 10.0(kHz) 01(LD): 0.5 to 8.0(kHz) 00(VLD):0.5 to 8.0(kHz) | 2.0 |
bb-65 | Input phase loss detection enable Kích hoạt phát hiện mất pha đầu vào | 00: Vô hiệu hóa 01: Kích hoạt | 00 |
bb-66 | Output phase loss Kích hoạt phát hiện mất pha đầu ra | 00: Vô hiệu hóa 01: Kích hoạt | 00 |
AA-12 | RUN-key Phương hướng chạy RUN trên bàn phím | 00: Thuận 01: Nghịch | 00 |
2.6 Thông số biến tần Hitachi SJ-P1 cơ bản(4)
Thông số biến tần Hitachi SJ-P1
AA114 | RUN direction Hạn chế hướng chạy động cơ 1 | 00: Không giới hạn 01: Chỉ chạy thuận 02: Chỉ chạy nghịch | 00 |
AA115 | STOP mode Lựa chọn chế độ dừng, động cơ 1 | 00: Dừng giảm tốc 01: Dừng tự do | 00 |
AA123 | Vector control Lựa chọn chế độ điều khiển vector, động cơ 1 | 00: Chế độ điều khiển Speed/Torque 01: Xung kiểm soát vị trí 02: Kiểm soát vị trí 03: Kiểm soát vị trí tốc độ cao | 00 |
AA-13 | STOP-key enable Kích hoạt phím Stop | 00: Vô hiệu hóa 01: Cho phép | 01 |
- Và còn nhiều tham số khác chúng tôi không cập nhật lên đây. Nếu các bạn không xử lý được hãy liên hệ với chúng tôi để được hỗ trợ và xử lý một cách nhanh nhất.
3. Bảng mã lỗi biến tần Hitachi SJ-P1 (1)
Thông số biến tần Hitachi SJ-P1
Mã lỗi | Loại lỗi | Nguyên nhân | Khắc phục |
E001 | Quá dòng xảy ra bởi tải trọng và điều kiện hoạt động |
|
|
E005 | Quá dòng tăng lên bởi tải trọng và điều kiện hoạt động |
|
|
E006 | Bảo vệ quá tải điện trở phanh |
|
|
3.1 Bảng mã lỗi biến tần Hitachi SJ-P1 (2)
Thông số biến tần Hitachi SJ-P1
Mã lỗi | Loại lỗi | Nguyên nhân | Khắc phục |
E007 | Bảo vệ quá áp |
|
|
E008 | CPU chính bất thường |
|
|
E009 | Điện áp thấp |
|
|
3.2 Bảng mã lỗi biến tần Hitachi SJ-P1 (3)
Thông số biến tần Hitachi SJ-P1
E010 | Lỗi CT |
|
|
E012 | Chuyến đi bên ngoài |
|
|
| E014 | Bảo vệ sự cố chạm đất |
|
|
| E015 | Bảo vệ quá áp đầu vào |
|
|
3.3 Bảng mã lỗi biến tần Hitachi SJ-P1 (4)
Thông số biến tần Hitachi SJ-P1
E016 | Bảo vệ mất điện tức thời |
|
|
E021 | Lỗi nhiệt độ |
|
|
E024 | Mất pha đầu vào |
|
|
E036 | Lỗi phanh |
|
|
- Và còn nhiều lỗi khác chúng tôi không cập nhật lên đây. Nếu các bạn không xử lý được hãy liên hệ với chúng tôi để được hỗ trợ và xử lý một cách nhanh nhất.
4. Liên hệ
Thông số biến tần Hitachi SJ-P1
Liên hệ với chúng tôi để được hướng dẫn cài đặt thông số biến tần Hitachi SJ-P1 miễn phí và nhanh nhất.
Nếu bạn đang có nhu cầu cần mua hay báo giá thiết bị tự động hóa hoặc cần tư vấn thêm thì hãy liên hệ ngay với chúng tôi để được hỗ trợ một cách tận tâm, nhanh chóng và hiệu quả nhé!
CÔNG TY CỔ PHẦN GIẢI PHÁP TỰ ĐỘNG HÓA TRÍ VIỆT
- Địa Chỉ Hồ Chí Minh: 36/6 đường số 4, khu phố 5, phường An Lạc A, quận Bình Tân, thành phố Hồ Chí Minh.
- Địa Chỉ Hà Nội: 41/M2, KĐT mới Yên Hòa, phường Yên Hòa, quận Cầu Giấy, thành phố Hà Nội
- DĐ: 0984868617
- Email: trivietautomation.info@gmail.com
- MST: 0316876097
- Website: www.triviettech.com.vn – www.tudonghoatriviet.com
- Giờ làm việc: T2 – CN / 7:30 AM – 5:00 PM






















