Delta là dòng biến tần của Đài Loan được dùng rất phổ biến tại Việt Nam nhưng để sử dụng và cài đặt làm sao cho chuẩn chạy theo ý muốn và ứng dụng phù hợp thì không phải ai cũng biết. Trong bài viết này triviettech sẽ chia sẻ cho các bạn chi tiết cách cài đặt dòng biến tần Delta MS300 này để người chưa từng sử dụng biến tần cũng có thể tự cài đặt được.
1. Tổng quan
Thông số biến tần Delta MS300

1.1 Thông số biến tần Delta MS300
- Delta MS300 dòng biến tần model mới thiết kế nhỏ gọn, tích hợp nhiều tính năng của Delta
- Điện áp đầu vào: 1Pha/230V, 3Pha/380V
- Dải công suất: 0.2 ~ 22kW
- Hỗ trợ điều khiển động cơ nam châm vĩnh cửu và động cơ cảm ứng
- Phương pháp điều khiển: V/F, SVC
- Ứng dụng cho động cơ: Động cơ IM, IPM, SPM
- Tần số đầu ra:
- Model tiêu chuẩn: 599.00 Hz
- Model tốc độ cao: 1500 Hz
- Momen khởi động:
- 150% tại 3Hz ( Chế độ điều khiển V/F, SVC cho động cơ IM, tải nặng )
- 100% tại 1/20 tần số động cơ ( Chế độ điều khiển SVC cho động cơ PM, tải nặng )
- Dải điều khiển tốc độ:
- 1:50 ( Chế độ điều khiển V/F, SVC cho động cơ IM, tải nặng )
- 1:20 ( Chế độ điều khiển SVC cho động cơ PM, tải nặng )
- Khả năng chịu quá tải:
- Tải nhẹ (ND): 120% trong vòng 60s, 150% trong vòng 3s
- Tải nặng (HD): 150% trong vòng 60s, 200% trong vòng 3s
- Chức năng bảo vệ:
- Quá dòng
- Quá áp
- Quá nhiệt
- Mất pha
- Card giao tiếp: CANopen, DeviceNet, Profibus DP, EtherNet/IP, Modbus TCP
1.2 Ứng dụng của biến tần Delta MS300
Thông số biến tần Delta MS300
- Biến tần Delta MS300 Series chuyên dùng cho những ứng dụng như: máy công cụ CNC, máy chế biến gỗ, máy tự động, bơm, quạt, máy đóng gói, máy dệt …
2. Sơ đồ điều khiển và cài đặt các thông số biến tần Delta MS300
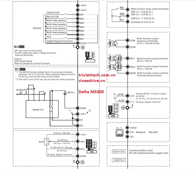
2.1 Sơ đồ điều khiển
Thông số biến tần Delta MS300

- 7 đầu vào chức năng: MI1 —> MI7
- 2 cổng đầu vào analog: AVI, ACI
- 1 cổng đầu ra analog: AFM
- 1 relay output
- 1 cổng truyền thông modbus RS-485
- Và nhiều chân chức năng khác
2.2 Trả về mặc định nhà máy
Thông số biến tần Delta MS300
Pr. | Explanation | Setting Range | Factory |
00-02 | Parameter Reset Đặt lại tham số | 0: Không có chức năng 1: Bảo vệ cho các tham số đã ghi 5: Đặt lại hiển thị kWh về 0 6: Xóa chương trình PLC (bao gồm CANopen Master Index) 7: Đặt lại chỉ mục CANopen Slave 8: Không phản hồi bàn phím 9: Reset tất cả các thông số về mặc định với tần số cơ bản ở 50 Hz 10: Reset tất cả các thông số về mặc định với tần số cơ bản ở 60 Hz 11: Reset tất cả các thông số về mặc định với tần số cơ bản ở 50 Hz (giữ các giá trị cài đặt do người dùng xác định Pr.13-01–13-50) 12: Reset tất cả các thông số về mặc định với tần số cơ bản ở 60 Hz (giữ các giá trị cài đặt do người dùng xác định Pr.13-01–13-50) | 0 |
00-07 | Password Input Nhập mật khẩu | 0 – 65535 | 0 |
00-08 | Password Set Đặt mật khẩu | 0 – 65535 0: Không có mật khẩu bảo vệ,mật khẩu được nhập chính xác trong Pr.00-07 1: Thông số đã được thiết lập | 0 |
2.3 Thông số biến tần Delta MS300 cơ bản (1)
Thông số biến tần Delta MS300
00.10 | Control mode Chế độ điều khiển | 0: Chế độ speed 2: Chế độ torque | 0 |
00-22 | Stop method Phương pháp dừng | 0: Dừng giảm tốc 1: Dừng tự do | 0 |
00-20 | Master frequency Nguồn lệnh tần số chính | 0: Đầu vào từ bàn phím kỹ thuật số 1: Đầu vào từ giao tiếp RS-485 2: Đầu vào từ analog bên ngoài (tham khảo Pr.03-00) 3: Đầu vào từ thiết bị đầu cuối UP/DOWN bên ngoài (Cổng đầu vào đa chức năng) 4: Đầu vào xung không có lệnh điều hướng (tham khảo Pr.10-16 không có hướng dẫn) 6: Card giao tiếp CANopen 7: Núm chiết áp bàn phím kỹ thuật số 8: Thẻ giao tiếp (không bao gồm thẻ CANopen) 9: Chức năng PID (Pr.08-65 nên được đặt là 1)
| 0 |
00-21 | Operation command source Nguồn lệnh hoạt động | 0: Bàn phím số 1: Thiết bị đầu cuối bên ngoài 2: Giao tiếp RS-485 3: Card giao tiếp CANopen 5: Thẻ giao tiếp (không bao gồm thẻ CANopen)
| 0 |
2.4 Thông số biến tần Delta MS300 cơ bản (2)
Thông số biến tần Delta MS300
00-23 | Control of motor direction Điều khiển hướng động cơ | 0: Có thể chạy thuận/nghịch | 0 |
01-00 | Motor 1 maximum Tần số hoạt động lớn nhất của động cơ 1 | 0.00–599.00 Hz | 60.00 |
01-07 | Motor 1 minimum output Tần số đầu ra nhỏ nhất của động cơ 1 | 0.00–599.00 Hz | 0.50 |
01-09 | Start-up frequency Tần số khởi động | 0.00–599.00 Hz | 0.50 |
2.5 Thông số biến tần Delta MS300 cơ bản(3)
Thông số biến tần Delta MS300
01-10 | Upper frequency limit Giới hạn tần số dưới | 0.00–599.00 Hz | 599.00 |
01-11 | Lower frequency limit Giới hạn tần số trên | 0.00–599.00 Hz | 0.00 |
01-12 | Acceleration time 1 Thời gian tăng tốc 1 | Pr.01-45 = 0: 0.00–600.00 sec. | 10.00 |
01-13 | Deceleration time 1 Thời gian giảm tốc 1 | Pr.01-45 = 0: 0.00–600.00 sec. Pr.01-45 = 1: 0.00–6000.00 sec | 10.00 |
- Và còn nhiều tham số khác chúng tôi không cập nhật lên đây. Nếu các bạn không xử lý được hãy liên hệ với chúng tôi để được hỗ trợ và xử lý một cách nhanh nhất.
3. Bảng mã lỗi biến tần Delta MS300(1)
Thông số biến tần Delta MS300
Mã lỗi | Loại lỗi | Nguyên nhân | Khắc phục |
GFF | Lỗi nối đất |
|
|
occ | Đoản mạch mô-đun IGBT |
| |
oH3 | Động cơ quá nóng |
|
|
3.1 Bảng mã lỗi biến tần Delta MS300(2)
Thông số biến tần Delta MS300
Mã lỗi | Loại lỗi | Nguyên nhân | Khắc phục |
ocA | Quá dòng khi tăng tốc |
|
|
ocd | Quá dòng khi giảm tốc |
|
|
ocn | Quá dòng khi ở trạng thái ổn định |
|
|
3.2 Bảng mã lỗi biến tần Delta MS300 (3)
Thông số biến tần Delta MS300
ovS | Quá điện áp khi máy dừng |
|
|
ovA | DC BUS quá điện áp trong quá trình tăng tốc |
|
|
| ovd | DC BUS quá điện áp trong quá trình giảm tốc |
|
|
| ovn | DC BUS quá điện áp trong quá trình tốc độ không đổi |
|
|
3.3 Bảng mã lỗi biến tần Delta MS300(4)
Thông số biến tần Delta MS300
OPHL | Mất pha đầu vào |
|
|
cd1 | Phát hiện lỗi dòng điện pha U |
|
|
cd2 | Phát hiện lỗi dòng điện pha V |
|
|
cd3 | Phát hiện lỗi dòng điện pha W |
|
|
- Và còn nhiều lỗi khác chúng tôi không cập nhật lên đây. Nếu các bạn không xử lý được hãy liên hệ với chúng tôi để được hỗ trợ và xử lý một cách nhanh nhất.
4. Liên hệ
Thông số biến tần Delta MS300
Liên hệ với chúng tôi để được hướng dẫn cài đặt thông số biến tần Delta MS300 miễn phí và nhanh nhất.
Nếu bạn đang có nhu cầu cần mua hay báo giá thiết bị tự động hóa hoặc cần tư vấn thêm thì hãy liên hệ ngay với chúng tôi để được hỗ trợ một cách tận tâm, nhanh chóng và hiệu quả nhé!
CÔNG TY CỔ PHẦN GIẢI PHÁP TỰ ĐỘNG HÓA TRÍ VIỆT
- Địa Chỉ Hồ Chí Minh: 36/6 đường số 4, khu phố 5, phường An Lạc A, quận Bình Tân, thành phố Hồ Chí Minh.
- Địa Chỉ Hà Nội: 41/M2, KĐT mới Yên Hòa, phường Yên Hòa, quận Cầu Giấy, thành phố Hà Nội
- DĐ: 0984868617
- Email: trivietautomation.info@gmail.com
- MST: 0316876097
- Website: www.triviettech.com.vn – www.tudonghoatriviet.com
- Giờ làm việc: T2 – CN / 7:30 AM – 5:00 PM






















