Biến tần Delta ME300 là bộ điều khiển chuyển động vector nhỏ gọn thế hệ mới kế thừa công nghệ truyền động tối ưu của delta nhưng với kích thước giảm 60%. Biến tần delta hỗ trợ cả động cơ IM và PM, mang lại hiệu quả và tính linh hoạt cao hơn. Nhiều chức năng thiết yếu được tích hợp sẵn là tiêu chuẩn để giảm nhu cầu chi phí bổ sung và rút ngắn thời gian lắp đặt. Chức năng STO, là một tùy chọn tối ưu của các nhà chế tạo máy.
1. Tổng quan
Thông số biến tần Delta ME300

1.1 Thông số biến tần Delta ME300
- Là dòng biến tần tiêu chuẩn mới, kích thước nhỏ gọn và thông minh của Delta
- Điện áp đầu vào: 1/3 Pha 220V và 3 Pha 380V
- Dải công suất: 0.1kW ~ 7.5kW
- Hỗ trợ:
- Hỗ trợ điều khiển động cơ IM, IPM và SPM
- Chế độ điều khiển tích hợp: V/F và SVC
- Mô-men khởi động: 150% ở tần số 3Hz ( với chế độ điều khiển V/F, SVC cho động cơ IM tải HD )
- Chịu quá tải:
- Tải nhẹ (ND): 120% trong vòng 60s, 150% trong vòng 3s
- Tải nặng (HD): 150% trong vòng 60s, 200% trong vòng 3s
- Tần số đầu ra: model tiêu chuẩn: 599.00 Hz
- Mô-men khởi động:
- 150% / 3Hz ( Chế độ điều khiển V/F, SVC cho động cơ IM, tải nặng )
- 100% tại 1/20 tần số động cơ ( Chế độ điều khiển SVC cho động cơ PM, tải nặng )
- Chức năng điều khiển chính:
- Điều khiển đa cấp 16 tốc độ
- Điều khiển JOG, 3 dây, tăng giảm tốc nhanh
- Điều khiển PID
- Điều khiển hãm DC lúc khởi động và dừng
- Chế độ điều khiển tần số chính, phụ
- Chế độ tự động dò tìm tốc độ
- Điều khiển vị trí
- Truyền thông tiêu chuẩn RS-485 (MODBUS)
- Chức năng bảo vệ:
- Quá dòng
- Quá áp
- Quá nhiệt
- Mất pha
1.2 Ứng dụng của biến tần Delta ME300
Thông số biến tần Delta ME300
- Biến tần Delta ME300 Series chuyên dùng cho những ứng dụng như: Bơm, Quạt, máy gỗ, băng tải, máy thực phẩm, máy công cụ …
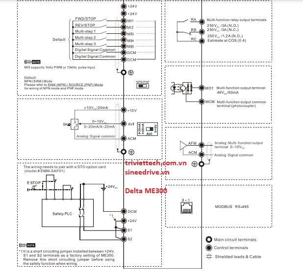
2. Sơ đồ điều khiển và cài đặt các thông số biến tần Delta ME300
2.1 Sơ đồ điều khiển
Thông số biến tần Delta ME300

- 5 đầu vào chức năng: MI1 —> MI5
- 1 cổng đầu vào analog: AVI
- 1 cổng đầu ra analog: AFM
- 1 relay output
- 1 cổng truyền thông modbus RS-485
- Và nhiều chân chức năng khác
2.2 Trả về mặc định nhà máy
Thông số biến tần Delta ME300
Pr. | Explanation | Setting Range | Factory |
00-02 | Parameter Reset Đặt lại tham số | 0: Không có chức năng 1: Bảo vệ cho các tham số đã ghi 5: Đặt lại hiển thị kWh về 0 8:Không phản hồi bàn phím 9: Reset tất cả các thông số về mặc định với tần số cơ bản ở 50 Hz 10: Reset tất cả các thông số về mặc định với tần số cơ bản ở 60 Hz 11: Reset tất cả các thông số về mặc định với tần số cơ bản ở 50 Hz (giữ các giá trị cài đặt do người dùng xác định Pr.13-01–13-50) 12: Reset tất cả các thông số về mặc định với tần số cơ bản ở 60 Hz (giữ các giá trị cài đặt do người dùng xác định Pr.13-01–13-50) | 0 |
00-07 | Password Input Nhập mật khẩu | 0 – 65535 | 0 |
00-08 | Password Set Đặt mật khẩu | 0 – 65535 0: Không có mật khẩu bảo vệ,mật khẩu được nhập chính xác trong Pr.00-07 1: Đặt mật khẩu | 0 |
2.3 Thông số biến tần Delta ME300 cơ bản (1)
Thông số biến tần Delta ME300
00.10 | Control mode Chế độ điều khiển | 0: Chế độ speed | 0 |
00-22 | Stop method Phương pháp dừng | 0: Dừng giảm tốc 1: Dừng tự do 2: Dừng động cơ bằng cách định vị đơn giản | 0 |
00-20 | Master frequency Nguồn lệnh tần số chính | 0: Bàn phím kỹ thuật số 1: Giao tiếp truyền thông RS-485 2: Đầu vào từ analog bên ngoài (tham khảo Pr.03-00) 3: Đầu vào từ thiết bị đầu cuối UP/DOWN bên ngoài 4: Đầu vào xung không có lệnh điều hướng (tham khảo Pr.10-16 không có hướng dẫn) 7: Chiết áp bàn phím kỹ thuật số | 0 |
00-21 | Operation command Nguồn lệnh hoạt động | 0: Bàn phím số 1: Thiết bị đầu cuối bên ngoài 2: Giao tiếp truyền thông RS-485 | 0 |
2.4 Thông số biến tần Delta ME300 cơ bản (2)
00-23 | Control of motor direction Điều khiển hướng động cơ | 0: Có thể chạy thuận/nghịch | 0 |
01-00 | Maximum operation frequency of Tần số hoạt động lớn nhất của động cơ 1 | 0.00–599.00 Hz | 60.00 |
01-07 | Minimum output frequency of motor 1 Tần số đầu ra nhỏ nhất của động cơ 1 | 0.00–599.00 Hz | 0.50 |
01-09 | Start-up frequency Tần số khởi động | 0.00–599.00 Hz | 0.50 |
2.5 Thông số biến tần Delta ME300 cơ bản(3)
Thông số biến tần Delta ME300
01-10 | Output frequency upper limit Tần số đầu ra giới hạn trên | 0.00–599.00 Hz | 599.00 |
01-11 | Output frequency lower limit Tần số đầu ra giới hạn dưới | 0.00–599.00 Hz | 0.00 |
01-12 | Acceleration time 1 Thời gian tăng tốc 1 | Pr.01-45 = 0: 0.00–600.00 sec | 10.00 |
01-13 | Deceleration time 1 Thời gian giảm tốc 1 | Pr.01-45 = 0: 0.00–600.00 sec Pr.01-45 = 1: 0.0–6000.0 sec | 10.00 |
- Và còn nhiều tham số khác chúng tôi không cập nhật lên đây. Nếu các bạn không xử lý được hãy liên hệ với chúng tôi để được hỗ trợ và xử lý một cách nhanh nhất.
3. Bảng mã lỗi biến tần Delta ME300(1)
Mã lỗi | Loại lỗi | Nguyên nhân | Khắc phục |
GFF | Lỗi nối đất |
|
|
occ | Đoản mạch mô-đun IGBT |
| |
oH3 | Động cơ quá nóng |
|
|
3.1 Bảng mã lỗi biến tần Delta ME300(2)
Thông số biến tần Delta ME300
Mã lỗi | Loại lỗi | Nguyên nhân | Khắc phục |
ocA | Quá dòng khi tăng tốc |
|
|
ocd | Quá dòng khi giảm tốc |
|
|
ocn | Quá dòng khi ở trạng thái ổn định |
|
|
3.2 Bảng mã lỗi biến tần Delta ME300 (3)
Thông số biến tần Delta ME300
ovS | Quá điện áp khi máy dừng |
|
|
ovA | DC BUS quá điện áp trong quá trình tăng tốc |
|
|
| ovd | DC BUS quá điện áp trong quá trình giảm tốc |
|
|
| ovn | DC BUS quá điện áp trong quá trình tốc độ không đổi |
|
|
3.3 Bảng mã lỗi biến tần Delta ME300(4)
Thông số biến tần Delta ME300
Lvn | Điện áp thấp ở tốc độ không đổi |
|
|
cd1 | Phát hiện lỗi dòng điện pha U |
|
|
cd2 | Phát hiện lỗi dòng điện pha V |
|
|
cd3 | Phát hiện lỗi dòng điện pha W |
|
|
- Và còn nhiều lỗi khác chúng tôi không cập nhật lên đây. Nếu các bạn không xử lý được hãy liên hệ với chúng tôi để được hỗ trợ và xử lý một cách nhanh nhất.
4. Liên hệ
Thông số biến tần Delta ME300
Liên hệ với chúng tôi để được hướng dẫn cài đặt thông số biến tần Delta ME300 miễn phí và nhanh nhất.
Nếu bạn đang có nhu cầu cần mua hay báo giá thiết bị tự động hóa hoặc cần tư vấn thêm thì hãy liên hệ ngay với chúng tôi để được hỗ trợ một cách tận tâm, nhanh chóng và hiệu quả nhé!
CÔNG TY CỔ PHẦN GIẢI PHÁP TỰ ĐỘNG HÓA TRÍ VIỆT
- Địa Chỉ Hồ Chí Minh: 36/6 đường số 4, khu phố 5, phường An Lạc A, quận Bình Tân, thành phố Hồ Chí Minh.
- Địa Chỉ Hà Nội: 41/M2, KĐT mới Yên Hòa, phường Yên Hòa, quận Cầu Giấy, thành phố Hà Nội
- DĐ: 0984868617
- Email: trivietautomation.info@gmail.com
- MST: 0316876097
- Website: www.triviettech.com.vn – www.tudonghoatriviet.com
- Giờ làm việc: T2 – CN / 7:30 AM – 5:00 PM






















